BBE是美国BBE Sound公司推出的能大幅度改善听音质量的一种音响技术,它通过弥补扬声器和耳机的一种固有缺陷来恢复声音的清晰度,被录音、专业音响和广播界公认为最先进的声音增强技术。以下对它的原理作一简单的介绍:
自然界的声音是由基波和谐波组成的,基波是一些只包含声音的音调信息的正弦波,而谐波则包含着代表声音各种特征的非常重要的信息(好比指纹),通过分析谐波(主要是高次谐波),我们能够指出一种声音与其它声音的不同之处,我们听到一种声音时,立刻就能分辨出谁在讲话(朋友、父母、陌生人),甚至正在接近我们(汽车、火车、飞机),或者什么在响(电话、门铃、警铃)。当我们听交响乐队演奏交响乐时,可以辨别出各种乐器来(小提琴、中提琴、大提琴、小号、低音提琴、定音鼓等等),有些受过训练的人甚至能从声音认出乐器的制造者来,一些汽车发烧友可以根据汽车的排气声讲出它的类型,这些非凡的能力全部都是基于谐波之上。实际上,声音的波型是极其复杂的,许多波型不断改变,许多声音又交织在一起。
扬声器由于它的音圈有电感以及其移动部分实际的电感效应,会延迟高频波、导致发出的声音中携带高次谐波的高频波被延迟,结果尽管其声学频谱与电信号频谱完全相同,这种声音听听起来让人感到缺少高频部分,不清晰,好像被捂住了,为了恢复其清晰度和分辨率,人们通常用音调控制器和均衡器来增强高频部分,这样听起来会好一点,但让人感到刺耳和不自然,因为这样的声音结构在自然界中是不存在的,显然这种作法并非恢复声音清晰度的正确途径。
BBE技术并非简单地增强高频波,而是把被延迟了的高频波的时间提前,将其重新置于基波之前,它也使用增强技术来恢复一些被减弱了的高频波,BBE的高频波时间重整与增强组合处理仅用了单一增强方法一半的功率就能达到同样的清晰度,而且BBE的处理比音调控制器或均衡器处理的声音听起来要清晰和自然得多,很多广播电台,录音室和声音增强处理专家使用BBE技术已经超过15年了,目前全世界有25万台以上的BBE专业设备在使用中,而且许多音乐家为了改变播音质量,都要求在乐器和噪音声道中使用BBE设备。
不论在哪一等级的音响系统中,高频波的延迟都会发生,即使是高档音响设备也会遇到同样的问题。稍微详细一点来看BBE处理的细节,BBE把声音频带分成三部分,低于150Hz为低频,150~1200Hz为中频,高于1200Hz为高频,将低频和中频部分分别延迟2.5ms和0.5ms,高频部分不变,结果高频部分相对地在时间上就超前了,这种相位转变在总体效果上是非常平滑和线性的,没有跃变。
BBE将中、高频信号用作其适应性振幅补偿的参考,通过密切监察中、高频信号,绝对值电路及其辅助电路则连续输出一个反映高次谐波输出的信号用于VCA控制,以便自动将高次谐波的振幅调节到最佳点。
用BBE可以恢复高次谐波的相位和振幅,但有人或许觉得还需要将低音增强一些以获得最佳平衡,为此,BBE处理器设有一低频波幅放大功能。它能以非常线性的方式放大50~150Hz范围内的低频波,而且可以随着频率的降低线性地增加延迟,20Hz的声波会获得相对于较高频率的声波2.5ms的延迟,此一功能使低音变得十分紧凑和清晰,所以许多低音提琴家喜欢用BBE。
BBE处理过的声音非常接近原声,听起来十分自然,清脆。BBE并非像音调控制器或图示均衡器那样仅是单纯增强,相对而言,它只需将声音增强一半即可达到同样的清晰度从而使人脑能更容易地分辨声音。
近年来,MPEG数字杜比(AC-3)ATRAC(MD)等数字压缩技术已普遍使用在数字录音以及广播中,它们一样会不可避免地带来不同频率声波时间排列方面的问题。当从数字化的压缩信号还原声波时,高频延迟同样会发生,即使频率响应是平滑的,然而高频部分的相位是滞后了,这就是为什么MD的音质听起来不如CD的,有点模糊(MD)使用数字压缩技术而CD使用的是PCM),要提高音质,就必须将高频部分的相位提前,这正是BBE的用武之地,数字杜比和MPEG-1的声音亦同样得益于BBE,在数字化系统中使用BBE可将它写进软件里或在数/模转换之后使用BBE集成电路。
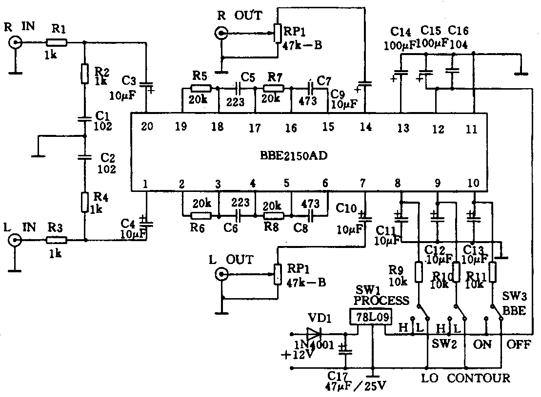
BBE2150AD是目前最新推出的单片BBE处理电路,双列直插20脚封装,符合BBE的技术要求,具体的应用电路见附图,外围元件较少,电路简洁明了,RP1用于作输出电平的调节以便和后级配合,该电路可输入较强的信号,可以和VCD等音源直接接口,VD1为电压反接保护二极管,C14为参考电压退耦电容不宜过小,12脚为正电源端工作电压为9V,2~6及15~19脚外接的元件主要用于移相及延迟中低频,电路的性能参数见表1,SW1、SW2、SW3的控制功能见表2。



说明:当BBE为关时,PROCESS和LO CONTDUR的设置都不起作用。
应用说明:BBE可以用于所有的音响系统中及通信、广播领域,增强音乐,语言的清晰度的可懂度,并能和其他的音效系统配合使用,原则是放于所有的音效音调处理之后功放级之前,使用BBE后,建议音调部分尽量少用或调节幅度不要过大,参考配置如下:
①两声道立体声方式:
各种音源(LD/VCD等)→切换(TDA1029板继电器式)→SRS(●)(SRS5250S)→音调(可选)(LMl036N)→BBE(BBE2150AD)→功放(LM3886TF、TDA1514A、TDA1521、LMl875/1876)。
②多声道影院方式:
音源→切换→SRS(●)(可选)→多声道解码(NJM2177AL、NE5532N)→四路音调(可选)→BBE(BBE2150AD)→功放。
需要单片BBE处理电路BBE2150A者,请看插页广告。(张国鹏)