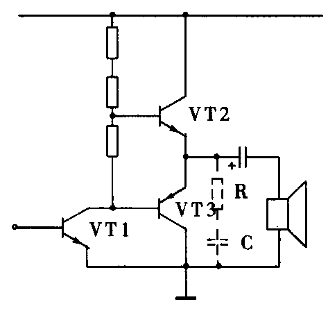
问:许多功放输出端都有一只几欧姆电阻和零点几微法的电容串联接地,请问有什么作用?不接可不可以?(广东 黄荣)

答:你所说的功放输出端都接有一只几欧姆电阻和零点几微法的电容串联接地(典型电路如附图中虚线所示),它们的作用是构成“茹贝尔”网络,它与扬声器一起组成纯电阻负载,使负载(指不接RC网络时的扬声器)不再呈现电感性,有保护功放管的作用。同时也有防振作用。RC网络的数值可由下式求出:R=R\(_{L}\) G=Ls/R\(_{L}\)\(^{2}\)。例如:设某扬声器的RL=4Ω,L\(_{s}\)=3.2μH,则R=RL=4Ω,C=L\(_{s}\)/RL2=3.2×10\(^{-}\)6/42=0.2μF。
如果放大器的电源电压较低,或使用的功放管反向耐压较高,RC网络可不接,对放大器的输出不会有什么影响。(沈长生)
问:业余条件下自制印制板,使用固体三氯化铁如何配置腐蚀溶液。(北京 初学)
答:固体三氯化铁在一般化工商店都有出售,由于它比液体三氯化铁的运输和保管方便,因此应用越来越多。使用固体三氯化铁配置腐蚀溶液可按100g固体三氯化铁加200ml水的比例,这个比例并不严格,浓度高时腐蚀速度稍快些,浓度低时腐蚀速度慢些。
另外在腐蚀电路板时可以给三氯化铁溶液适当加热,这样可以提高腐蚀速度,但加热温度不要高于65℃。在腐蚀过程中应用竹夹子夹住印制板在三氯化铁溶液中勤晃动,这样也可以提高腐蚀速度。一般情况下腐蚀一块电路板在30分钟左右即可完成。配置好的三氯化铁可反复使用,但发现溶液中沉淀较多时应重新配置腐蚀溶液。
保存固体三氯化铁应在密闭、低温、通风的环境下,重点是密闭,不应使三氯化铁接触潮气。(沈长生)
问:在一次偶然中,我用一数字万用表直流电压挡(200V)测一用过的15V电池,测得数值14.6V,然后又用交流200V挡测得31.5V,我愿以为我的表坏了,又借了一块机械万用表,用直流50V挡测得为14V,用交流50V挡测得为30V。为什么直流挡与交流挡测得的数据差别这么大呢?(广西 邱时敬)
答:你偶然发现的这个问题很有意思,这也是初学者应该了解的一个问题。为什么万用表直流挡和交流挡测得的数据相差这么大呢?主要是由万用表的结构决定的,我们知道无论是数字万用表还是机械万用表在测量电压时都是利用降压电阻(或叫限流电阻)来控制加在表头上的电压(或电流)。而测量交流电压时,在测量电路中要加进整流二极管,把交流变成直流(因表头上只能加直流电压),因万用表电路中大都使用半波整流,所以整流后的直流电压数值就要比交流电压的数值低近一半,这样同样是50V(或其他挡)的直流挡和交流挡,其降压电阻的数值就相差近一半,因此用交流电压挡测直流电压,因整流二极管对直流可近似通路(只降去二极管的结电压零点几伏)因此显示的数值也就相差近一半。
另外在你这次偶然的测试中我们还会发现一个问题,就是数字万用表的内阻比机械万用表的内阻大,对被测电压的影响较小(用数字表测得15V的旧电池数值为14.6V,而用机械表测得为14V)。(沈长生)
问:一台数字钟采用LM8560控制,原用60Hz电源,现改用50Hz便出现每分钟慢10秒现象,怎样改动才能适合用50Hz交流电。 (广州 黄津锋、河南 冯德沈、沈阳 史维军、广东 邹荣方)
答:最近来信询问用LH8560组成的数字钟的爱好者很多。这是因为大规模集成电路LM8560在数字钟中是比较便宜且容易买到的一种集成电路,而且用LM8560组成的数字钟电路简单,直接用交流电的频率提供秒脉冲。

LM8560的管脚功能如附图所示。我国使用的交流电源频率为50Hz,只要将第26脚(50Hz/60Hz选择)接到第15脚(V\(_{SS}\))即可,如果电源频率为60Hz时,此脚悬空不接。 (沈长生)▲