面包示教板是一块放大了的学生实验用的面包板。使用时,可以把它挂在黑板上,在上面插接所需的实验电路,用以示范电路的连接,演示实验中所发生的现象,排除故障等。特别适用于科技活动课讲练结合辅导法的实施——辅导教师边讲边示范,学生边听边实验,是一种非常直观的演示实验教具。
面包板是集成电路实验板的俗称,它是一种具有多孔插座的插件板。通常,学生实验采用小号的SYB-46型面包板,外形尺寸长90mm、宽52mm、厚8.5mm。它由4行23列弹性接触簧片和ABS塑料槽板构成,行列排列示意图见图1。

在面包板上,标有A、B、C、D、E字母旁边的每竖列上有五个方孔,它们被其内部的一条金属簧片所接通。因此,在电气上每竖列上的五个方孔是导通的,但竖列与竖列方孔之间是相互绝缘的。同理,标有F、G、H、I、J每竖列的五个方孔也是相通的。面包板上下两个横行X和Y,各有二十个方孔也是相通的。相邻方形插孔之间的距离与双列直插式(DIP)集成电路管脚标准间距相同,均为2.54mm。一二两行,三四两行之间的距离相当于两个方孔之间的距离。二三两行之间的距离相当于三个方孔之间的距离。根据上述的构造,就可以设计和制作面包示教板了。
面包示教板外形的尺寸高665mm、长910mm、厚55mm,相邻插孔之间的距离为35mm。面包示教板前面板插孔的尺寸在图1中已标出,这个尺寸既保证后排学生能看清楚,又不会使示教板体积过大。
面包示教板制作的方法:示教板的前面板和后背板采用厚3mm的三合板制作,钉在长方形的木框上。前面板要按图1尺寸画好插孔位置,再用直径6mm的钻头打孔,注意不要将三合板打劈,孔间的距离要精确,最后打好腻子、磨平及喷(涂)漆。面包示教板上的插孔座采用内径4mm的香蕉插头座,固定在前面板打好的钻孔上,共270个插头座。在前面板的背面,每个香蕉插头座都套有焊片,并用螺母拧牢,再按照SYB-46面包板弹簧片连通的情况,用导线将对应插头座上的焊片接通,并用焊锡焊牢。面包示教板的顶端装有羊角钩,用它把示教板悬挂在黑板横框的钉子上。
面包示教板插接件的制作:元件插件板见图2(a)示意图,适用于电阻器、电容器等。它用宽25mm、厚0.8~l.2mm的覆铜板作为基板,在上面用直径6mm的钻头打好孔,以便固定香蕉插头座。香蕉插头座之间的距离应为面包示教板插孔间距离(35mm)的整数倍,如取一、二或三倍(图上为两倍距离,板长80mm),以便插在示教板横竖不同的位置上。插接件基板上的覆铜皮要用锋利的刀子沿板横腰处刻出相隔为1mm宽的两条划痕,覆铜皮要刻透,然后再用刀子将这lmm宽的铜皮剔除,做为绝缘缝隙,使两个香蕉插座之间保持绝缘。在基板覆铜面(焊接面)绝缘缝隙的两边用直径0.8~1mm的钻头打好孔,用于焊接电阻器或电容器。插件基板的正面(元件面)要喷(涂)上白漆,干后,用黑漆画好相应的元件符号。元件插件板在使用时,用香蕉插头穿过插件板上的插头座(所用的螺纹空心铜管要锯短),再插在面包示教板相应的插孔座上。上述尺寸也适用于光敏电阻器的插件板。图2(b)为发光二极管插件板示意图,尺寸为45×45mm,同样适用于光敏二极管等器件。图2(c)为钮开关插件板。图2(d)是电池组插件板,电池卡用平顶螺丝固定在基板上。这些元器件插件板的制作工艺同图2(a)元件插件板。

面包示教板连接导线的制作:连接导线是与面包示教板相配套的、用于板上各元器件相互连接的导线,其外形示意图见图3。连接导线选用聚乙烯绝缘电线,导电线芯结构为多股细铜丝软线,例如为17股/0.l6mm,电线最大外径为1.9mm,长度为13mm、150mm、200mm、400mm,颜色为红、黑、蓝、白、黄和绿等各种规格的连接导线。导线的两端焊有香蕉插头,可以直接插入面包示教板的插孔中。

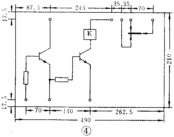
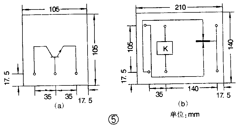
继电器电路组件插件板的制作:图4是被放大了的学生实验用微型继电器电路组件。原微型电路组件是专为国家教委教学仪器研究所编的《初中科技活动选编》配套的实验套件,它由两只电阻器、三极管和一只继电器组成,可以直接插在小型面包板上,让学生实验十几个自动控制的电路。涉及的实验,请参考初中科技活动选编和教参中有关的内容。为了使继电器插件板的尺寸合乎示教板的比例,其尺寸较大,为490×210mm。基板可以选用厚约lmm的绝缘板或有机玻璃板等制作,仍用φ6mm的钻头打孔,喷(涂)上底漆,绘好电路图,安装元器件和进行焊接,其工艺与上述的插件板制作相同。为缩小体积,继电器电路组件插件板也可以做成分体式的,分立的半导体三极管以及继电器插件板,见图5(a)及(b)。在制作中,继电器插件板引出插头的排列顺序,要与学生实验用的继电器引出端位置排列一致。此外,微调电阻器插件板与三极管插接件极的尺寸相同。


数字集成电路插件板的制作:该插件板用于演示数字集成基本门电路、触发器的电路实验。图6为四2输入端与非门74LS00集成电路插件板示意图,尺寸为245×140mm,采用单面覆铜板制作。在元件面上,绘制有74LS00四个与非门管脚接线图,板的中心安装有14脚双列直插式集成电路插座,用于插入或更换74LS00,此外还有用于插在面包示教板上的14个香蕉插头座。在焊接面上,由于连线较多,采用印制线路板制作方法,腐蚀好印制线路铜箔条,再将集成电路插座的14个管脚与相应的香蕉插座端焊通。其他的数字集成电路插件板,例如双D触发器,可按上述方法制作。

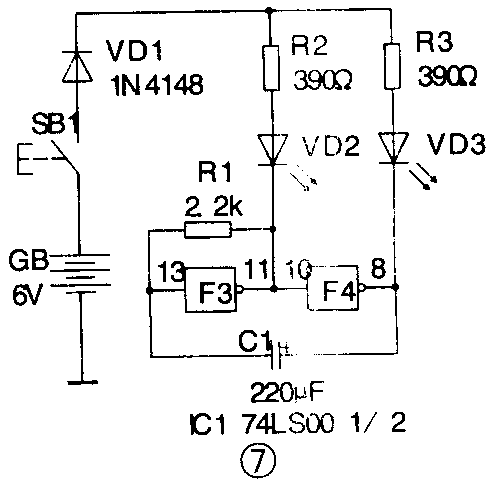
面包示教板的作用:现以数字集成电路与非门(当非门使用)组成的自激多谐振荡器为例来进行说明。振荡器实验电路见图7,其面包示教板连接示意图见图8。示范连接步骤和方法如下:


首先连接好V\(_{SS}\)(集成电路第7脚与地端的连线)和VDD。(l4脚与供给电源+5V的连线)接线,再连接好电源GB、电源按钮开关SB1和保护二极管VDl(1N4148)。建议先连接电阻器R2和发光二极管VD2,并用连接线将发光二极管VD2负极与面包示教板最下一行地端(电源负极)相连,按下SB1,VD2点亮,说明电源供电回路正常。然后再将VD2负极连接线改接到集成电路IC1第11脚,按下SB1,VD2点亮。此时,因为F3的两个输入端空闲悬空,皆处于高电平状态,根据与非门的逻辑功能,F3输出端为低电平,相当于VD2负极接地而被点亮。如果此时再用连接线将F3的两个输入端分别接地,VD2会随之熄灭,说明与非门F3逻辑功能正常。同样,再连接R3、VD3和IC1第8脚连线,接通电源开关SB1,VD2和VD3都应点亮。连通IC1第10和11脚后,由于F4输入端跌为低电平,其输出端为高电平,VD3熄灭。最后,接好定时电阻器R1和定时电容器C2,接通电源开关,发光二极管VD2和VD3自行交替闪亮,说明自激多谐振荡器工作正常。最后,根据实验中所发生的现象,特别是实验中的一些细节,进行验证讲解。例如,细致观察时,将看到发光二极管VD2与VD3亮、灭时间长短不同,可以结合振荡波形图F4的输出端波形——输出高电平的时间比低电平的时间长,因此发光二极管VD3熄灭的时间比点亮的时间长,F4反相前的波形电平正好相反,使接在F3输出端VD2熄灭的时间比点亮的时间短。除此之外,利用面包示教板演示振荡周期的测定方法、定时电路元件数值对振荡频率(周期)的影响等。
以上仅仅是介绍了面包示教板主要插件板的制作与使用的方法,老师们可以根据自己的教学需要,举一反三,加以改进,挖掘利用,扬长避短,使面包示教板成为您得心应手的一种教学手段,形象直观的演示实验教具。(孙心若 关红刚)