频率计是电路设计与修理中的好帮手,可是价格高,体积又大。采用附图所示电路与数字万用表结合,就可以拥有一台读数稳定、准确、灵敏度高、体积小、携带方便的频率计。测频范围为50Hz~20MHz。

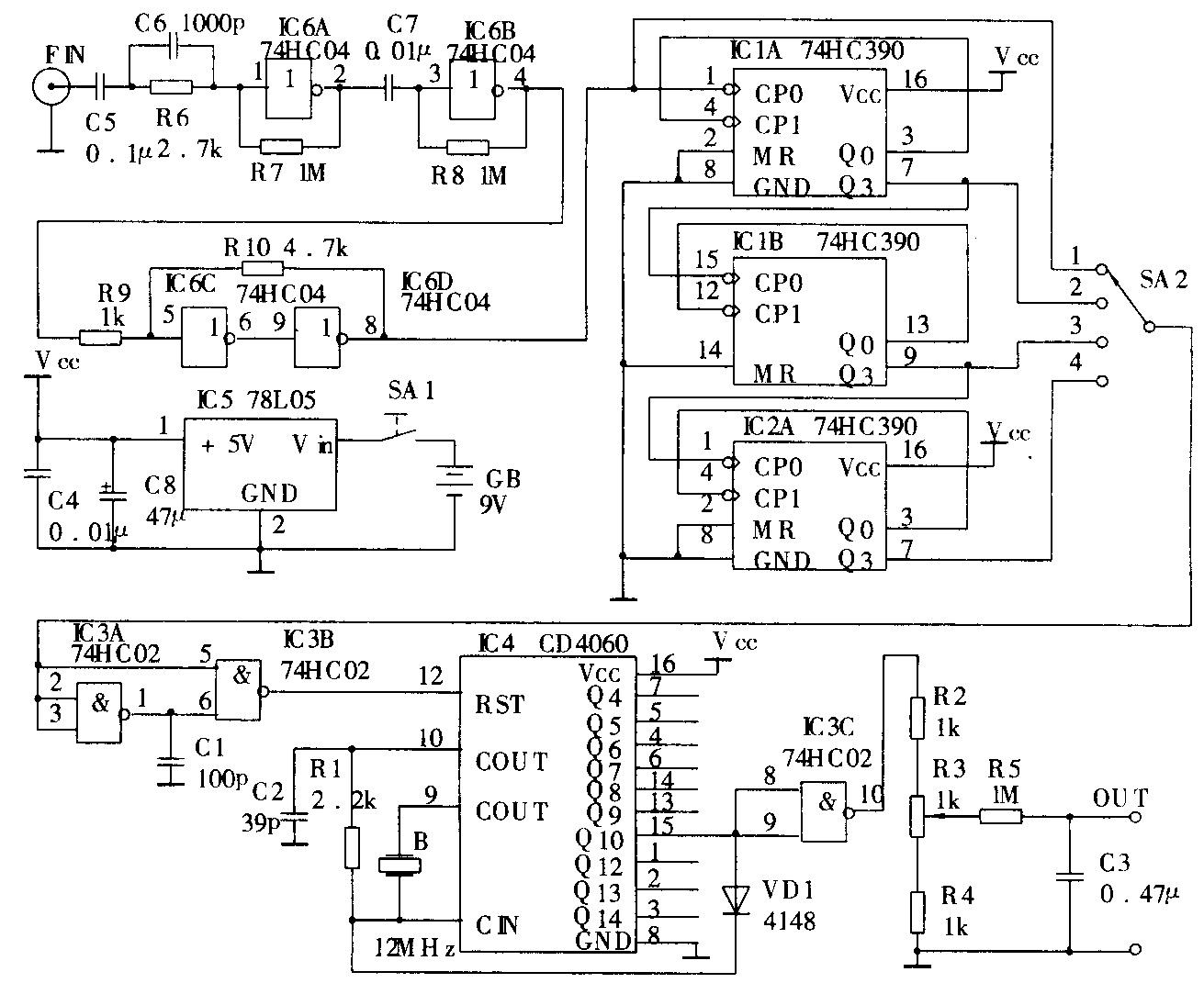
工作原理:首先,被测信号经C5耦合,送入IC6A、IC6B组成的两级放大电路,放大后的信号送入IC6C、IC6D组成的施密特整形电路。放大电路可以提高输入灵敏度,施密特电路可以减少输入信号的毛刺干扰。整形后的方波信号送入IC1A、IC1B、IC2A(双2~5十进制4位计数器74HC390)组成的三组十分频电路,用来对输入信号处理,扩大频率测量范围。处理后的信号送入IC3A和IC3B组成的窄脉冲形成电路。在IC3B的输出端产生一个非常窄的脉冲,用它对IC4(内含振荡电路的14组二进制计数器CD4060)组成的计数器复位。复位后,振荡器和计数器开始工作,IC4的Q10为低电平,反相后IC3C的10脚输出高电平。经过一段固定时间(T\(_{S}\)=512/12=42.67μs,晶振采用12MHz)后,Q10变为高电平,IC3C的10脚变为低电平,同时二极管VD1导通,导致振荡器停振,计数器将保持这一计数状态直到下一个复位脉冲到来为止。重复这一过程,在IC3C的10脚将产生方波输出,它的占空比为Ts/T;平均直流输出电压为V=V\(_{CC}\)×Ts/T=V\(_{CC}\)×Ts×F\(_{IN}\),其中VCC为电源电压,F\(_{IN}\)为输入信号频率值。由于VCC与T\(_{s}\)均为常量,所以输出电压与输入频率成正比。该方波信号经R5和C3平滑后输出直流送入万用表的电压挡进行测量。
由IC5、C8、C4组成稳压电路,输出5V电压为本装置供电。78L05为100mA输出的三端稳压器,采用稳压的目的是不致因电池电压低落而导致精度下降。
元件选择与制作:本装置易于制作,集成电路采用CMOS器件,耗电很小,可以采用万用表所用9V层叠电池供电。晶体可选择12~15MHz范围的小体积普通晶体,波段开关可选用1×4滑动开关,C1、C2应选用高频瓷片电容,C3、C4、C5、C6、C7可选用独石电容,电阻可选1/16W或1/8W金属膜电阻,三端稳压器可用体积小、耗电少、性能好的78L05。整个电路连线比较简单,印制版可自行设计。
校准:波段开关选择1、2、3、4时测量范围分别为19.99kHz、199.9kHz、1.999MHz、19.99MHz。校准方法:输入一19.99kHz信号,将输出接到万用表直流2V量程挡,调整R3使万用表读数为1.999即可。(柳义利 刘海霞)