IH-3605简介
IH-3605湿度集成传感器是一种电容式湿度传感器,它与调整电路集成在一起做在陶瓷基片上,在相对湿度0%~100%RH变化时,相应输出0.8~4V直流电压(典型值);该湿度集成传感器有较高的精度、线性度、重复性及长期稳定性;工作电流很小(5V工作电压时仅耗电200μA),适合于便携式湿度仪;生产厂家提供湿度标定数据,使用户在生产湿度仪时免除再标定的麻烦并节省标定设备的开支;该湿度集成传感器有良好的抗化学腐蚀性;重1.5g。
结构与管脚

IH-3605湿度集成传感器的结构示意图如图1所示。由多孔铂层、热固聚合体(电容介质)及铂电极组成一个敏感湿度的电容器。空气中的水蒸气可以通过多孔铂层进入介质层,使电容量发生变化。经过C/F及F/V变换电路,将湿度变化造成的电容量的变化转换成电压的变化。保护性聚脂层可阻止尘土、脏物进入,并且能抗化学气体的腐蚀。整个集成传感器做在陶瓷基片上,并做出三只引脚,如图2所示。引脚1为电源负端(地);2为输出端;3为电源正端。传感器的尺寸为8.9(长)×3.8(宽)×0.64(高),单位:mm。

性能参数
IH-3605的主要性能参数如下。
V\(_{+}\)=5V;Ta=25℃;精度:±12%RH(0%~100%RH,非凝结)(互换性:±5%RH(0~60%RH),±8%(90%RH)典型值;线性度:±0.5%RH(典型值);迟滞:±1.2%RH(全量程);响应时间:慢流动空气中为30秒;工作电压范围:4~9V,标定时的工作电压为5V;工作电流:5V工作电压时为200μA, 9V时为2mA;输出电压:5V工作电压时为0.8~4V(典型值),在其它工作电压时,输出电压与工作电压成比例;工作温度范围:-4D~+ 85℃。
温度补偿
由于环境温度的变化对湿度传感器有一定影响而造成误差,因此在环境温度变化较大的使用场合要进行温度补偿。温度补偿可按下式计算:
真实RH值=传感器的RH值/(1.0546-0.00216T)式中T为环境温度(℃)。
例如,在85℃的环境温度时,湿度传感器输出电压为3.50V,则其真实的输出电压值应为:
真实RH值=3.50V/(1.0546-0.00216×85)=4.02V
标定值的应用
产品出厂时,每一个湿度集成传感器有两个已标定的数据:0%RH的输出电压值;75.3%RH的输出电压值。由于该传感器有极好的线性度,所以可根据上述两个点画出整个湿度输出特性,如图3所示。用户在生产湿度仪时可按这两个点的电压对电路进行检测、调整,不必再对湿度进行标定(既省事又省钱)。

应用举例
1.简易湿度计
IH-3605湿度传感器输出电压大,无需放大器,直接接0~5V直流电压表即可做成湿度检测仪表(刻度按传感器特性来画即可),如图4所示。由于没有温度补偿,精度稍差。

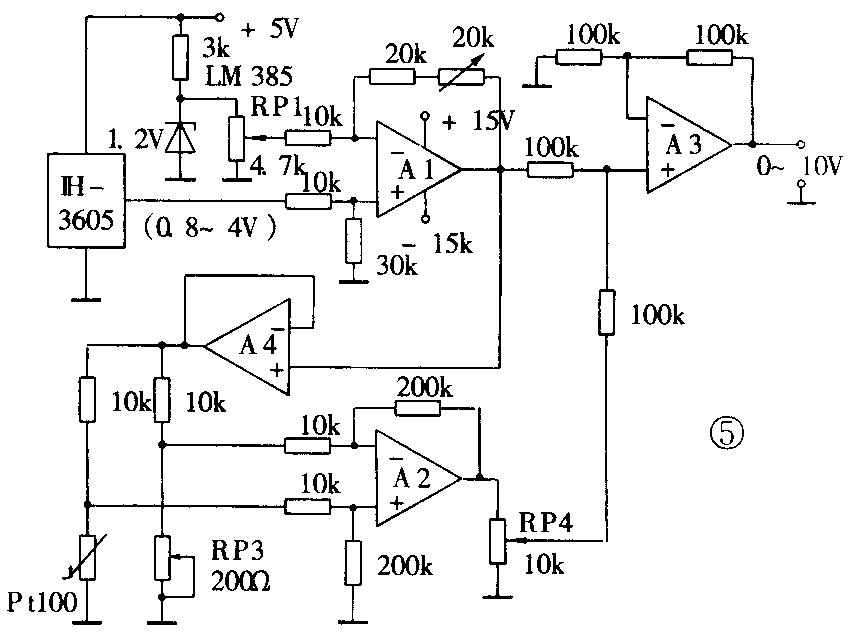
2.带温度补偿的湿度仪电路
一种带温度补偿的湿度测量仪电路如图5所示。在0%~100%RH时相应输出0~10V。IH-3605的输出信号经运放A1处理,使在0%RH时,输出为0V(由RP1输出的电压与0%RH输出的电压相等);在25℃时,100%RH的输出为10V。Pt100铂电阻为温度传感器,经运放A2放大,输出与温度成比例的信号。Pt100及RP3与两个l0k电阻组成测量电桥,其工作电压由运放A1输出提供,以满足图6的补偿特性。A3为加法器,将湿度放大后的信号及温度补偿信号(取自RP4)相加,其输出电压即是经过温度补偿的输出电压。(方佩敏)

