音响产品都包括电源开关、功能转换开关、机心按键开关、波段开关及一系列功能所需要的开关。一般这些开关在中、低档音响产品中采用机械式簧片接通与断开形式来实现某个功能。对于小功率音响产品由于产生的开关冲击噪声较小,一般消费者都能接受,但是对大功率的音响产品,其功能开关冲击噪声比较大,国外大功率音响产品都采用单片微机集成电路形式来控制功能。按动功能微动键时,先进行静噪,待功能完成后,再解除静噪,故不会产生冲击噪声,而对于采用机械式开关的产品,这就需要用一种新的方法来解决此冲击噪声。下面简单介绍我们自行设计的建伍KS-5000音响产品中对各个功能开关冲击噪声的抑制方法。
1.电源开关冲击噪声抑制:
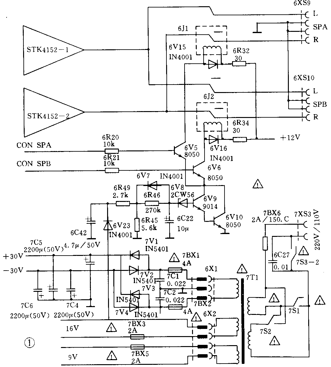
音响产品电源控制开关一般都控制220V交流电源线通断,在开关机时,都存在冲击噪声,当音响功率较大时,其冲击噪声的影响有时会损坏扬声器。通过测量及分析,其主要原因为功放前置端耦合电解电容器上电压不能突变而引起,开机前,电解电容上的电压差为0V,开机后,前级集成电路输出端静态电压突然加上,电容上电压迅速传送给功放放大,形成冲击噪声。建伍KS-5000音座中采取的解决方法,是在功放输出端与扬声器插座6XS9、6XS10之间串接继电器6J1和6J2(见图1)。一开机时,由于6C22电容上的电压原来为0,故晶体管6V9与6V10处于截止状态,继电器6J1与6J2处于断开状态,交流电源通过6V23与6C24整流得到直流电压再经过电阻6R49与6R46给6C22电容充电,当此电容上的电压大于8.2V时,晶体管6V9和6V10导通,则继电器6J1和6J2吸合,扬声器与功放连接,此充电过程时间约4秒,这样就避免了开机时冲击噪声,同时,在断开电源开关时,在整流部分交流电迅速消失,电容6C22上的电压迅速通过6V71N4001整流二极管快速放电,使晶体管6V9和6V10处于截止状态,继电器6J1和6J2断开,而功放及前置电路由于滤波电容上电压的延迟,冲击噪声也延迟一段时间才会产生,而此时继电器6J1和6J2B断开,这就避免了电源关机时冲击噪声。实际上,专门设计了一个特殊的慢速充电和快速放电电路来抑制电源开关功能转换的冲击噪声。

2.功能转换时冲击噪声抑制
音响产品中的功能转换开关一般设辅助输入工作状态(AUX)、CD工作状态(CD)、磁带工作状态(TAPE)、收音工作状态(RADIO)、电唱机工作状态(PHONO)。由于各类状态工作不同,导致相互转换时都会产生较小的冲击噪声。建伍KS-5000音座中2S2~2S6是功能开关(见图2),分别为AUX、CD、TAPE、RADIO和PHONO五挡转换开关,在机械开关三个切点中,其一端接公共输出端,另一端接地,其中间刀位为各个功能输入接口。功能开关采用先通后断形式,它是将各个功能输出端和公共输入端的静态直流电平设计为零电平,操作按下相应的功能键时,原状态为接地零电平;同样在复位功能开关时,在复位瞬间经先通后断使开关同样为接地零电平,这样就保证在输入、输出端无直流电压变化,也就相应地抑制了功能转换时的冲击噪声。通过此电路在KS-5000音座中应用,没有出现功能转换冲击噪声现象。

3.波段开关转换时冲击噪声的抑制
波段开关一般分为调频、中波、短波,波段转换开关主要切换各波段的输入回路和振荡回路。各波段的输入回路和振荡回路状态不一致,故在波段开关转换时有冲击噪声。建伍KS-5000音响中波段开关为1S1~1S3(见图3),分别为FM、MW、SW波段转换开关,此波段转换开关采用特殊的先断后通形式,波段开关在转换时,直流电压通过开关转换的瞬间,加于晶体管1V7、1V8的基极上,使晶体管导通,达到收音输出静噪的作用,无冲击噪声产生,当波段开关功能转换完成后,则在晶体管1V7、1V8的基极上无直流电压,晶体管1V7、1V8处于截止状态,使收音有正常输出。电容1C43为控制静噪的延迟时间常数,调节其容量的大小,使冲击噪声抑制的效果最佳。

另外,双卡连体机心中的放音按键、停止键等键操作时,也有冲击噪声,在建伍KS-5000台式音座中也采用延迟、静噪等方法来消除冲击噪声。通过以上措施,使该机中的21只功能开关,操作中均无冲击噪声出现,满足了消费者的使用要求,为提高产品档次提供了必要的技术保证。(魏志夏)