世界上彩色电视广播有NTSC、PAL、SECAM三大基本制式。我国采用PAL制,美国、日本是NTSC制,法国、俄罗斯以及东欧一些国家采用SECAM制。SECAM制是调频、行轮换制,该制式是法国汤姆森公司发明的,所谓SECAM制就是将两个色差信号分别对两个不同频率的副载波进行调频后的两个信号逐行和亮度一起传送。彩色电视信号被接收之后,要重现彩色图像时,要还原三基色信号,这个过程要由彩色解码器来完成。解码器的主要任务根据各种信号的特点及彼此之间的关系,将它们逐个分离,变成一个亮度信号和三个色差信号。传统的彩色解码电路非常复杂,尤其是SECAM制解码电路,外围元器件多,调整点多,调整复杂,而且需要各种专用信号和仪器,也很难保证调试的一致性和准确性,这样使彩色电视机的彩色还原很不逼真,色彩也不鲜艳,效果欠佳。最近荷兰飞利浦公司推出了一种免调整的全新SECAM制解码电路TDA8395,它采用BIMOS技术,是一种自动校准全集成化的免调整SECAM制解码电路,它外围元器件不多,只需四片电容,应用非常简单,它采用双列直插式塑料封装,16个引脚,排版容易,外围不需任何可调元件,使SECAM制信号的接收变得非常简单,给多制式彩色电视机的生产和维修带来极大的方便,下面对其原理、功能、参数以及应用电路进行介绍。


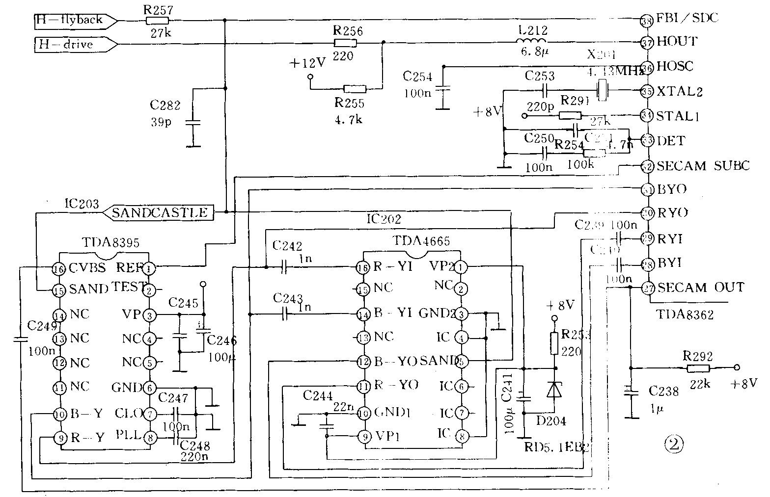
各脚功能、参数如图1和附表所示,应用电路如图2所示,它与飞利浦单片TDA8362和1行基带延迟电路TDA4665可组成一个PAL/NTSC/SECAM全制式彩色电视机,使整个彩色解码免调整。其SECAM制信号流程如下:当接收到SECAM制信号时,单片TDA8362将自动从其(32)脚输出一个4.43MHz的参考信号送到TDA8395的(l)脚,用来校准钟形滤波器和调频色差信号解调器,同时TDA8395的(1)脚为高电平,使TDA8362的(30)、(31)脚无信号输出,TDA8395的(l6)脚输入的全电视信号CVBS经内部的ACC电路,钟形滤波器分离出色差信号加到色差信号解调器,经PLL解调和去加重处理后从TDA8395的(9)、(10)脚输出-(R-Y)、-(B-Y)信号直接到1行基带延迟线TDA4665的(16)(14)脚去完成1行存储复用等处理,然后分别从TDA465的(11)。(12)脚输出送回TDA8362的内部进行矩阵处理,产生RGB基色信号,从TDA8362的(18)、(l9)、(20)脚输出R、G、B信号。TDA8395的(3)脚为直流+8V电源,(l5)脚为沙堡脉冲输入端,此脉冲来自TDA8362的(38)脚,C246、C245为电源退耦电容,C249为耦合电容,用来耦合SECAM制色度信号或全电视信号加到TDA8395的(l6)脚,C247、C248为内部调谐器的滤波。(张玉香)
