在CMOS集成电路中,门电路是构成数字电路的基本逻辑部件,按照门电路的逻辑功能特点,可分为与门、或门、非门、与非门、或非门等。它们可以完成特定的逻辑功能,组成许多实用电子线路。本文将介绍与门、或门和非门的基础知识和简单应用电路。
一、基础知识
日常生活中,人们普遍采用十进位计数制。但是,在数字电路中,却使用二进位计数制来计数,这是由于二进制数在逻辑线路中容易实现。二进制数由“0”、“ 1”两个数构成,对应电路中电平的高低两种状态。通常用高电平代表“1”,低电平代表“0”。这样数字电路中高低电平的变化就转化为二进制数的逻辑运算了。
与门是执行“与”功能的逻辑部件,图1a为二输人端与门的逻辑图(与门还有三输入端或四输入端等),A、B是它的二个输入端,Y是它的输出端,其逻辑关系的特点是:只有当全部输入端都处于高电平“1”时,输出端才为高电平“1”,只要有一个输入端输入低电平“0”,输出端就是低电平“0”。口决为:“有0即出0,全1才出1。”图1b为与门的逻辑真值表。从表中我们可以看出,与门对应着二进制数的乘法,即:Y=A×B,因为0×0=0,0×1=1×0=0,1×1=1。

或门是执行“或”功能的逻辑部件,图2a是二输入端或门的逻辑图(或门还有三输入端或四输入端等),其逻辑关系的特点是:只有当全部输入端都处于低电平“0”时,输出端才为低电平“0”,只要有一个输入端出现高电平“1”,输出端便为高电平“1”。其口诀为:“有1即出1,全0才出0。”图2b是或门的逻辑真值表。

非门是执行逻辑反相功能的电路,图3a为非门逻辑图,其逻辑特性为:当输入端为低电平“0”时,输出为高电平“1”,当输入为高电平“1”时,输出为低电平“0”。口诀为:“有0出1,有1出0。”图3b是它的逻辑真值表。

二、应用电路
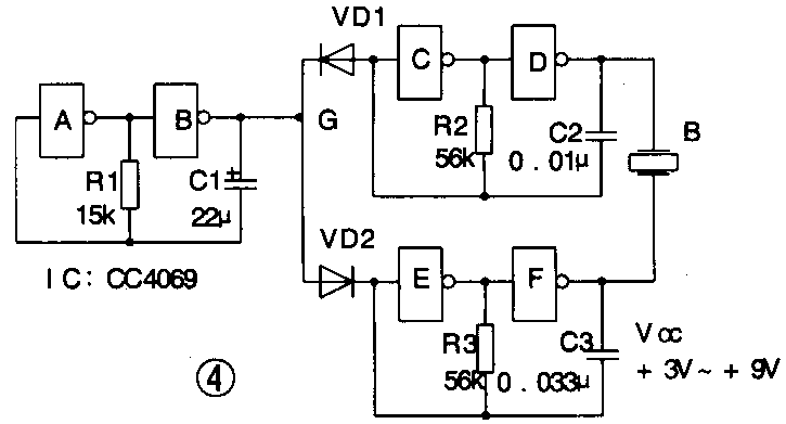
1.模拟救护车声电路
用CMOS集成电路CC4069六反相器可以制成模拟救护车声电路,听起来十分逼真,其电路见图4。用六个反相器分别组成三种不同频率的多谐振荡器,其中,A、B组成控制振荡器,C、D和E、F组成二个不同频率的音频振荡器,VD1、VD2是二个控制端。当控制振荡器起振后G点为高电平时,C、D音频振荡器振荡发声;控制振荡器起振后G点为低电平时,E、F音频振荡器振荡发声。控制振荡器连续振荡时,G点不断变换为高电平和低电平,控制二只音频振荡器交替工作,推动压电片发出如同救护车号笛的声音。

CC4069六反相器引脚图如图5所示,VD1、VD2用1N4001或2CK型二极管,B用直径为27mm的压电陶瓷片,电阻电容无特殊要求。

整机安装在图6所示的印制板上,只要焊接无误,通电就能工作。

2.简易晶体管测试仪
用CMOS CC4069集成块,可以制成简易的晶体管测试仪,可用来迅速判别晶体管的好坏,分辨出PNP型管和NPN型管。
电路如图7所示,整机分为振荡,测试两部分。A、B组成多谐振荡器,产生一个方波脉冲信号,使测试电路获得极性定时改变的电源电压,通过电阻R2,使发光二极管VD5、VD6交替发出闪光。测试晶体管的导电类型时,若被测晶体管为NPN型管,则VD5发光;被测管是PNP型管时,则VD6发光。

如果被测晶体三极管是完好的,在测试电路提供的合适的偏置电压下,晶体三极管能够导通,使相应的发光二极管获得发光电平。如果被测的是PNP型晶体管,当输出脉冲E端为正、F端为负时,被测管基极通过R2获得正向偏置而饱和导通,因集电极与发射极间的饱和压降很小,VD5被短路、VD6被反偏,均不能发光。当脉冲极性变为E端为负、F端为正时,被测管不工作,VD5被反偏,由于此刻PNP型管截止,所以VD6发光。如果被测管是NPN型管,则情况与上面正好相反,VD5会闪烁,而VD6始终不发光。假如被测管质量有问题,出现基极-发射极间断路、集电机-发射极间断路或基极-发射极间短路时,则两个发光二极管VD5、VD6交替发光;如果被测管集电极与发射极间短路,则两个发光管均不发光。
如果被测管的集电极-基极或基极-发射极间短路,该管相当于一个二极管,也会正常导通,造成误判。为了避免产生这种情况,在被测管的集电极回路中接入了由四个二极管构成的网络,它们的作用是防止误测,当VD1、VD2或VD3、VD4导通时,在其两端产生约1.2V的电压降,这个电压与被测管饱和压降相加,其总电压不足以使相应的发光二极管导通。但是,若被测管基极-发射极或基极-集电极只有一个结短路,那么二极管两端的电压降再加上被测管的电压降,一起加在发光二极管两端,却可以使发光管发光。所以,在被测管短路的情况下,两个发光二极管会交替发光。
在元件的选择上,CC4069集成块前面已介绍,VD1~VD4可选用1N4001二极管,其正向压降取0.6V为好,VD1、VD2选用φ3mm发光二极管,为了有所区别,可分别选用红色和绿色的发光管,其它元件无特殊要求。
本电路可按图8印制板制成。调试时,接通电源,当未测晶体管时,VD5、VD6应交替闪烁,当拿只好的PNP型(或NPN)管插入被测管插座时,VD6(或VD5)将闪光,VD5(或VD6)不发光,若两只发光二极管仍交替闪光,说明被测管有问题。在线检测晶体管时,可在被测管插座上连出三根引出线连上三个鳄鱼夹,分别对应晶体管的三个脚,测试方法同上。(程国阳)
