无线电爱好者在制作或修理电子装置时,往往需要对电路进行修改或调整,本文以收音机电路为例向初学者介绍一些这方面的基本知识。
所谓修改电路,就是对电路的结构作合理的改动,对某些元件作必要的增减。电路的调整则是指基本不改动电路,仅更换部分元件或调整元件的参数。无论对电路进行修改还是调整(以下统称修改)都必须以不改变电路的正常工作状态为前提。
一、电路修改的引发原因
在什么情况下需要对电路进行修改呢?一般有以下三种原因:一是原电路的某些性能指标较低,如灵敏度、选择性、输出功率、稳定性、音质等。修改的目的是为了完善电路,属“锦上添花”。二是给旧式收音机更新款式。如将PNP管换成NPN管;将乙类推挽功放改为OCL电路或集成功放电路。修改的目的是为了革新电路,属“鸟枪换炮”。三是在制作或修理中配不齐某些元件而将其割舍。修改的目的是为了简化电路,属“丢卒保车”。对于初学者来说,修改电路多是出于后两种原因。
二、电路修改需具备的基本功
修改电路必须具备一定的基本功。包括:能看懂电路图,了解电路的基本结构;了解各元器件所起的作用及其连接方式;了解直流回路通道和交流信号通道的来龙去脉;能够知晓哪些元件是非有不可,而哪些却是可有可无的。这些都属于电子电路的理论基础知识。
三、电路修改的类型和方式
类型有三种,即“增”、“减”和“换”。
增——就是新增加小单元电路或添加元件。如增加一级前置低放电路可增大功放输出功率;在功放级输出端加装负反馈网络可改善音质;在乙类功放的下偏流电阻上并联热敏电阻器可提高热稳定性。
减——就是省去一些仅起辅助作用的元件,使电路得以简化。如晶体三极管的发射极负反馈电阻器和各种音频旁路电容器、滤波电容器都属于可省元件之列。当然,省去元件后的收音机性能无疑会降低,不得已而为之,实属下策。
换——就是将原电路的某些元件或单元电路加以调换。如将锗管换为硅管;用陶瓷滤波器代换中放管发射极旁路电容器;用功放集成块替换功放管。也可以是将同种元件的参数作适当调整,如将同类三极管的放大倍数β值增大;将三极管的发射极电阻器换小。
修改电路的方式有以下两种:
一次性修改——按意图设计好修改方案,经修改成型后就不再改动。这种方式属“一劳永逸”,多用于新制作组装的收音机。
应急修改——在制作中意外地损坏了某个元件或在修理中暂时缺少某个元件而实施的“减”类或“换”类修改,属“权宜之计”,以后可能还会再作一次“还原术”。这种应急修改方式对于急需修复的收音机是很奏效的。
四、几点修改提示
1.设计修改方案时一定要从理论上论证修改电路的可行性。实施“增”类修改后能否达到提高性能指标的目的;“减”类修改后的电路是否仍能正常工作。
2.关于新增元件所需的具体参数,在无法计算的情况下,可参阅一些产品收音机的电路图。在电源电压相同、晶体管类型相同的机型中,参照产品机电路选取相应元件数值。
3.电路图修改定案后,印制电路板的修改或重制也需要精心设计。一般可在原板上加装空心铜铆钉用于装置新增元件。也可对新增的单元电路另外制作一电路板再安装到原板上。
4.“四不改”——弄不清电路原理时不改;新增元件无法在电路板上装置时不改;没有充分把握时不改;可改可不改时不改。
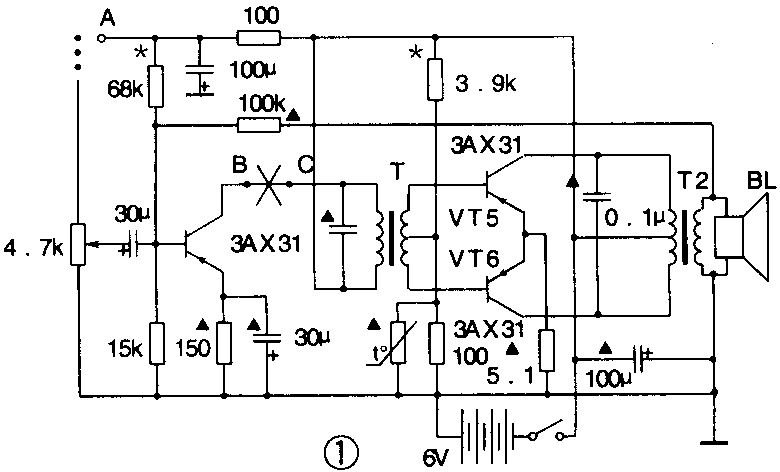
五、修改实例二则
实例1 增加一级前置低放
一台六管收音机低放电路如图1所示。现欲增加一级低放电路改装为七管机。新增的低放电路如图2所示。修改时,将图1中打“×”的BC处断开,将VT4的发射极电阻器换成1kΩ。图2电路可单独制作一小块电路板,安装时接通对应的A、B、C三点即可。调试时将原前置级VT4的集电极电流改为0.4~0.6mA(原为1.2~2.5mA),新增的推动级VT5的集电极电流调为1.5~2mA。新增板与原板的连接线越短越好。


实例2 简化低放级电路
在图1的低放电路中,打有“▲”符号的元件均为辅助元件。这些元件若在制作中差缺或在修理中发现已损坏,则可省去不用(该短接的电阻器须接通)。电路经简化后性能会有所降低,但在使用中正常收听还是能满足需求的。(苗之雄)