日本三菱公司在数字卡拉OK器件制造方面以其优异的性能、独特的混音效果,在市场上占有一定的席位,其中M50195、 M65831产品在国内已普遍使用。本文介绍的数字卡拉OK处理电路M65850P是日本三菱公司1997年最新推出的产品,内含输入输出低通滤波器、A/D、D/A变换器和SRAM静态存储器、时钟振荡器以及自动复位、开机静音、延迟、主控逻辑电路等,内部设置见图1。该电路最大特点是采用ADM方式对音频信号进行A/D、D/A转换处理,并使用内置20KB的SRAM静态高速存储器进行信号存储,此种数字处理方式是用较小的存储容量,也能达到高效低失真的处理效果,属目前性价比高的优秀数字处理方式。在处理环绕声信号时,其总谐波失真小于0.2%,在作卡拉OK混音处理时,其总谐波失真小于1.2%。

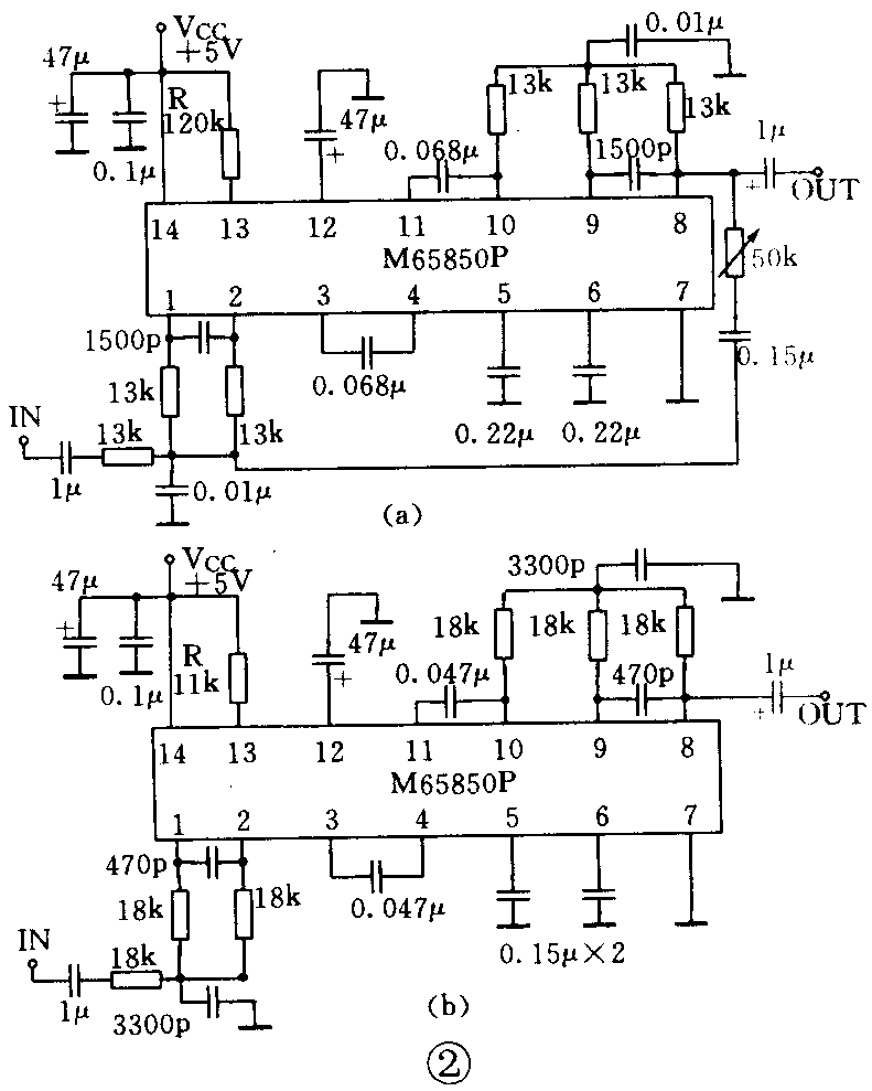
M65850P采用双列直插式14脚塑料封装,各脚功能见附表。典型应用见图2(a)、(b),电路中内部时钟振荡由R调节,改变R值可改变延迟时间。在图2(a)中,R为120k时电路延迟时间约164ms,带通频率约5kHz,主要用于卡拉OK处理电路,在图2(b)中,R为11k时,延迟时间约20ms,带通频率约7kHz,主要用于环绕声信号处理。


图3为M65850P用于卡拉OK的典型电路,可用于改造那些卡拉OK不理想的家庭音响设备。电路中设置有RP1、RP2为话筒音量控制,RP4回响次数深度控制,电路延迟时间约164ms,带通频率约5kHz,RP3为输入音乐信号控制。该电路试听效果演唱层次分明,回音圆润、清晰动听。其混响性能可与M65831比美,而售价则为M65831的一半,确实物超所值。(光阳)
