VCD机在我国已迅速普及,但相应的技术资料,尤其是集成电路方面的资料十分少见,给维修工作带来困难。鉴此,从本期起介绍一组常用VCD集成电路的内电路结构图或功能框图以及各引脚功能说明等资料,以后还将给出部分应用电路及实测数据。由于应用电路和实测数据将涉及到具体机型,故本文以社会拥有量最大的机种之一——新科VCD-320型3碟连播VCD机为例进行介绍。当然对新科其他型号机种大多也适用;对其他牌号VCD机,只要是相同型号的集成电路,一样也有参考价值。
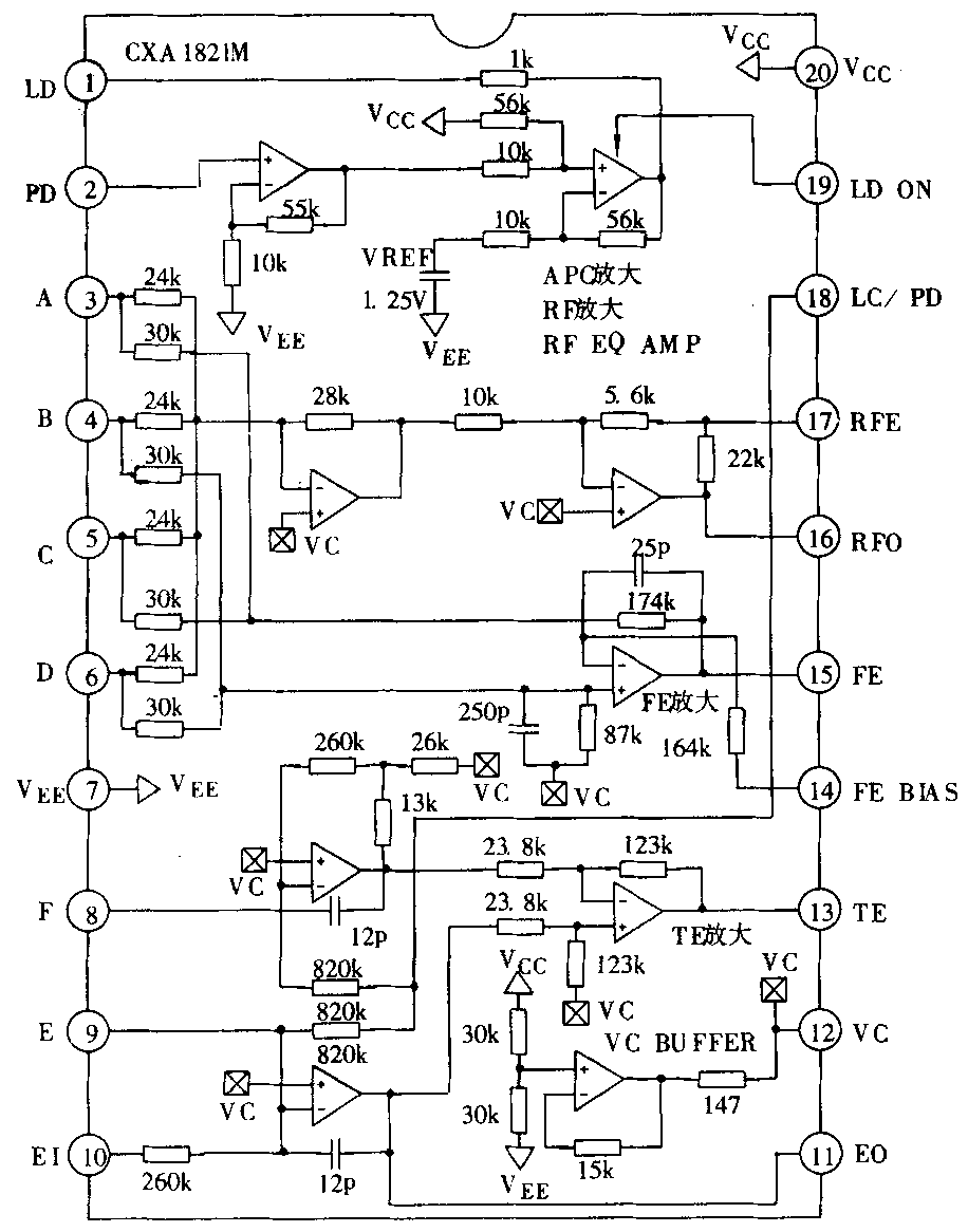
本期介绍的CXA1821M是索尼公司生产的CD(VCD)机专用RF(射频)信号放大器,内含APC(激光功率自控)电路、RF信号放大器、FE(3光束聚焦伺服)放大器和TE(3光束循迹伺服)放大器等,如下图所示。各引脚英文代号及功能说明如右表所示;表中“I/O”代表“输入端/输出端”。


CXA1821M采用20引脚双列直插式塑封结构。其最高电源电压V\(_{CC}\)=12V;最大允许功耗PD=600mW。工作电源电压范围V\(_{CC}\)~VEE可在2.8V至11V。典型应用时可用单电源(+5V),亦可用双电源(±2.5V)。±2.5V电源应用时,其功耗仅为40mW,很低。(王德沅)