发烧友在安装音频放大器或对成品功放进行摩机时,最头疼的一件事是音量电位器。市售的音量电位器质量不高,对于全平衡式的功放来说,要找一致性好的四连电位器也非易事,而要自制可遥控的电位器时更会感到麻烦。本文介绍一种红外遥控音量组件,它采用日本名牌APLS一致性好的四连(双连)带电机(带发光管)的电位器,它可以遥控,还可以用旋钮手控。电位器上的发光二极管能显示即时的音量大小;采用独立变压器供电,减少从原机取电的麻烦,同时也利于组件中继电器控制功能电源的开关。因此本组件所带的继电器可以作为原功放的总电源开关,达到遥控功放电源的目的。利用30功能遥控收发芯片(本电路只用到4功能)的其余功能,读者可以自己去开发用于控制音响的其它部分。、
电路工作原理
电路由发射器、接收控制器、电源、带电机电位器等部分组成。
遥控发射器:见图1。本电路含精美外壳。图中IC1为30功能发射芯片,与图2的IC2配合。图中K1为电源开(控制继电器合),K5为电源关;K3与K7分别控制音量电位器上的电机正转及反转,达到控制音量大小的目的。VD202、VD203、均为红外发射管,采用两管串联是为了增大发射功率。CR201为一个455kHz陶瓷滤波器,与IC1内振荡电路配合构成载频振荡器;与控制信号调制后的载频信号由15脚输出,经VT201~VT203构成的复合管放大后经红外发射管发射出去。


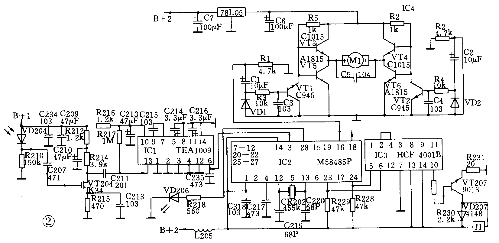
遥控接收器:见图2。VD204为红外接收管,与VT204、IC1构成红外接收及前置放大器。VT204是低噪声场效应管,可以降低噪声,增强接收能力。由IC2、IC3构成红外接收的解码电路,音量增减信号由IC2的18、19脚输出,去控制音量电位器上的电机控制电路。由IC2的23、24脚输出电源开关信号,送去IC3(或非门)转换成开关信号通过VT205控制继电器J1的启闭。利用J1的双刀双掷触点可以用以控制功放的电源或其它用途。音量电位器电机控制电路由VT1~VT6组成。它们构成差动电路。当从IC2的18、19脚两端电平相等时,电机两端的电位相同,电机不转。当按下音量“+”时18脚输出一个高电平(方波信号),VT2导通,VT6导通。电机M1得到正向电流而正转,音量增大。反之,音量减少。本电路电位器从音量最小(关断)到音量最大(开足)共分22挡,且开关机时,18、19脚电平不变,电位器的音量仍保留上次开机时的音量挡不变,省去每次开机必须重调音量的麻烦。且一般有22级的变化,以总衰减量为60dB算,则每一级变化约3dB,这种变化比较合理,容易被大多数人接受。
电源:见图3。原机使用的是一个100V的约2W的变压器供电,为简便起见,采用电容降压,在电源回路中串入一个0.33μF的电容,为防止在安装或维修时降压电容充电后人手误触对人产生麻手感觉,在电容C8的两端并联了一个泄放电阻(470kΩ、2W)。建议有条件的摩机者可换用一个220V电源变压器为好。

安装及使用
本组件共有三件:遥控发射器、接收器、电位器。其中接收器上有一个电位器电机与接收器联接插座,用于插入电位器上的电机引线插头,原插座已定好极性,一般不要随意改变,否则按下音量“+”键,音量反倒减少。电位器的引脚见图4(a)(b),图4(a)中间两排各8个引脚(对于双连电位器则只有一排引脚),引脚与电路的对照参见图4(b),在图4(a)中的LED引脚“+”及“-”即电位器转轴内藏发光管的引出电极,通上电可让旋扭上的小孔能看到光亮,从而使音量大小直接通过旋钮上的亮点反映出来,便于观察以免不小心把音量旋到最大处,而损坏功放及音箱。电位器后端为一电机,引线插入接收器的插座即可。需要自己查找的引线有:1.电源变压器的高压侧引出钱,它用两根电源线(黑色)引出,此线可直接接220V交流电。2.继电器的开关触点引出线,共有6条,可用万用表判别常开常闭触点,对于需用于控制功放电源的,请注意220V的绝缘。另外要注意的是红外接收二极管的受光面,应在功放机面板上开出小孔,让受光面向外,才能接收遥控器来的红外光。(李隆)
