近年来集成功放设计和生产工艺的长足进步使其性能达到前所未有的高度,与一般分立元件功放相比毫不逊色,且辅助功能(如各种保护措施、静音状态设置)更加完善,故已广泛应用于各种中高档影音产品之中。这里向大家介绍一款意法公司(SGS-THOMSON)不久前向中国市场推出的TDA7294,其独特的结构、细腻圆润的音色以及并不高的价格显示出新一代集成功放极强的竞争力。
TDA7294内部主电路分为三级:双极型晶体管构成的差分输入级和场效应结构的推动和功率输出级,这种结构可以综合双极型晶体管低噪声和功率MOS在线性、温度系数、音色上的优势,加上严格的生产工艺,TDA7294具有相当不错的客观测试指标(见附表)。此外,该集成块具有静音(MUTE)和待机(STAND-BY)端子,可以完全消除开关机噪音,标准应用电路见图1。


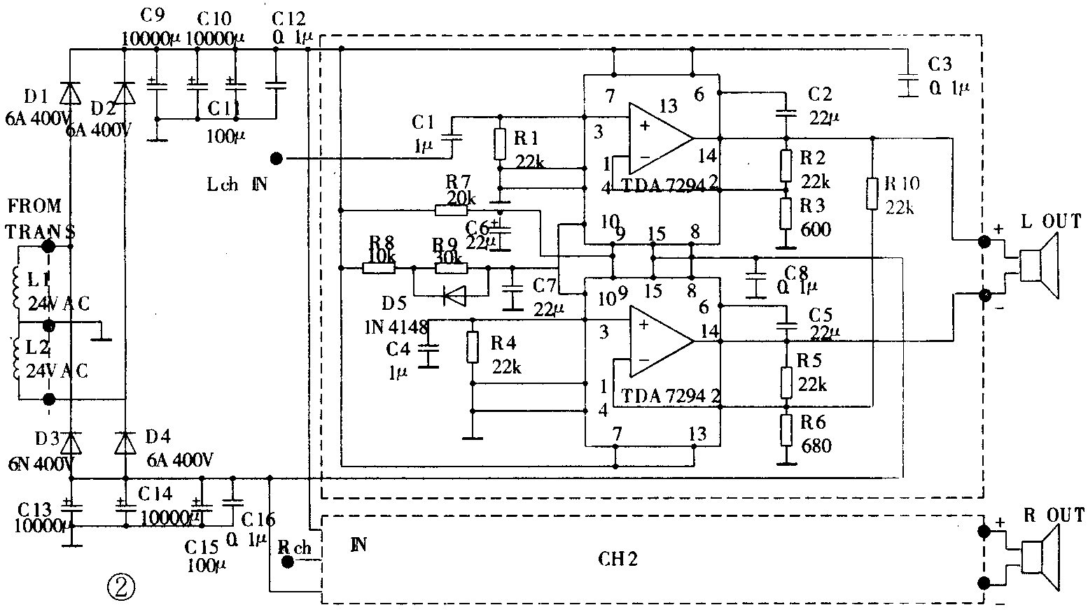
为了满足专业需求(如歌舞厅、剧场等扩音)和少数“疯狂”的发烧友,TDA7294也可以桥接工作(电路见图2),此时,连续输出功率增加到150W(Vs=±25V,R\(_{L}\)=8Ω)或170W(Vs=±35V,RL=16Ω),而其他指标基本不变,但应注意负载阻抗不宜少于8Ω,供电电压也不要高于±35V。

除了客观的测试指标之外,主观听感也是评价一款音响产品是否成功的重要参考。为此,笔者作了如下的听音对比:音源选用飞利浦 DVD840+雅格美V1.2 HDCD解码器,对比功放为三千元价位的雅马哈R-V902,TDA7294,就用图1的标准线路,音箱为音色自然的KEF Q55,数字线、信号线分别为超时空Rrime-Digital和Prime-CD扬声器线用华敏6#,听音室面积约18平方米。听音软件人声、弦乐、动态三类,分别用点将唱片出品的《蔡琴民歌》,DG出品4D录制、穆特演奏之《卡门》,RR公司出品的HDCD试音碟《Tutti》。先放《蔡琴民歌》第10曲《恰似你的温柔》,此曲的伴奏只是两把吉它,而人声录得丰润从容,两台功放的差异较为明显:YAMAHA R-V902呈现典型的AV功放声底——厚重、朴实,TDA7294则倾向欧陆风格——细腻、甜美,R-V902人声口形略小,解析力则是TDA7294占上风;放穆特奏的《卡门》,R-V902由于音色上较暗淡,表现力大打折扣,TDA7294则能很好地体现独奏小提琴的质感、表情变化及伴奏乐器的群感;最后放名满天下的RR公司(参考录音公司)用高解析力CD(HDCD)技术录制的试音碟《Tutti》,该技术录制的HDCD动态范围和解析力较普通CD有所改进,录音水平也比那几张泰拉克公司出品、发烧友几乎人手一张的早期试音碟要高得多。选第16段《图画展览会》之《基辅大门》,乐曲最后的高潮:充满激情的铜管与低音鼓、大钹齐奏,两机均能淋漓尽致地表现这种如山呼海啸般喷涌的力量,同时,乐队各声部基本保持清晰、稳定的声像。对比而言,R-V902的低频更为集中。试听的总体印象是TDA7294有着出色的音乐味,音色圆润而富有灵气,的确代表了新一代集成功放的水平。
需要者请看本期《无线电》插页广告。(朱广皓)