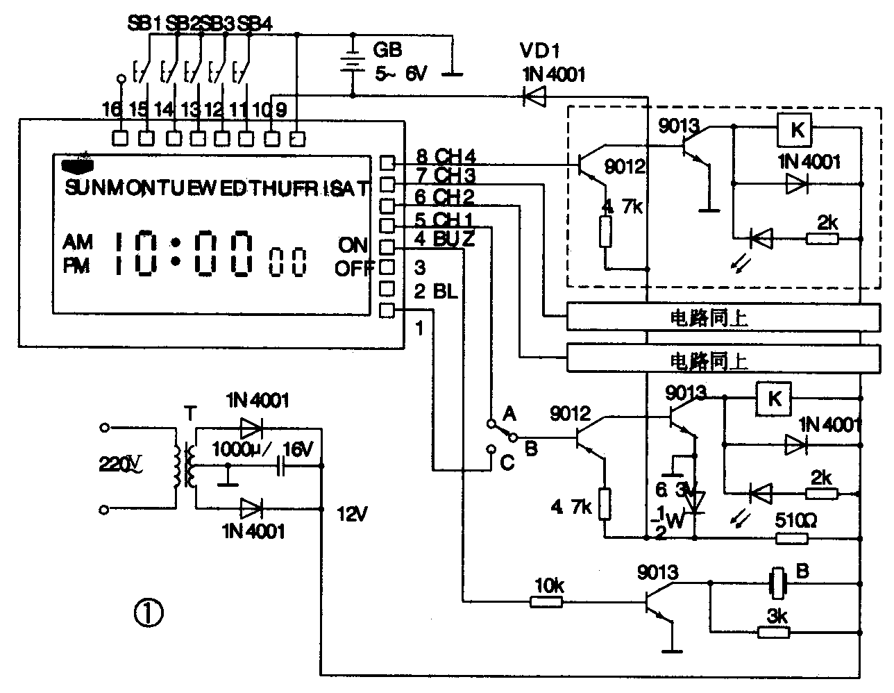
随着高集成度大存储量单片机的问世,我们开发了一种4路多用途可编程定时器模块。这种模块软件设计的最突出的优点是在2路或4路定时控制时每一路的开关次数可任意分配,改变了以往多路开关控制时每路开关次数固定的模式,总开关次数是22开22关,打铃次数为44次。该模块将掩膜的单片机芯片封装到PCB板上,LCD液晶显示器通过导电橡胶(斑马条)连接,直接固定在PCB板上,如图1中方框内所示。用户可根据自己的需要来制作多种规格的定时器产品,它可根据用户设定的时间自动打开或关闭各种用电设备的电源。控制对象可以是电铃、路灯、生产设备、广播电视设备及一切需要定时打开和关闭的电路和家用电器。

多用途44次电脑定时器模块的主要功能:时钟显示时(12小时制)、分、秒、星期、上午、下午;通过短接模块背面的JP1、JP2、 JP3三个短接点可任意选择8种工作模式:(1)1路8开8关;(2)1路22开22关;(3)2路共22开22关;(4)4路共22开22关(多路控制时开关次数可在每一路任意分配,但总次数为22开22关);(5)8次打铃控制;(6)16次打铃控制;(7)28次打铃控制;(8)44次打铃控制。附表列出了实现这8种功能的短接方式,其中“1”表示短路;“0”表示开路。第1~4种定时工作模式可有4种不同的控制方式:(1)周一到周日每天都一样;(2)周一到周五相同,周六和周日不工作;(3)周一到周六相同,周日不工作;(4)每天都不一样。5~8种打铃工作模式每天都相同。也可在第2种工作模式下控制打铃,此时打铃次数为44次,并可按上述4种控制模式工作。主要技术指标:工作电压4.5~6V,工作电流1.6mA,工作温度:-10℃~50℃,保存温度:-20℃~60℃,芯片设计为负逻辑,输出负载电流0.6mA(低电平有效),定时最短时间为1分钟,最长167小时59分。外形尺寸: 61mm×37mm×8mm,液晶显示屏尺寸:50mm×22mm。

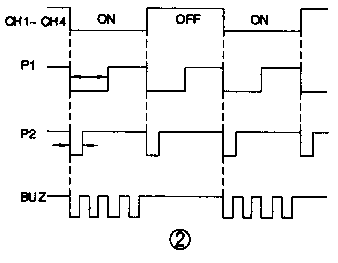
模块面板及引线端子共16个,见图1。各引线端子定义:①打铃控制信号(负脉冲信号,脉宽10s);②脉冲控制信号(负脉冲,脉宽0.25s);③空脚;④蜂鸣信号(音频信号);⑤~⑧4路输出;⑨地;⑩+6V;整机复位端,初始状态为10:00:00 ;模式按键;置数键;零键;转换键;偏压+6V(可不用)。各输出端口波形见图2。

图1是一种典型的综合应用电路,这个电路可实现1~4路22开22关定时控制或44次打铃控制,用户可根据自己的需要选定。电路的电源由交流220V供电(见图1),电池组用充电电池,其作用是当系统停电时,保证设定的定时程序不会丢失。5~8端分别是4路独立的定时输出端口。平时各端回输出高电平,接在端口的三极管(见图1)均处于截止状态。当其中任一路出现低电平时,该三极管导通后,再打开相应的继电器驱动三极管导通,该路继电器吸合,接通相应的被控电路。4端输出的音频信号是在每次开关接通或断开时产生15s的提示信号,经放大后驱动压电蜂鸣器B发声,此信号也可再放大作打铃用。另外控制电铃时将AB两点断开,BC两点短接,此时用继电器的常开接点控制电铃。打铃持续时间为10s。
模块的各种开关定时状态是通过操作SB1、SB2、SB3、SB4四个按键来实现的,11端是复位端,一般设计成暗开关或不用,因为芯片具有上电自动复位功能。(陈九如 姚建华)