CCTD-4C系列解码板是广利公司与SGSTHOMSON公司合作于1997年初推出的第四代解码板。该系列解码板采用贴片安装技术以及新工艺热风整平印制线路板,体积小巧(115mm×60mm),器件紧凑有序,功耗低且加装简便。
CCTD-4A型解码板已经用金属屏蔽壳封装,它通过CXJ1、CXJ2这两处接口与电视机配接,仅适合国内电视机整机厂用于三基色类型的电视机安装。CCTD-4C2型解码板是以4A型解码板为核心,并且装上了由AN5352构成的三基色变色差转换电路。与第三代CCTD-3C系列不同的是AN5352第4脚的行频脉冲,不再从解码板上经分频获得,而是另辟蹊路接在了解码板CX1电源插座中的第3脚,即行频脉冲输入端。这一点关系着色差型接收机加装的成败与否,当然,三基色类型的电视机则毋需考虑。图1示出了CCTD-4C2型解码板的结构图。

CX1为电源接口,其中12V电源只供给AN5352,而第3脚则需要输入一个行频脉冲头朝上的信号,供AN5352做消隐脉冲。当然,这个行脉冲还经整流、滤波、稳压得到5V电源。在三基色型彩电加装过程中,12V电源、行频脉冲毋需接入,只将5V电源加上即可,色差型的彩电,则不能省略上述安装步骤。
CX2为视频及遥控信号输入接口,在电视机电原理图中,我们均可直观地看到经6.5MHz陷波之后的视频信号测试端子。幅度在1.5VP-P左右,负极性即同步头向下的视频信号,均可直接引入解码板CX2的第1脚。注意,取点不要的视频信号和不恰当的视频信号幅值容易造成误码率过高,从而降低图文的收视质量。CX2第4脚RI为遥控信号输入接点。如果是解码板附带的遥控器不能控制的彩电,那么RI线可直接焊在彩电遥控信号输出端上,RO线可拆除。
CX3、CX4分别为色差型彩电亮度信号和色差信号的输出、输入接口。CX5、CX6则为图文三基色信号输出、屏显信号输入接口。对于有些三基色类型的彩电,如汤姆逊、飞利浦6050等,无屏显信号,CX6不接,但CX6的BLX应接地。
加装实例
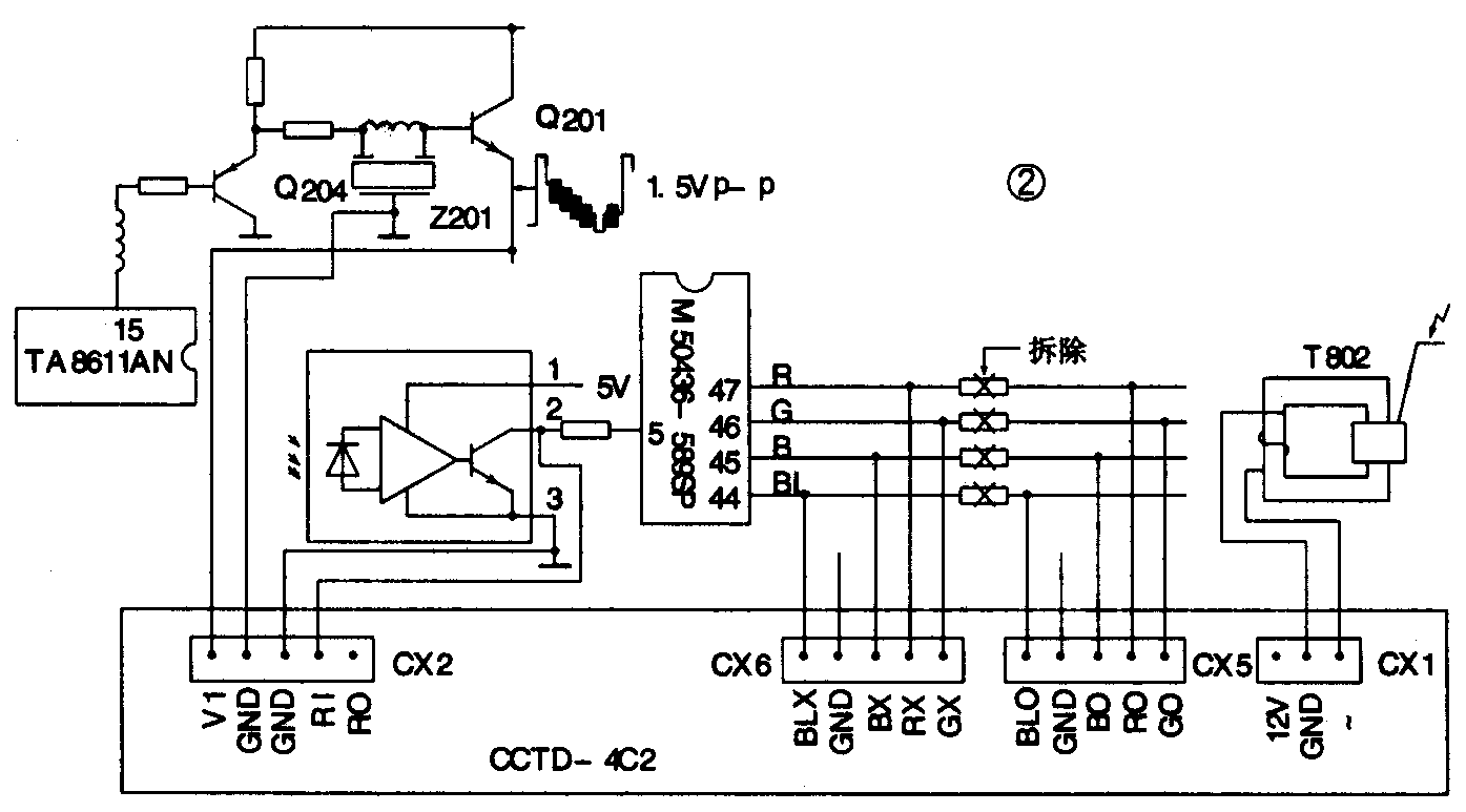
一:东芝218D6C型彩色接收机,图2是其加装连线图。CPU型号M50436-589SP,屏显R、G、B及BL切换电压分别为47脚、46脚、45脚、44脚,插件CX6连线依次接入上述引脚。焊下RA49、RA48、RA47、RA46这四只电阻,插件CX5连线对应接在上述电阻的另一端。GND线焊在色解码块TA8616N的50脚处。插件CX2的VI与GND线接在视频射随器Q201的发射极和其附近的公共地端。RI线、GND线接在该机接收头的2脚与3脚,RO线取出。插件CX1的12V不接,原机虽有5V,但容量不足,只好在行输出变压器磁芯上顺绕两圈,用万用表交流10V档,测出其相应的高端,并将其接在插件CX1的第3脚,低端接在CX1的2脚。该型彩电加装极易,全过程操作时间不足50分钟。

二:汤姆逊5114DK彩电,典型欧洲产品,机上带有21针插座,图3是其加装连线圈。在CCTD-4C型解码板说明书的30页、39页分别刊出加装说明和接线图。本文将做如下补充:该彩电21针插座R、G、B输入端子,必须是在切换至AV状态下方可输入有效,但此时原视频信号被切断,亦无外同步信号,图文显示将以行场失步的状态出现。按图中所示,将解码板上的同步信号经衰减后引至原机21针插座第20脚即视频输入端。如此处理不会影响该机的正常收视,且图文效果良好。

在色差型彩电加装实例中,TA两片机加装较简便,效果不错。但某些机型如牡丹49C1型彩电加装后,图文显示尚可,电视效果较差,这一般是机型差异造成的。另外,以前装过机内遥控板的彩电,最好不要再装此解码板,否则会因相互干扰而影响彩电的正常收视。(刘福胜)