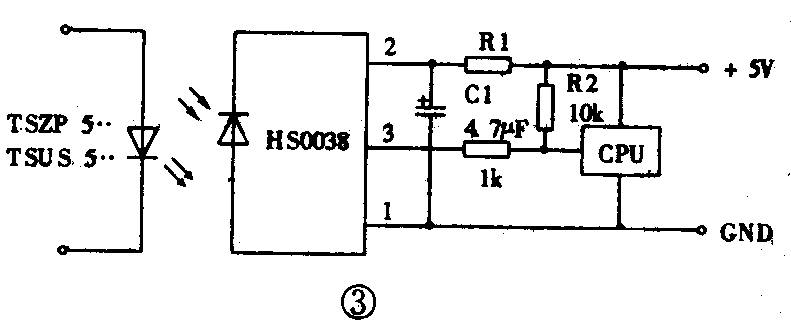
红外线遥控系统已成为彩色电视机不可缺少的一个部件,它使电视机的使用非常方便,用它可完成电视机的各种功能的遥控操作。作为红外遥控接收器来说,必须有高灵敏度和抗干扰性,以保证它正确无误的使用和遥控。为此以前很多电视机的红外遥控接收器(接收头)电路做得非常复杂,体积较大,而且为了更好地接收效果和抗干扰而外加金属屏蔽罩,这样对于安装、使用、维修以及防潮性都不利。现在介绍一种全新、全塑封、高度集成的一种新型红外遥控接收光电模块HS0038,其体积和一只2SC1815三极管大小差不多,这种新型器件是由德律风根公司设计和制造的,它的外形见图1,内部原理图见图2,应用电路如图3所示。



HS0038虽然从外形来看,只有一只三极管大小,但其内部高度集成了输入电路,传输阻抗放大器,自动增益控制电路,短脉冲控制电路,长时控制电路,比较器以及施密特触发器等,由内部原理方框图可以看出其信号流程:红外线接收二极管接收到的光电流的交流分量经传输阻抗放大器的放大转换成电压信号输入到自动控制放大器,在自动控制放大器内部完成长时控制,干扰抑制,带通滤波器的选频,改善信噪比,并在比较器中进一步提高抗干扰性,经施密特触发器整形,最后输出标准的RC-5遥控代码加到微处理器去完成对彩色电视机的各种控制功能。在应用电路中R1C1(R1=330Ω,C=4.7μF)是用来抑制HS0038供电电源中的干扰,如预计不会有这种干扰可以省略,R2是任选负载电阻,最小值为10kΩ,在实际应用中可以内部的100kΩ并联使用,但一般情况下可省略,②脚直流电源为+5V,可直接由电视中三端稳压器L7805供给,在输出脚③中应串一只1kΩ的碳膜电阻。
经实践证明,HS0038作为红外线遥控接收光电模块是新一代高灵敏度、高集成度的红外线遥控接收前置放大器,这种较为理想和先进的器件在红外线抗干扰能力和灵敏度有质的飞跃,它可以代替目前国内各种彩色电视机、空调器、录像机、VCD等家用电器中的其它红外线接收器,并将越来越广泛地得到应用。(张玉香)