在录音机的修理过程中,常常遇到电机稳速IC的损坏问题,例如查阅手边资料未能查到有关参数或遇到不易购买的电机稳速IC。这时可通过对其稳速电路进行分析,同我们身边现有的比较熟悉的电机稳速IC及稳速电路进行比较,然后经过适当的处理对易损坏的电机稳速IC进行代换。现以电机稳速IC BA6220为例介绍电机稳速IC代换方法。
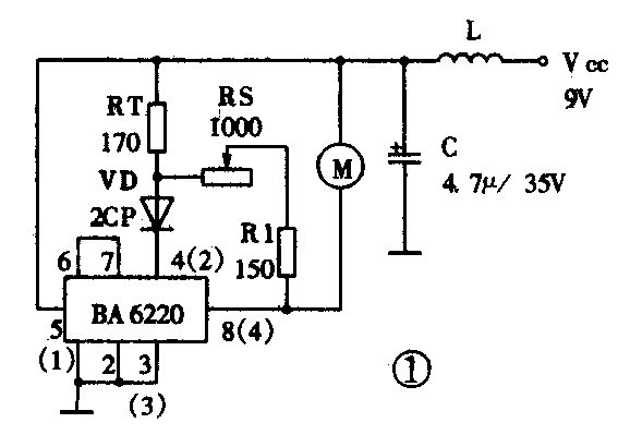
首先对电机稳速 IC BA6220稳速电路进行剖析,根据实物绘出BA6220电机稳速电路,如图1所示(括号内为μPCl470H脚号)。然后,把电路图与常见稳速 电路进行比较,通过比较发现BA6220电机稳速电路与μPC1470H、 AN6651、 LA5537电机稳速电路结构相同,查得手边拥有的μPC1470H的参数,如表1所示其应用电路见图2。确定μPC1470H完全可以代换BA6220,管脚对应关系如表2所示。为了使代换获得成功,需根据稳速IC的工作原理进行验算,一般要求 RT< K×RM,在实际电路中RT=(0.6~0.9)K×RM,RT为反馈电阻,K为所用稳速IC的分流比,RM是电机绕组电阻值。如果RT大于K×RM,则稳速电路容易产生自激振荡,使电机转速产生波动现象;RT如选得太小,则稳速电路效果变差。在图1、2的应用电路图中,RS是控制电位器,用于调整电视转速,一般不大于1kΩ,D是保护二极管,用于防止稳速IC内部驱动管被电机的反峰电压击穿,常选用ZCP型二极管,电容C起退耦作用,用于稳定电路的性能。




下面就谈谈具体代换步骤。
(1)检查一遍原调速板上的其它元器件好坏情况。
(2)测出电机直流电阻值 RM。用万用表 R×1挡测电机电阻值,测得RM等于9Ω。
(3)计算RT值。 RT= 0.9K ×RM= 0.9×20×9=0.9×20×9=162Ω,因原板上 RT为 170Ω,故 RT不需更换。
(4)根据μPC1470H的外型大小,在原印制板上找到合适的安装位置,把μPC1470H的4脚插入印制板上原BA6220的8脚孔内焊好,再用导线按表2给出的两个集成块对应脚接好,检查无误后接通电源,调整调速电位器RS的大小,转速调整范围正常,故不需更换RS。
(5)把电机装上原机心,仔细调整转速,使之正常。
当今录音机的品种很多,其关键部件电机的维修也是一个很重要的问题,本人了解到的电机稳速电路 就达50种之多。本人建议对工作于4.5~15V电压范围内的稳速电机,优选常见的μPC1470H作备件,基本代换方法同上述(1)至(5)的代换步骤;对于机械稳速电机,可照图2应用电路进行更换;对于使用分立元件和其它稳速IC的电机,可留下原电感、电容、可调电阻,拆掉其他元件,然后找一空间固定 μPC1470H,接好连接即可;对于3V电源的电机则选用D552lD稳速电路作备件。(成开友)