播放录像机影碟机等音像设备的节目时,信号从电视机AV(音频视频)端口输入比从其射频(IF)端口输入能获得较高质量的重放图像。早期生产的不具备AV端子功能的遥控彩电已不适应这一要求,而且现在有线电视网传送节目套数大大增加(达50余套),使这些早期彩电的节目预置套数(大多在40套以下)比较紧张,用AV功能放像便可节约出一套预置供着其他电视节目。要充分发挥这类彩电的作用,应为其增加AV输入输出功能。彩电加装 AV端子后,一般是用一只开关进行AV/TV功能的转换。本人给长虹CK53A彩电加装AV端子后开发了本机AV键控功能及遥控器(手机)的遥控功能,使用效果令人满意。
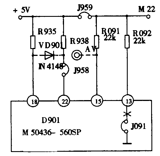
长虹CK53A彩电(M11机心)没有AV端子。由于它采用的是三菱M50436-560SP遥控系统。M50436-560SP有较丰富的AV控制功能(有TV、TV/AV、 TV/ AV\(_{1}\)/ AV2、 TV/ AV\(_{1}\)/ AV2/RGB四种工作模式)。只要对原电路稍作改动,便可实现本机键控及遥控器的AV控制功能。要改动的电路如附图所示。图中符号“×”为线路切断处,图中虚线部分为增加的元件。虽然随机线路图及印制线路板图纸中没有此部分内容,但在实际的印制线路板中都留有这部分元件的位置,这便为改制提供了方便。

(1)改制方法如下:
首先将CPU板上D901(M50436-560SP)脚由接地改接一只22kΩ电阻上拉到+5V,即把D901脚与地之间的连接跳线J091去掉(断开),在R092位置上补焊一只22kΩ电阻。在D901脚与+5V之间即R091位置上补焊一只22kΩ电阻。加装的AV端子的AV/TV遥控控制线信号由D901脚即图中“AV”位置引入。在D901与之间即VD901位置上补焊一只开关二极管1N4148,接二极管正极。
(2)本机键控使用说明:
本机键控板上的AFT开关按钮兼有AV/TV转换功能。在预制状态时,此按钮为 AFT ON/ OFF功能开关:在正常工作状态时,此按钮有AV/TV转换功能。而且在AV状态时,屏幕上有“AV”字符显示。
(3)在遥控器中的芯片M50462AP⑦脚与之间接一只开关按键,便可实现遥控器的AV/TV遥控转换功能。遥控器上虽未设AV/TV转换按键但也留有此键位置。即在按键“OFFTIMER”下方,在按键“2~”右边的空位置便是“AV/TV”功能按键位置。改制方法如下:
在此位置上开一长方形小孔(3×8),再用废旧计算器或遥控器上的按键(带有导电橡胶)放此位置上,并粘贴固定好,便可遥控操作使用。(马仁斌)