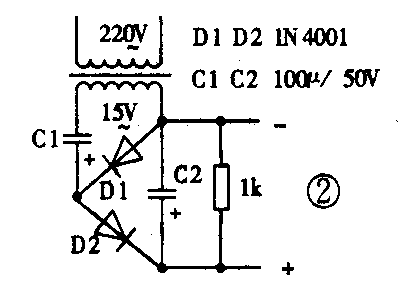
(张国华)本文介绍一种简便易行的测试标记不清的稳压管稳压值的方法。用一台0~30V 稳压电源与一个1.5kΩ电阻,按图1连接。测量时,先将稳压电源的输出电压调在15V,用万用表电压挡直接测量VD两端电压值,读数即为稳压二极管稳压值。若测得的数值为15V,则可能该二极管并未反向击穿,这时可将稳压电源的输出电压调高到20V或以上,再按上述方法测量。对于没有稳压电源的电子爱好者,不妨用一只15V的变压器制作一个简单的整流电源,再用上述电路测量。当然测量超过30V的稳压二极管时,应该将简单的整流电路搭成倍压整流电路,见图2。

