该抢答器巧妙地将光耦集成块与单向晶闸管衔接,成功地实现优先抢答、强斥分路、音响提醒、数字显示的功能。
工作原理
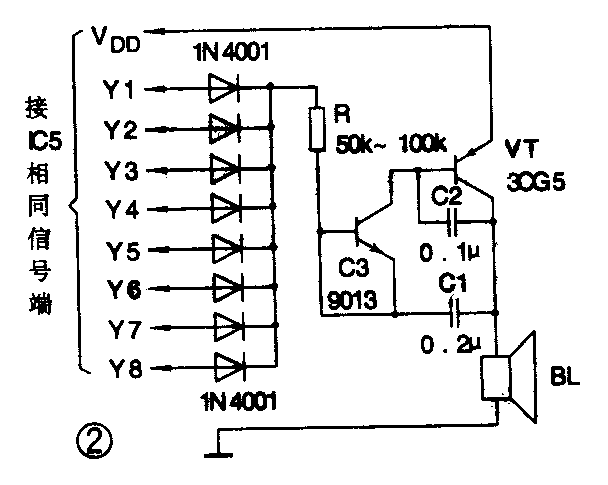
图1为电路原理图。S1~S8为自复式分路抢答按钮。S9是供主持人用于清除抢答信号的自复式常团按钮。R10、VD9组成二次稳压电路,为抢答提供晶闸管的触发电压。电阻R11的作用是:当所有晶闸管截止时,给阴级送低电位。IC1~IC4为双光耦集成块。由于每次只会有一个小组获得抢答权,取用R9作公用限流降压电阻。VD10的设置,确保优先抢答成功后,此稳压管自动进入稳压状态,使晶闸管阴极可靠地箝位在这一稳定电压上,强行封锁其它分路,使之无法启动。IC5为数字显示译码集成块。该集成块输出电流大,可直接推动LED数码管显示。但请注意:IC5的V\(_{DD}\)和GND的引脚号与常规集成块不同。另外,IC5所有输入端(Y1~Y8)为低电平时,数码管并不显示“0”,而是处于全熄状态,LED为共阴极数码管。音响电路输入信号来自IC5,见图2。


主考发布抢答令后,若第四小组抢先按下S4,则VD9上稳定的3V电压经S4、VD4、加至VS4的控制极,再通过其阴极及B11到地构成回路。VS4因控制极获得触发电流立即从截止转为导通。VS4导通后产生了下列作用:(1)使VD10进入稳压状态,晶闸管的阴极电压被钳位在3V。所以滞后于S4按下的任何按键,均会因晶闸管控制极得不到触发电流而无法导通工作,有效地实现了优先抢答强斥分路的功能。由于单向晶闸管一旦导通,控制极就失去控制作用。所以,VS4处于导通状态后,跟S4的按入与松开毫无关系。(2)IC2的1、2脚间发光管发光,使6、5脚的光耦三极管导通。+12V经导通的光耦管加至IC5的Y4输入端,经译码后使显示头显示数字4。同时,Y4为“1”又使音响电路获得基极偏流而启动工作,扬声器发出响声。第四小组将以数显和音响双重信号以示获得抢答权。主考听到音响,待看准显示数后按一下S9,则电路因电源的中断而自动复位,音响消失,显示头熄灭,为下道题的抢答做好准备。
元器件选择
IC1~IC4为MCT66双光耦集成块,每片集成块完成两路抢答任务。IC5为CH233 CMOS集成块。显示头选用LTS547R共阴极数码管。上述元器件的出脚顺序及内容如图3所示。VD9、VD10选用2CW101硅稳压管。由于VD9、VD10稳压值离散性的客观存在,请将稳压值偏大的作VD10使用,以确保电路工作正常。VS1~VS8选用3CT 0.5A微型小功率晶闸管。VD1~VD8选用1N4148开关二极管。所有电阻功率皆为0.125W。


图4为整机外形示意图,使用前,由各小组依次按下抢答键,以得知各组对应的抢答号。使用时可依实际参赛小组如数插入按键插头。(金有锁)