一、填空题(每题6分)
1.图1电路中,电流表的读数为______安培。

2.图2的两电路(a)是______路;(b)是_____路。

3.图3的电阻器阻值为______欧姆,误差为_______。

4.图4中两种不同的半导体三极管,(a)为_______型,(b)为______型,在图上标出各极符号。

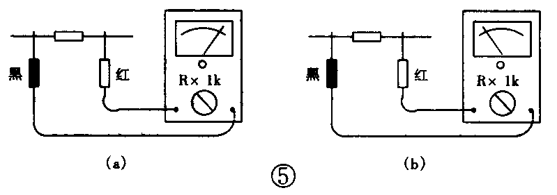
5.标出图5所示二极管的正负极性。

6.测量电路中的电流时,电流表应______联在被测电路中;测量电压时,电压表应_______联在被测电路上。
7.半导体三极管的β值为80,现已知图6中三极管_______极电流为0.04毫安(mA),标出另外两个极的电流大小及方向。

8.在收音机电路中,电容器用来顺利地传送________信号,并可靠地隔断__________电流。
9.万用电表平时不用时,不能放在_______挡位。
10.焊接电子元器件,宜采用__________焊剂。
二、是非判断题(你认为对的打√,错的打×;每题4分)
1.同一阻值的电阻器,通过同样的电流,它们的额定功率越大,使用中耗电越多。()
2.电解电容器有正、负极性,所以不能用它传送交流信号。()
3.图7中,三极管发射极管脚断了,但集电极和基极可接入电路作二极管使用。()

4.图8的照明线路中,电源开关应接在火线上。()

5.收音机的检波器大多使用锗二极管。()
6.图9所示的发光二极管实验电路中,发光二极管可以发光。()

7.半导体三极管的β值选得越大,三极管放大电路的放大能力越高。()
8.电感器有阻止交流电通过的特性。交流电的频率越高,电感器呈现的阻力越大。()
9.图10是两个电容器的串联,串联起来以后,总的电容量比任一单个电容器的电容量都小。()

10.洗衣机的金属外壳上装有一根地线,为保证安全用电,可以把这根地线与室内的暖气管道牢固地接在一起。()
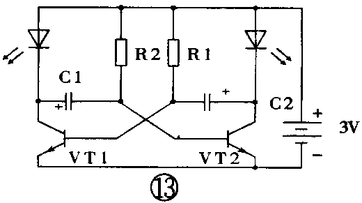
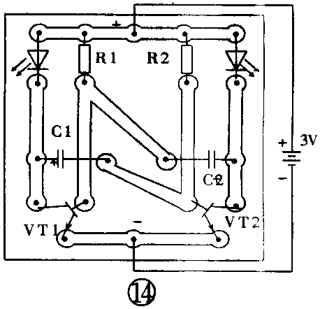
三、焊接多谐振荡器(眨眼小动物)
这是一种适合初学者制作的电子玩具。将两只发光二极管装在各种玩具小动物的眼睛上,接通电路,两只“眼睛”就轮流眨起来。
电路由8个元器件组成一个对称的多谐振荡器。两只三极管轮流导通,两只发光二极管也轮流发光。电路使用2节电池。
三极管为9014塑封管,图11是它的符号及外形图,注意它的管脚排列。图12是发光二极管的符号及外形图。电容器为33μF~220μF的电解电容器。电阻为51kΩ (色环为绿、棕、橙)。


图13是电原理图。图14是电路板安装图。安装时注意元器件的极性不可搞错。当电容器容量较小时,发 光二极管闪烁得快,当容量较大时,发光二极管闪烁得就慢。

