按语:中国无线电运动协会为了推动业余无线电台活动更深入的发展,重点是在学习电子技术知识、增强动手能力等方面有所前进,特推出一套收信机散件,作为1998年全国青少年业余电台竞赛和分区赛装机比赛项目的指定器材。同时也可作为各级组织和广大爱好者进行无线电工程制作学习并开展评比竞赛活动的套件器材,特介绍给大家。
本机接收频率范围为业余波段7.0~7.1MHz,中波波段535~1605kHz。业余波段可接收单边带(SSB)及电报(CW)信号,中波为调幅(AM)方式。
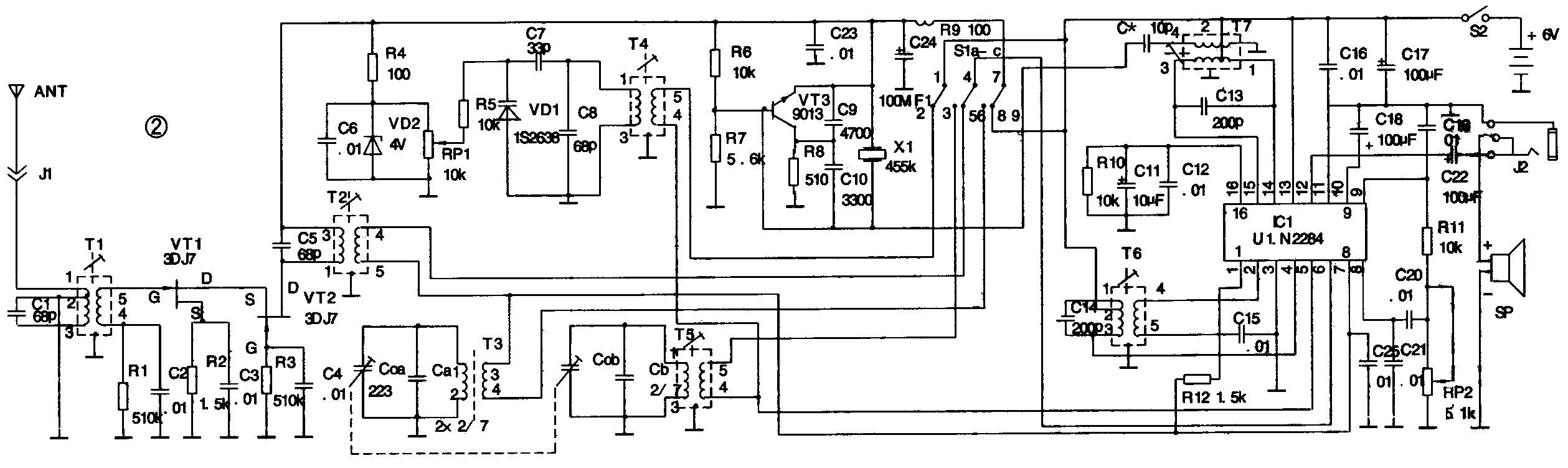
方框原理图见图1。本机核心是单片收音机集成电路ULN2204。为解决业余电台信号远小于广播电台信号及多为“单边带”、“电报”调制方式等特点所带来的问题,设计了“高频放大”及“差拍振荡”电路。

一、业余波段工作原理
1.高频放大部分
图2为本机电路图。信号经天线插座J1进入。T1与C1及外接天线共同组成的谐振回路谐振于7.050MHz左右,对信号进行预选。两只场效应管VT1和VT2构成了“共源共栅”级连放大器。被直接放大了的信号由VT2的漏极(D)输出到T2。T2的中心谐振频率也是7.050MHz,这对放大了的高频信号进行再选择并通过波段开关的5-4端送往集成电路IC1的第6脚。R1、R3分别为VT1、VT2提供一个栅负压,而R2控制了流过两个管子的静态直流电流。C1、C5分别为两个高放回路的谐振电容。

2.本机振荡部分
T4、C8、C7及变容二极管VD2构成本振谐振回路。电位器VR1经R5给VD2提供了一个0~4V可变直流电压,用以控制VD2的结电容、改变本振频率。由于本振频率直接影响到收信稳定性,所以电路中增设了3.9V稳压二极管以及R4、C6两个滤波元件。本机振荡信号经T4与中波振荡线圈相并接的4门送到IC1的第5脚。
3.变频及收听信号的选择
高频信号和本振信号一起送进集成电路的变频器。接收到的各种信号与本振信号分别产生出它们的差频及和频。第一中频变压器T6谐振于456kHz,前面所说的两个信号中,只有两者频差刚好等于456kHz的信号可以通过,其它的都“落选”。
波段开关的1—2和7—8相通的时候,电源与高放及短波本振电路联通;把波段开关弹出,这两部分便停止工作,整机转为中波收音。
4.中频放大器。
IC1内部包含了一个增益较高的中频放大器,将第一个中频变压器T6初步选出有用信号放大,然后再送到T7第二个中频变压器,再一次选频。
5.差拍振荡器与差拍检波。
普通的调幅(AM)收音机,只要有了中频信号,ULN2204集成电路就可以轻松地将其通过内部的检波器及音频放大电路将广播信号还原。但业余电台不同,其语音信号大都为“单边带”方式的信号,电报信号则是本身不含音频成分的断续的高频等幅波。这些信号用普通的检波方式处理只能得到一些含混不清的噪声。这是怎么回事呢?原来,当发送端(即发信的电台)将语音信号与高频信号混合在一起的时候(即调制过程),得到的是“一群”信号。比如我们只发一个1000Hz的单音,与7.050MHz高频“混合”,得到的信号至少含有三个频率成分:7.051MHz(7.050MHz+1000Hz,即上边频)、7.049MHz(7.050MHz-1000Hz,即下边频)及7.050MHz本身(即基频)。检波器只有在得到上述完整的“信号总和”后才能还原出(即解调过程)1000Hz单音。单边带方式为追求高效率,在信号发射之前进行了“精减”,只发7.049MHz下边频。这时接收端需要自行产生一个7.050MHz或7.048MHz的振荡信号。我们需要细心地调整振荡器,以能听清对方讲话为准。
本电路中三极管VT3以及C9、C10、455kHz双端陶磁滤波器X1、R6、R7、R8构成了一个晶体振荡器。其振荡频率由X1确定在455kHz。此信号经C*送到中频变压器T7次级并经T7初级与中频信号(即经变了频的接收到的信号)一起输入至集成电路的检波器。我们将两个中频变压器的诸报频率调整为约456kHz(与455kHz相差约几百至1~2kHz左右)。仍以前例1000Hz单音频经单边带电路发出的7.049MHz信号,我们只要将本机振荡频率调至7.505MHz(利用装在机壳上的VR1电位器调节),两者相差得到456kHz中频,经放大后与455kHz差拍振荡信号一起进入检波器,中频信号与差振信号又一次混频,产生出这两个信号的差频——l000kHz音频,这正是对方发过来的信号。差拍振荡器的工作电压是经R9和波段开关的7-8端供应的。当工作于中波时,差拍振荡器不工作。
6.音频放大。
本机音频放大由IC1完成,并由其12脚经C22送往扬声器或耳机。
T3是中波波段的天线调谐回路。磁棒上感应的信号经T3与COA及CA构成的谐振回路初选后经波段开关6—4端送至IC1的5脚。接收到的信号与本振信号在IC1内混频,产生456kHz左右的中频信号并经两只中频变压器的选择及集成电路放大,又经过检波解调,最后送到扬声器。图1为PJ—40简易收信机的原理方框图。图2是电原理图。
二、调试方法
1.本机直流工作状态一般不需调整。将波段开关置于中波波段,串入电流表,开机后音量最小时约为10mA。将音量开大,应有明显沙沙声。转动双速度盘,应能收到当地广播电台,且最大音量时总电流约为50mA。再将波段开关转换到短波位,将音量开到最小,正常情况下电流应较前面的最小值增加2mA左右。此时开大音量应有较大噪声,用起子刮碰天线接线柱能使扬声器发出明显响声。R2上端约1.5V,R5上端约V,D2上端约3.9V。
2.调整短波收听频率范围。为保证本机工作于7MHz业余波段,建议在装置本机前先装置一个与本机配套的7.050MHz晶体振荡器,利用它作为调试的信号源。将波段开关置于短波位,音量适中。此时旋动电位器RP1,噪声应有小的变化。把RP1旋至中间位置并固定不动。
打开自制晶体振荡器并靠近收信机。先用无感起子将T4的磁帽旋动退至最上位置,然后再缓慢向下旋。应能听到一个音调由高到低而后又变高的啸叫声,调至音调最低处(即零拍点)时停止。将自制晶体振荡器移开或关闭,此时若啸叫声也停止,说明调整成功,否则再调。
逐渐增加与收信机的距离,使收信机保持刚好能听到其信号;反复调整T2和T1,使听到的信号最大。
3.调整中频。
在完成A的基础上再将晶体振荡器移远,使收信机保持刚好能听到其信号;细心调整T6、T7,使信号最强。T7的调整是本机能否听清单边带话音的关键,能使话音清晰的范围很窄。节假日的白天、平时中午,国内不少业余电台在这个波段上相互联络,早晚还有许多日本、韩国业余电台出现。接上4~6m长室外天线,仔细调节RP1,在收到上述业余电台话音信号后再微调T7,使能听清。(陈方)