在家庭影院沿着杜比定向逻辑、AC-3道路前进时,另一种新技术刚露锋芒即显示出极强的生命力,这就是利用原有普通立体声系统再现三维(3D)环绕立体声放音的“立体声增强(劲化)技术”。此项技术具有使用简便、对听音环境要求低、不需中置及环绕功放与扬声器、对节目软件无特殊要求(不存在类似杜比环绕声的编解码过程)、只需普通立体声信号就可产生环绕声效果,有的器件(如SRS525OS)甚至具有将单声道信号转变成准立体声的功能,加上价格低廉,故在市场中迅速争得一席之地。
目前,美、日等世界各大公司纷纷针对此项技术开发出各自专利器件,几种主要芯片的特性见附表,本文将重点介绍两种最具代表性的芯片供爱好者参考。

1.SRS5250S
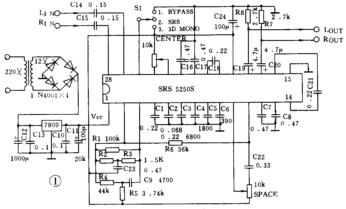
SRS(Sound Retrieval System)是声音恢复系统的缩写,工作原理已有报刊介绍,这里不再赘述。其代表器件是美国SEPONIX公司的SRS5250S,由SRS实验室认证,表面印有(●)认证标识,其标准应用电路见图1,它具有直通(BYPASS)、SRS、单声道3D效果(3DMONO)选择开关,还具有CFNTER中置声、SPACE空间感调节。

2.YSS247
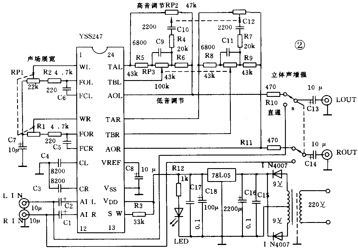
日本YAMAHA公司的音频信号处理产品较多,技术有其独到之处,YSS247是该公司在两声道实现3D环绕声领域的代表芯片,专利名称YMERSION,标准应用电路见图2,它具有直通、立体声增强开关及BASS低音、TREBLE高音、WIDE声场展宽调节。

为了品味二者差异,笔者做了以下听音对比:信号源使用一代名机SONY MOP-A1影碟机,取其具有两组模拟音频输出和一组数字音频输出(将数字音频输出经Alchemy DDE V1.1解码器转换为音频信号),这样便有了三组优质立体声信号,一组直通接进YAMAHA RX—V2090功放,另二组分别经图1、图2电路再接入功放,这样就能方便地进行切换对比。选择音箱主要考虑音色中性、定位较好,最后选定体积不大的丹拿5号箱,用60cm高度钢架托住。摆位按标准等边三角形摆法,对比情况如下。
1.直通
高、低频端延伸自然,声舞台两侧略超出两音箱,深度感明显,声像分布在图3的阴影区中,基本与音箱高音单元同一水平面。

2.经图1 SRS5250S标准电路处理
将工作方式开关置SRS,调节SPACE空间感钮,能清楚感受到声像往聆听者两侧延伸,同时整个声场变宽变深,部分声像确能到达聆听位置的侧后方;调节CENTER中置声钮,位于正中的声像(如单个歌手的歌声、电影中居中的对白)在中轴线上作远近变化,其声像分布见图4,声场有一定的高度感。美中不足的是当SPACE空间感调得较大时,信号高、低频端均有少许跌落,尤其是低频信号损失较多。为了感受3D MONO(单声道3D状态)效果,将信号源换为VCD机,同声道选择键令其输出单声道信号,SRS5250S产生的准立体声虽与真正的立体声尚有差距,但毕竟有宽度感和包围感。值得一提的是国内家庭普遍采用VCD机演唱卡拉OK(实际是单声道信号),这时感觉混响效果增色不少,确实也有实用价值,这真是该芯片的美国设计者无心插柳柳成荫的杰作。

3.经图2YSS247标准电路处理
调节WIDE声场展宽钮,声像分布明显展开并延伸至聆听者后方(见图5),同时位于中间的声像始终清晰而稳定,展宽后的声场有明显的高度感;当高、低音调节钮置中间位置(平直)时,信号的保真度较好,并可利用音调钮进行修整,YAMAHA公司技术实力及设计的周全的确令人叹服。

通过试听不同类型的节目软件发现,两种芯片的声场展宽效果均与节目软件的录制水平密切相关,本来就具有较宽、深声场的软件,经处理后更加效果惊人,尤其是录制时作了杜比环绕声编码的软件,其3D环绕感尤为出色。(朱广皓)