无线电广播所传递的信息是语音和音乐,为解决信号传输并区分不同的节目信号,电台采用了不同的射频(高频)去“运载”音频(低频)信号,然后发射出去。这种将音频信号(称为调制信号)“装载”于射频振荡信号(称为载波)上的方法称为调制。我们用收音机来收听广播,收音机的工作原理是:由天线感应的高频信号通过调谐电路(选频)选出所需电台的已调制信号,经解调器(如检波器)取出音频信号,再放大后推动扬声器还原成声音。上述过程可用图1、图2表示。


调制器的作用就是用调制信号去控制高频载波,使载波的某些参数(幅度、频率和相位)随调制信号而变化。调制的方式可分为幅度调制(调幅)、频率调制(调频)和相位调制(调相),其相应的解调方式为检波、鉴频和鉴相。
调幅与检波
1.调幅:使被调制信号(高频载波)的振幅随调制信号(声频)的变化而变化,称为调幅。调幅电路可采用三极管电路,根据调制信号加到三极管电极的不同,分为发射结控制调幅电路(调射电路)和集电结控制调幅电路(调集电路)。
图3为调射电路的基本形式,在三极管基极和发射极之间接有两个信号源,其中V\(_{Ω}\)(t)为低频调制信号,Vs(t)为高频等幅载波。三极管的发射极同时受到这两个信号的联合控制,使集电极电流形成已调制的高频信号。其频率与载波频率相同,振幅则按照调制的低频信号波形在变化,负载采用LC并联谐振回路,信号通过磁耦合输出。在这里,三极管必须工作于非线性状态(饱和状态)。

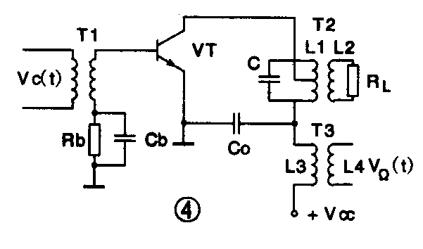
图4为调集电路,该电路的调幅作用是在集电结进行的,与图3相比调幅所需的推动功率小、调制的灵敏度高。调制过程为:高频载波Vc(t)经高频变压器T1加到发射结,T1的使用使三极管的输入阻抗与前级输出阻抗相匹配,并能良好传输载波功率。集电极并联回路调谐于载波频率(输入信号频率),经高频变压器T2耦合输出到负载R\(_{L}\)上。T3为调幅变压器。直流供电电压Vcc和低频调制电压串联后才提供给三极管集电极。为实现集电结控制调幅,并使集电极电流的基波分量随调幅电压而变化,三极管工作于饱和区。集电结调幅是利用低频调制电压来控制三极管的集电结电压,并使管子工作于饱和状态。通过集电结电压的变化,使集电结高频电流的基波分量随低频调幅电压的变化而变化,从而实现调幅。三极管调幅发射设备一般都采用集电结调幅电路。

2.检波:从已调幅波中取出调制信号的过程叫检波。检波电路可利用二极管的非线性作用来实现,为保证正常工作,输入信号(已调幅波)的幅度必须大于0.5V,这样的检波又称大信号检波。
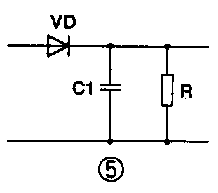
图5为二极管基本检波电路,当输入信号第一个正半周到来时,二极管VD导通,电流i\(_{c}\)对电容C充电,充电时间常数为RDC(R\(_{D}\)为VD)的导通电阻)。随着C的充电,输出电压V0上升,加在VD两端的电压为V\(_{D}\)=Vi-V\(_{0}\),当VD<0时,二极管VD截止,电容C向R放电(放电时间常数为RC),V\(_{0}\)按指数曲线下降。由于RC>>RDC,所以电容C上的电荷尚未放完,下一个周期的V\(_{i}\)又上升到等于V0,二极管又导通,C再充电,周而复始。由图6可见,当输入信号是一调幅波时,输出电压就随着已调波的包络线而变化。为了不失真地从已调幅波中检出声频信号,时间常数RC应远大于载波周期Tc,并要远小于调制信号的最高频率成分的周期T\(_{Ω}\)min。为取得更好的检波平滑作用,可在C后加入RC低通滤波器,检波输出中如不需要直流成分,可利用一电容来隔离。


也可利用集成电路实现调幅和检波功能。图7是调幅电路的原理框图,其优点是调幅度大小可方便地通过调节直流电压而改变,调制线性度好。图8是检波电路的原理框图,它的线性度好,在小信号下检波也不会产生很大的失真。


调频电路
1.基本概念:使载波的频率随调制信号即时值成正比变化、而其振幅保持不变的电路称为调频电路。已调频波是一个频率随调制信号电压(或电流)变化的等幅波,其频率大小(实际为角频率)可用ω(t)=ω\(_{0}\)+△ωfcosΩt表示,其中△ω\(_{f}\)=SfV\(_{Ω}\)=mfΩ表示最大频偏,式中Ω、S\(_{f}\)、△ωf和m\(_{f}\)分别为调制信号的频率、调频灵敏度、最大频率偏移(或最大频偏)和调频系数。Sf由调频电路的参数决定,电路确定后,其值不变;△ω\(_{f}\)与调制信号的振幅VΩ成正比,但与调制信号的频率无关;已调频信号的调频系数。m\(_{f}\)等于调频后产生的最大频偏与调频信号频率之比。
调频与调幅相比调频的抗干扰能力比调幅强;调频的频带宽度是调幅频带的(m\(_{f}\)+1)倍,所以调频广播频率设在超短波和微波波段;调幅设备的功率利用率低于调频设备。
2.调频的基本电路
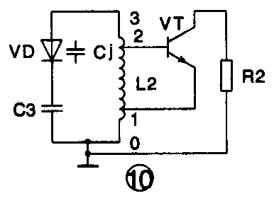
图9为变容二极管调频电路原理图,电路中C1和C5分别为输入调频调制信号和输出已调频信号的耦合电容器。C4为隔直流电容,R1、B2为直流供电电阻,Rs为负载,C2、L1和C3构成π形低通滤波器,它让低频调制信号通过,加到变容二极管VD上,同时阻止高频振荡信号反窜入低频调制信号源。图10为图9的等效电路,显然,这是一个电感三点式高频自激振荡电路,振荡频率由L2和电容C\(_{j}\)与C3数值决定,在低频调制信号未加入时,Cj不变,故频率等于调频信号的中心频率。变容二极管VD在电路中起着被低频调制信号电压所控制的可变电容的作用。在未加入调制信号电压V\(_{Ω}\)(t)时,直流供给电压+VBB经限流电阻R1和高频振荡电感L2,给变容二极管提供一个固定偏置电压-V\(_{0}\),通过其Cj-V特性曲线可知,变害二极管相当于一个电容,电容量大小与偏置电压有关,对于-V\(_{0}\),其电容量为Cj0。当调制信号电压通过耦合电容、低通滤波器,与固定偏置电压叠加后,使得变容二极管的两端电压发生变化,这样电容量也围绕C\(_{j}\)0按低频调制信号电压幅值变化而变化,而电容量的变化,就导致自激振荡器的振荡频率也围绕中心频率f0按低频调制信号电压V\(_{Ω}\)(t)变化而变化,从而形成已调频信号。 (洪荣晶 张文锦)

