来电号码显示,或主叫身份显示,是目前国内刚刚开展的一项新电信业务,它的功能是:当有人给您打电话,在您接电话之前就可以从来电显示器上看到是什么号码打来甚至知道是谁打来的。它能起到防止恶意呼叫并显示其号码的作用,也可用来有目的地选择接听来电。
下面介绍一种来电号码显示器的模块,该模块能兼容接收FSK(频移键控)和DTMF(双音多频)两种不同的程控交换机标准的来电显示信号,它是来电显示器的核心,再辅以信号解调电路和少量的外围电路,即可构成一部完整的来电显示器。
ML36来电显示模块
模块由LCD显示屏和CPU电路组成。显示屏见图1。CPU是一块大规模集成电路,它负责接受并处理FSK或DTMF来电信息、驱动LCD显示、时钟及回拨功能、存储来电号码等功能。CPU共100个引脚,见图2。模块对外接口共有26个,管脚功能见表1,电气性能见表2,主要功能有;(1)FSK/DTMF两种信号兼容接收,自动识别;(2)90组来电号码显示,自动累计相同号码的来电次数和时间;(3)内置时钟功能,可显示月、日、时、分;(4)接收FFS信号时,兼容复合数据信息格式,即同步显示来电者的号码、姓名(英文、拼音)、时间;(5)接收DTMF信号时,同步显示号码、时间(由模块内提供);(6)LCD尺寸:68×26mm\(^{2}\),15个字母显示,14位号码显示,时间及其他功能符号显示;(7)往前或往后查询来电号码,并可自动重拨查到的来电号码;(8)可删除操作,电池不足提示,语音信箱显示,新来号码有“NEW”显示。




信号解调电路
程控交换机送来的来电号码信息是经过调制的,不能被模块直接接受,所以需要在输入模块之前进行解调。
一、FSK信号解调IC:SA9613
FSK信号是在电话机第一次与第二次响铃之间被传送过来的,传送的是调制的数字信号,优点是效率高,信息量大,可连同来电号码、姓名、时间等信息一起传送过来,如图3所示。SA9613的任务就是将FSK信号取出并解调。SA9613的管脚及说明见图4。


工作过程简述:由10脚提供时钟信号,3、4脚对铃声检测有效后,延时500ms,打开1、2脚输入FSK信号,经过内部带通滤波器(BPF)后,进行FSK信号解调,从14脚输出串行数据给ML36模块。
二、DTMF信号解调IC:SA9870
DTMF信号是在电话机响铃之前或在第一次与第二次铃声之间(视交换机而定)被传送过来的,传送的是DTMF信号,即:相同于拨号音,SA9870的任务是解调出这个DTMF信号的高群组和低群组信号输出给ML36模块。它的优点是解调容易,缺点是信息量不大,只能传递来电号码,不能传递姓名、时间等信息。SA9870的管脚及说明见图5。

工作过程简述:DTMF信号从1、2脚输入放大、滤波,将DTMF中的低群组和高群组频率分开,经缓冲器输出从DO~D3到ML36的第18~21脚,此过程中有各种控制信号配合。
应用
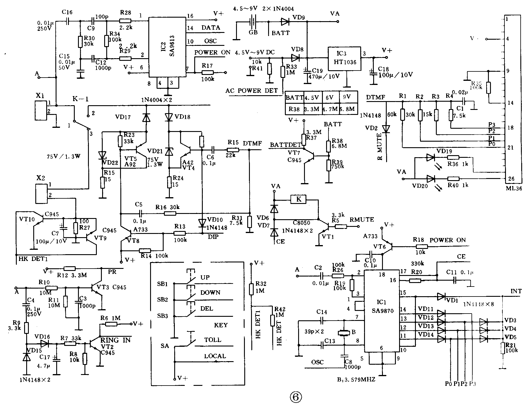
由以上介绍的ML36模块和两种解调IC就可组成一部完整的双制式的来电号码显示器,电路见图6。

由图可见,由IC2(SA9613)组成FSK信号解调电路,电路中对铃声检测3、4脚是缺省的,FSK信号从电话线路X1的A端送来后经IC2的1脚进行放大,再经带通滤波器进行解调,从14脚输出数据到ML36模块的8脚,将来电信息显示出来。
由IC1(SA9870)组成DTMF信号解调电路。当DTMF信号从线路的A端输入后,由IC1的第11~14脚输出到ML36模块的第18~21脚进行显示。
由IC3(HT1036)组成的电源稳压电路,提供3.6V电源给各部分电路工作。VT7组成电池检测电路,当电源电压不足时,提供信号给ML36的第7脚,由模块显示电池不足的符号,以便及时更换电池。ML36可将显示的号码直接回拨,回拨时由CPU产生DTMFMF拨号音,由18~21脚输出,再由这个DTMF拨号音控制VT1导通,继电器K吸合,继电器触点由3端转向2端,同时,DTMF拨号音再经VT4、VT5放大从继电器触点2端到1端输送出去,完成回拨功能,VT9、VT10是摘机检测,输出HK DET1信号给模块第13脚,使回拨功能有效。平时触点K-1只是接通1端和3端,同时DIP端为低电平,VT4、VT5截止。VT2完成铃声检测,其结果提供给模块第5脚。SB1~SB3、SA是安装在面板上的功能按钮,内部直接与模块相连,见表1。
以上介绍的是ML36来电显示模块的应用,由于它集成度高、存储量大、功能多、容易使用、无需调试等优点,受到许多生产厂家和无线电爱好者的欢迎。(雨石)