单体化、永久记忆、可反复录放型语音电路是语音电路发展的必然方向。在众多的语音电路中,要以单片永久记忆型语音电路最为优秀,目前已有10s(SR9G10)、20s(SR9G26)、60s(SR9G60)、120s(SR9A120)、240s(SR9A240),但是这些语音电路的最大缺点是采样频率不能改变,在有些场合使用也不方便。所以现在又推出一种录放音时间可以任意改变的单体永久记忆型语音电路SR9K××系列。首先问世的是SR9K30,可以录制8~30s的语音。
一、特性
1.永久记忆采用FLASH为存储器记录语音,即使不用电也能永久保留语音内容。
2.录放音时间可调采用电阻作振荡元件,通过调节电阻值可以改变录放音时间((8~30s),而SR9G26、ISD1420均不可改变采样频率。
3.高品质录音音质达到高保真。
4.全空间放音不论录音时间长短,每次放音时总是将IC内的语音全部播放出来(包括以前录的语音)。此功能正是语音复读机所需要的。
5.单体化极少的外围元件就可以组成一个录音系统。
6.单电源单+5V工作。
7.低功耗静态电流仅1μA。
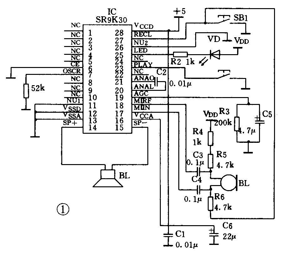
二、典型应用线路图(见图1)

1.录音过程按住SB1键,VD1亮,此时语音通过话筒输入到SR9K30之中。松开SB1键,VD1熄灭,录音结束。若存储空间用完,录音也自动结束。
2.放音过程
按一下SB2键,自动将SR9K30的全部内容播放出来。在放音过程中若再按一下SB2键,马上结束放音。若本次所录的语音为20s,而总录音时间为30s,放音时除放完本次的20s内容外,还会将以前的10s语音一起播放出来。
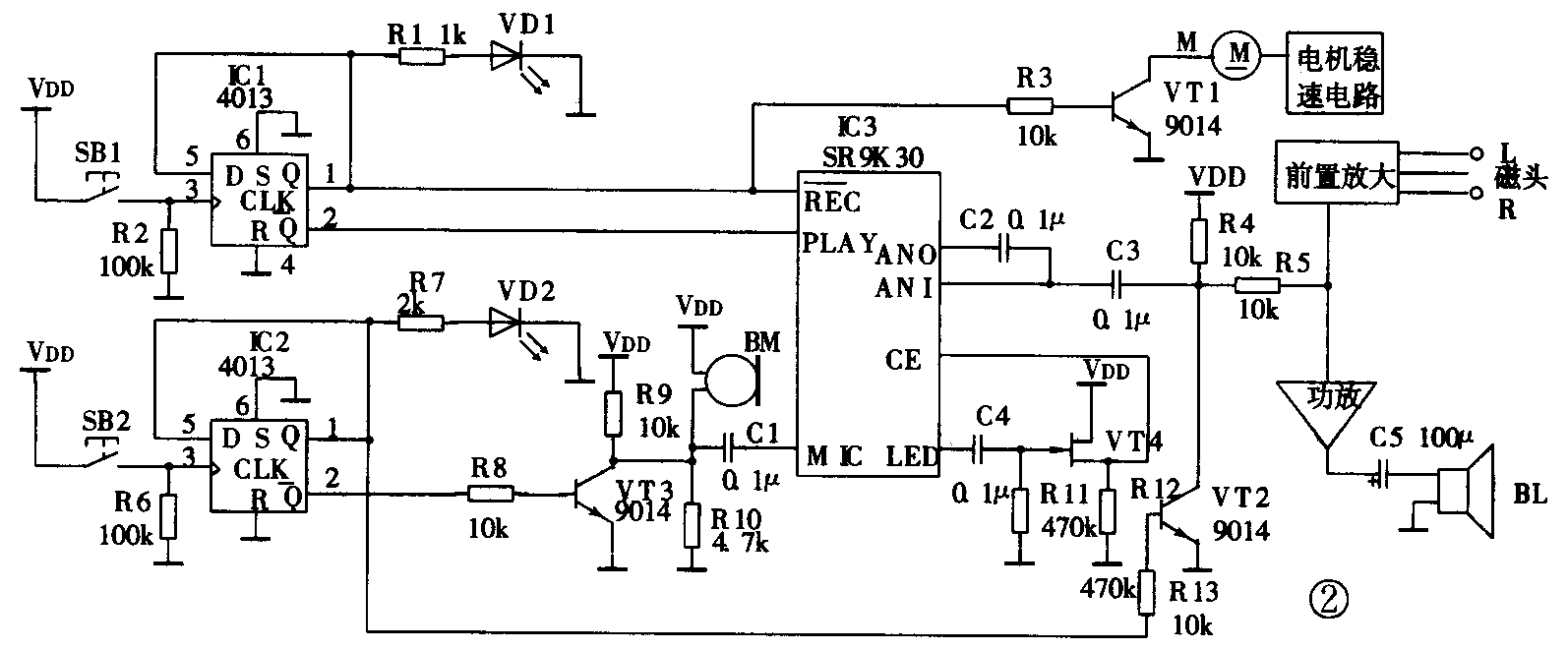
三、语音复读机制作
目前流行的外语复读机,大部分是采用SR9G26、ISD1420或T6668等语音芯片。由于这些语音电路,当时并未考虑到复读功能,所以为了实现复读功能,必须外加许多的控制电路,制作比较复杂。采用SR9K30制作语音复读机的电路见图2。

1.跟读功能SB2键为“复读”与“跟读”转换键,每按一次SB2键,VD2变化一次,VD2亮时为“跟读”功能,此时VT2导通,那么磁带的语音不能通过磁头进入SR9K30,同时VT3截止,声音通过BM录到SR9K30之中,从而实现眼读功能。
2.复读功能按SB2键VD2灭时,VT2截止,磁带的声音通过C3、R5进入SR9K30,而VT3导通,BM对地短路不起作用。
3.录放音转换通过操作SB1键,可以实现录放音转换。当VD1熄灭时,REC—为低电平,SR9K30一直处于循环录音状态(通过C4、R11、VT4、R12实现),永远保留最后20s语音。当VD1点亮时,PLAY为低电平,且VT1截止,电机M停止转动,SR9K30一直处于循环放音状态。 (杨跃华)