渐亮渐暗的灯光控制电路
电影院开始放映影片时,天花板上的灯光将会熄灭,但并不是突然熄灭,而是逐渐地暗下来。放映完毕,灯光又会慢慢地亮起来。现在我们就来进行这种灯光控制电路的实验。
附图中,我们使用发光二极管VD模拟电光源,三极管VT是一个可控开关器件,它的导通与截止过程是受电容器C的充放电作用进行控制的。闭合电源开关SA瞬间,电容器C两端的电压等于零,三极管的基极与发射极间的电压也是零,所以发光管不会立即点亮。此时,电池经RP与R1向电容器C充电,三极管的基极电位逐渐上升,管子逐渐导通。流过VD的发射极电流逐渐变大,发光二极管也就由暗逐渐变亮。断开电源开关SA瞬间,由于电容器C已充好电,存储着电场能量,它将通过三极管发射极、电阻R2及VD放电,放电电流由大慢慢变小。所以发光管也由亮逐渐变暗。调节可变电阻RP可以改变电容器充、放电的快慢,相应地改变发光管亮度的变化时间长短。

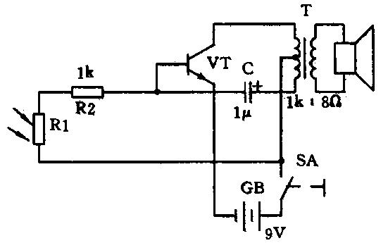
机车声产生电路
模拟机车声的电路如附图所示。这是一个三极管间歇振荡电路,接通电源开关SA,扬声器将会发出像机车排氮气那样的“叭叭叭”的声音。如果改变光敏电阻R1的受光面所照射的光强度,声音的调子就会改变。实验时可用手指头堵在R1的窗口,使声音加以种种改变试试看,蛮有趣味呢。

巡逻车号笛
让我们再做一个能发出像巡逻车号笛声的电路实验(参见附图)。按图搭接好电路,合上电源开关SA,于是从扬声器中就会有“Pi-”声发出。如不发声,调节电位器RP就能发出声音。在有声音的状态下,按下按钮开关SB,将会发现音调较前稍低就这样,不断地把按钮开关按下又放开,正好变成像巡逻车的号笛那样发出“Pi-Po-Pi-Po”的鸣响。适当调节电位器RP,可以改变音调的高低。

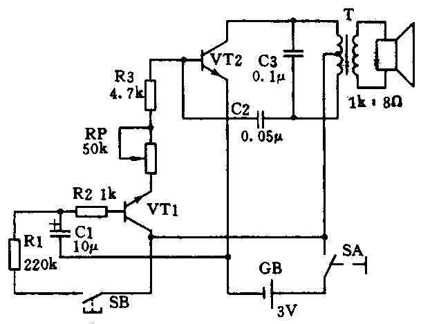
消防车号笛
模拟消防车号笛声的电路如附图所示。按图搭接好电路,先合上电源开关SA,再按下按钮开关SB,电源通过R1、R2向射极跟随器VT1管注入基极电流,VT1导通,随之VT2也导通,间歇振荡器开始振荡,扬声器就会有“呜呜——”的声音发出。与此同时,电源通过R1向电容器C1充电,VT1的基极电位逐渐上升,声音将由低变高。随后,把按下的按钮开关SB松开,电容器C1放电,声音又会由高变低。当你将按钮开关SB一按一放,扬声器就会发出“呜呜-呜呜-”如消防车的号笛声。调节电位器RP,音调将随之改变。实验时可反复转动RP,调节成模拟消防车号笛的声音。

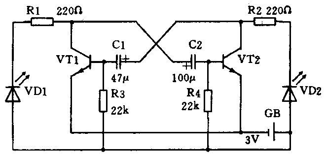
红绿两色闪烁灯
附图所示的电路中,红、绿两色发光二极管交替地闪闪发光,它适合于玩具上,制作会眨眼的猫咪及电车、汽车等模型的灯。如在模型飞机的双翼装入此闪烁灯,更可增加模型机之真实感。

闪烁灯的电路是多谐振荡器的典型电路。接通电源后,两个三极管VT1、VT按照一定的时间间隔交替地导通和截止,接在两管集电极电路中的两种颜色的发光二极管也随之交替发光。由于这种电路没有稳定状态,所以又称为无稳态电路。振荡器的振荡周期由电容器C1、C2的电容量和电阻R3、R4的阻值决定。
用磁簧开关切换两信号灯
本电路仅用一个接点就可以切换红色和绿色两个信号灯,见下图。两个三极管VT1和VT2组成施密特触发器。VT1的基极偏置电路中串接着磁簧开关SQ,若有磁体靠近磁簧开关,电源即经电阻R1向VT1提供基极电流。使VT1导通。集电极电流流过红色发光二极管VD1使其发光。此时,VT1的集电极为低电位。所以VT2截止,绿色发光二极管VD2熄灭。当磁体远离磁簧开关时,VT1基极断开而处于截止状态,VD1熄灭,VT1集电极变为高电位,VT2变为导通,VD2发光。

电子机关枪
利用三极管间歇振荡器可发出像机关枪一样的声音。按图1搭接好电路,按下按钮开关SB,就会有声音从扬声器发出,调节电位器RP,可以改变声音的快慢,只是这个电路发出的机关枪声,好像缺乏一点动人的力量。

图2是用普遍低频振荡电路借着电容器的作用增大振荡周期,可发出较为逼真的机枪声。利用它不仅可供欣赏机枪声,还可作为戏剧的“拟声”使用,若作为防盗警音器也颇有趣。(本刊)