本文介绍的无线电遥测装置是采用美国ATMEL公司的低价格高性能单片机AT89C2051作标度运算,配合无线电发射、接收电路和测量变换电路,可以对100~400m远的被测物理量进行测量并数字显示。本装置是采用模块式设计,由变换模块、发射模块、接收模块、运算显示模块组成。其中发射模块、接收模块是采用广东中山市金龙电子器材有限公司提供的全套散件。各模块电路简单可靠,方便易行,显示直观、精确,并可以连续监测被测物理量的变化,为廉价实现无线电遥测提供了一套可行的方案。将本装置稍加改进还可以实现超限报警和同时对多个被测物理量进行监测。
电路组成框图见图1。该遥测装置是一种通用型的测量装置,配以不同的传感器可以对多种物理量进行测量,如温度、湿度、压力、流量、转速、电压、电流等。这些被测物理量多数是非电量,必须经过现场传感器转换成微弱的电压信号,一般只有mV级,由变换模块放大到0~5V,再通过V/F变换成0~20kHz的频率信号。V/F变换是采用压频转换芯片LM331N,转换精度可达到0.2%。另外,变换模块有一个输出频率微调电位器,可以方便地调节显示数值,使其与实际的被测物理量一致。

发射模块经过变换模块输出的频率信号调制,产生间歇振荡的高频波向外发射。发射模块采用专用高频发射管LD-400型,振荡频率可达100M~400MHz,不易受外界干扰且发射效率很高,毋需多大的功率就可以发射几百米远。整机耗电仅20mA。
接收模块是超再生接收机,它负责接收发射模块发出的高频信号,经过整形滤波后输出频率信号。该频率信号的频率与变换模块输出的频率信号完全相同。
运算显示模块是以89C2051为核心,加上少量的外围电路和显示电路构成,配合相应的软件工作。89C2051片内具有2kB闪速存储器,足以容纳软件代码,并可以方便地修改和电读写。还具有P1、P3两个8位的I/O口和两个16位的定时/计数器TO、T1,足以满足测量显示所需的硬件资源,系统采用频率法进行测量。亦即使TO工作在计数状态,T1工作在定时状态,启动T1定时器同时启动TO计数,在T1定时时间内由TO对输入TO引脚的频率信号进行计数,T1定时时间到时产生定时器溢出中断。中断服务程序立即停止TO计数。该计数值反映了被测物理量的大小。单片机通过运算程序对计数值进行标度运算,最终得到显示码。将显示码送入显示器即可显示出被测物理量。
本人在研究如何防止无线电遥控电动模型动力电池过放电中采用上述电路取得了良好的效果。充电电池过放电容易造成电池寿命降低或损坏。在控制模型的同时随时远距离监测动力电池电压变化情况并随时采取措施,可以有效防止电池过放电。
发射电路见图2。其中RP用20k的精密电位器。VT2用8050三极管,放大倍数为100~120。VT1用专用发射管LD-400。L1应印制在电路板上,一般1匝即可,这样可以保证振荡频率稳定不变。C11用4p~10pF的微调电容。L2用直径0.7mm的漆包线在3mm钻头上密绕6匝脱胎制成。发射频率为100~400MHz,整机工作电流为25mA左右。天线可用0.5~1m的软导线,也可以不用。

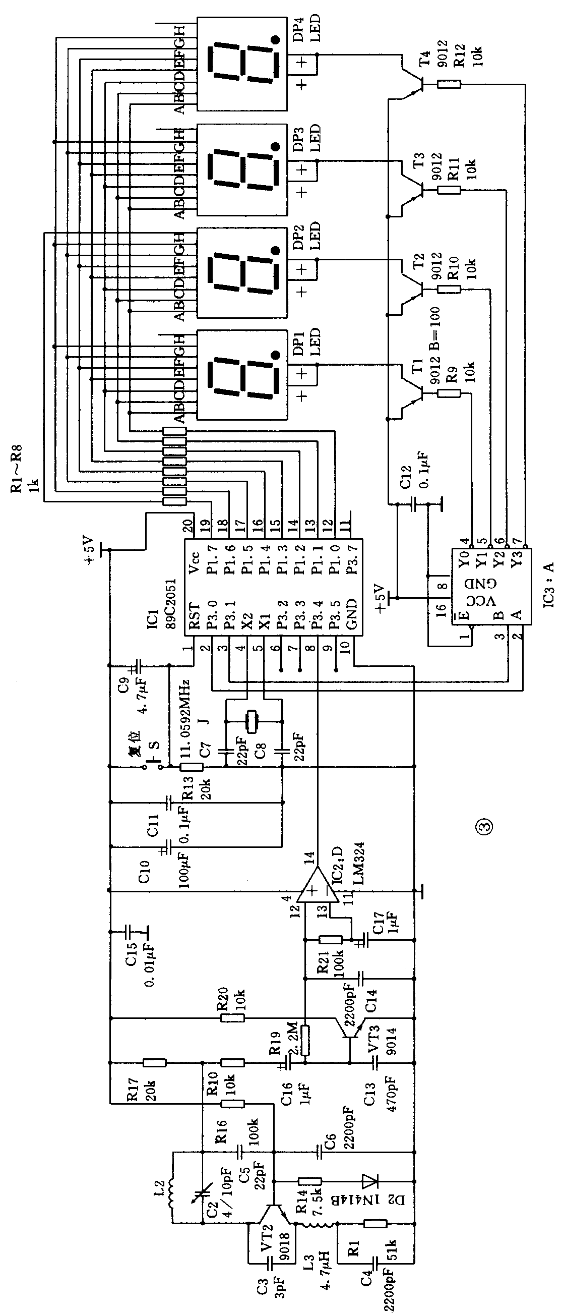
接收电路见图3。L2应印制在电路板上,或用直径0.7mm的漆包线弯成长20mm宽10mm的矩形焊在C2两端。C2用4~10pF的微调电容。VT2用9018三极管,VT3用9014三极管,放大倍数都在100左右。C7、C8用20p~30pF的高频瓷片电容。DP1~DP4采用共阳极LED数码管,用绿色更好。T1~T4用9012或3CG1PNP型三极管,放大倍数在100左右。

系统软件由主程序、中断服务程序和运算程序构成。晶振频率为11.0592MHz,它决定程序运行的快慢,若有改动,需将程序里的定时常数和延时时间常数也作相应改动。主程序框图见图4(a),中断服务程序框图见图4(b)。 (谢晓东)
