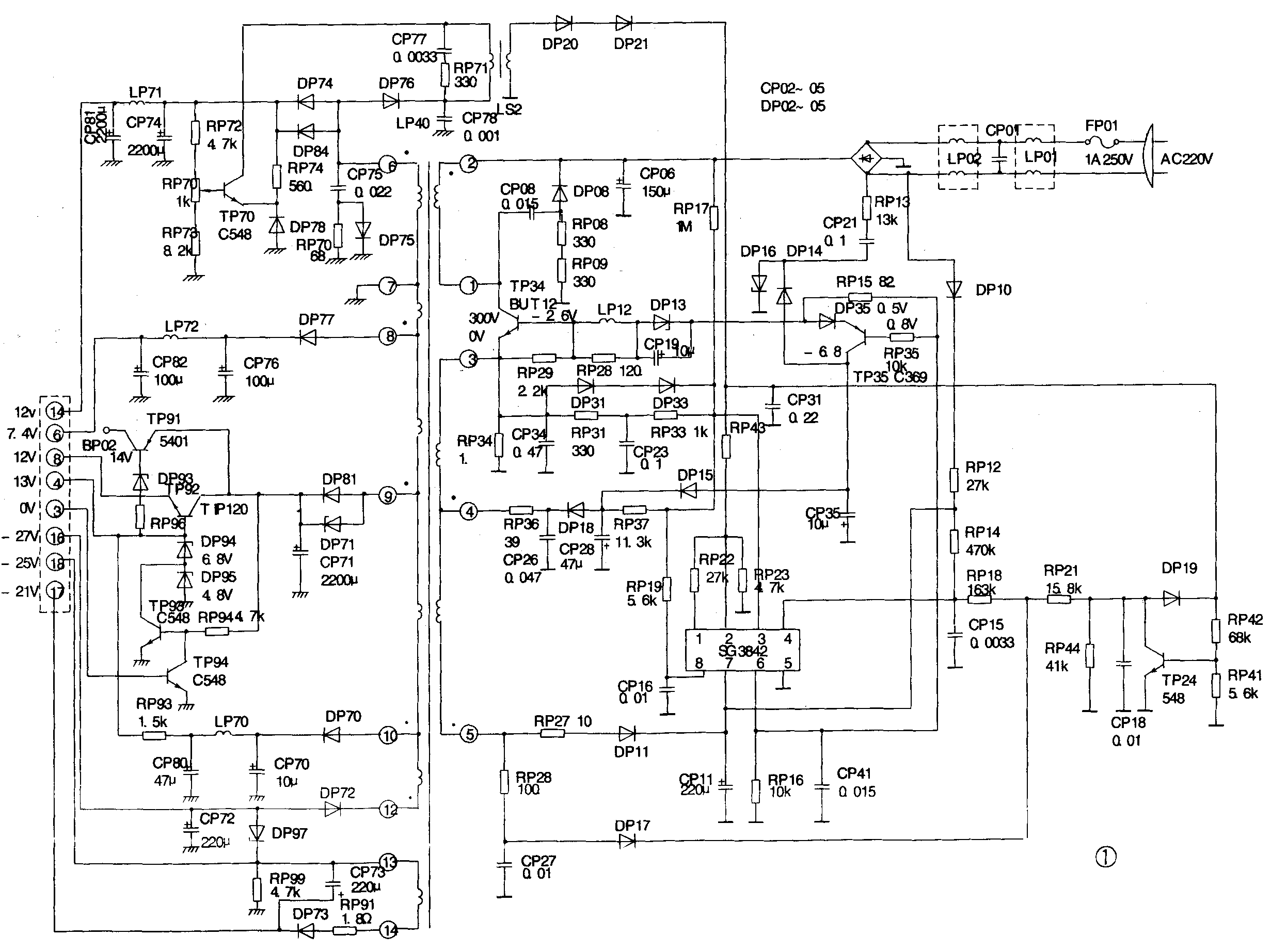
东芝V-95C电源电路比较复杂,故障现象比较特殊。笔者在维修该机型时,将电源电路解剖,并根据印制板电路绘制出电原理图见图1,以供参考。

工作原理
该机电源部分主要由桥式整流滤波、开关脉冲形成、调宽脉冲控制、稳压及低压整流滤波五个部分组成。220V交流电经桥式整流电路DP02~05整流,并经CP03滤波后获得+300V的直流电压,它作为开关管TP34的电源。220V交流电压经DP10、RP12、CP11整流滤波获得+22V电压作为开关脉冲振荡块SG3842的工作电源加在⑦脚。SG3842的内部框图见图2。接通电源后,振荡块内部产生振荡形成锯齿波电压,在④脚外部形成2.8V\(_{P}\)-P、周期为38μs的锯齿波,该锯齿波经振荡块内部调宽处理后,从⑥脚输出驱动脉冲,加到推动管TP35的基极。实测得⑥脚波形周期为38μs,脉宽为12μs,幅度为20V,使TP35截止;又经RP15、CP19、LP12加到TP34基极,使TP34导通,产生振荡电流经LP40的②脚→①脚→TP34的c→e→RP34→热地,在LP40上产生②脚为正、①脚为负的电压。次级绕组产生④端为正、③端为负的电压。这个电压使DP18、DP15截止。同时在次级绕组上产生⑤端为正,③端为负的电压。这个电压使DP11导通,在CP11上建立22V的直流电压维持振荡块的工作。正脉冲过后,振荡块⑥脚为0V,TP34截止,在LP40产生②端为负、①端为正的电压,通过互感耦合使次级绕组产生④端为负、③端为正的电压,使DP15、DP18导通给CP35充电,使TP35的集电极产生-6.8V电压,TP35导通。于是CP35放电,其路径为:CP35正极→热地→RP34→RP29→LP12→DP13→DP35→TP35的e、c→CP35负极。该放电电流在RP29上产生右负左正的电压,维持TP34的截止,直到下一个脉冲到来,TP34再次导通。

SG3842的保护功能:1.过流保护:若TP34的发射极电流超过1A,在RP34上产生1V多的压降,该电压经RP31、RP33加到SG3842的③脚,SG3842关闭⑥脚的调宽脉冲输出,使开关电源停止工作。2.过压保护:SG3842的⑦脚内部设有34V稳压电路,防止⑦脚电压过高而击穿电路。3.欠压保护:SG3842的⑦脚低于10V时,则自动关闭⑥脚的调宽脉冲,以保护电路。4.稳压控制:②脚为稳压电源控制端,当电源输出电压过高时经误差取样电路加到②脚的误差电压也升高,经SG3842的内部调宽处理后,使⑥脚的输出正脉冲变窄,TP34导通时间减少,LP40储能减少,次级输出电压降到正常值;当电源电压输出低时,控制过程与此相反。由电路工作原理可知电源电路工作的核心是振荡块SG3842,该集成块的电阻、在路电阻、工作电压参数见下表:

常见故障
例1故障现象:接上电源,无任何反应。

分析与检修:打开上盖,发现FP01保险管烧毁。查TP34各极间电阻均为零,说明各极间击穿。又查发现DP13、DP35、TP35、DP31、DP33、DP16均击穿,RP34也烧断。拆下SG3842,侧各脚电阻均为无穷大,对照SG3842外特性参数判定它已损坏。损坏的元件如此之多,结合原理图分析可知,在TP34的cb击穿后,则be因过流而击穿,+300V的电压一路经DP13、DP35串到TP35的ec极,使它们因过压过流而击穿;第二路加到RP34上,使之因过流而烧断;第三路通过DP31、DP33。RP19串到SG3842的⑧脚而损坏振荡块。将电路的其它元件特别是电容检查无损后,逐一更换损坏元件。若损坏元器件一时配不到同型号的可参照上表代换,笔者曾用上表元器件代换过,效果良好。
例2故障现象:接上电源,开机无任何反应。
分析与检修:检查所有的晶体管均正常,在路测振荡块的电阻良好。检查其它元件未见异常。通电测主要点电压,整流滤波后有300V电压,测SG3842的⑦脚电压有20V,基本正常。测③脚电压时,发现开机瞬间有3V脉动电压,随后为零。从电路可看出,③脚不会有这么大的脉动电压。当短路电阻RP34时,开机正常。此时测③脚电压为OV。怀疑RP34有问题,焊下检测,其标称值为1Ω,而实测6Ω。更换同规格电阻后,一切正常。
结论:RP34增大,启动时,因脉动电流在RP34上产生了一个较高的电压,经RP31、RP33加到SG3842的③脚,③脚内部检测电路则认为过流而关闭脉宽输出,故电路不起振。
例3故障现象:接上电源,显示屏以1秒间隔闪烁。插入磁带后,整机随闪烁现象以1秒间隔间歇性工作。
分析与检修:打开机上盖,检测电源输出12V电压,以1秒间隔间歇性输出,说明电源部分间歇性工作。造成这一故障的原因是电源电压不正常。查+300V电压时正常。查TP35的集电极电压有-5V电压,基本正常;查TP24的集电极有4V电压正常。查SG3842的⑦脚仅有10V,这个电压接近临界欠压保护,怀疑⑦脚的供电电压有故障。查DP12、RP12、CP11正常;查DP11、RP27时,发现RP27阻值为无穷大。用同规格电阻10Ω/1W代换后,故障排除。
故障原因:振荡块SG3842的⑦脚电源提供有两路:一路是220V交流电压经0P10半波整流后,经RP12、CP11滤波,⑦脚内部稳压获得启动电压;另一路为电源起动后,次级的互感电压经DP11整流后,CP11滤波后得到工作电压。在RP27断路后,DP10整流的电压经RP12向CP11充电,当CP11上获得约20V电压时。振荡块工作。振荡块工作电流为20mA,而DP10、RP12提供的电流为5mA,这样CP11释放电压较充电电压快,次级绕组的互感电压未能经DP11整流、CP11滤波而建立工作电压,故CP11上的电压很快降到10V,振荡块因欠压而停振。停振后,DP10整流的电压仍经RP12向CP11充电,当CP11的电压达到工作电压时,则振荡块再起振。于是循环出现振荡-停振-振荡的间歇性工作现象。 (陈世银)