LA7688N是日本三洋公司开发的彩电专用单片集成电路;内部具有图像中频、伴音中频、亮度、彩色及行场扫描小信号处理电路,能对PAL/NTSC制式彩色信号进行处理,如果与LA7642结合还能解调SECAM制彩色信号(康佳系列机未采用)。LA7688N由于质量可靠、性能优良、价格便宜,在经济型彩电上大量被采用。
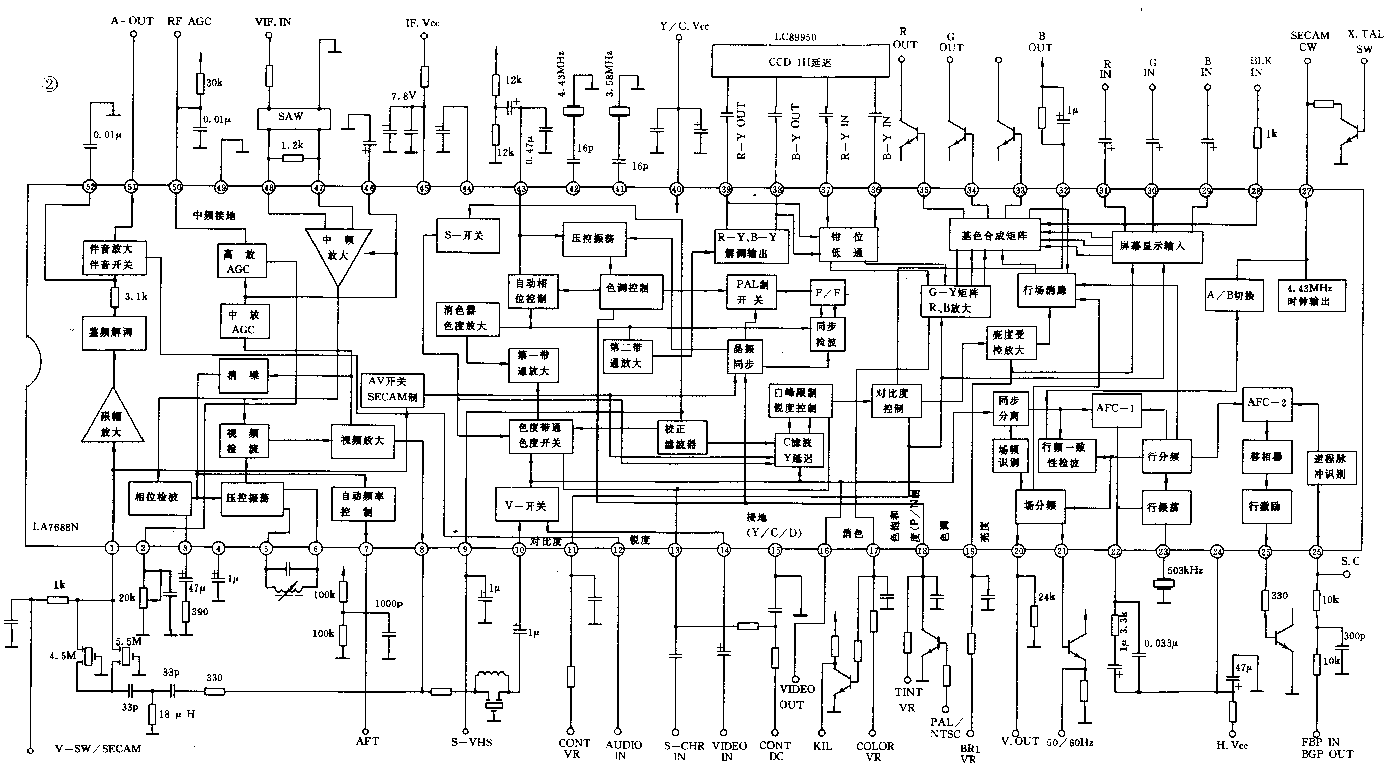
LA7688N的管脚功能及实测电压值如图1所示,内部功能方框图如图2所示,它主要由图像中频电路、伴音中频电路、亮度信号处理电路、色度信号处理电路、行场扫描小信号处理电路这五个主要部分组成,除此之外,还有屏幕字符显示输入及高速消隐、同步脉冲(沙堡脉冲)检波电路(电台识别信号→直流电平输出)、SECAM制4.43MHz时钟信号输出等电路。下面分析LA7688N的工作原理。


一、图像中频电路
1.预中放和表面波滤波器
由高频头IF端输出的38MHz图像中频信号,经预中放V101后获得约20dB的电压增益,用以补偿声表面波滤波器Z101的插入损耗,Z101(SF1357L)为一带通滤波器,按其设计的幅频特性传输图像中频信号,将伴音第一中频点31.5MHz(D/K制信号)或32.OMHz(I制信号)的幅度衰减约20dB,用以降低色声差拍(2.07MHz或1.57MHz)干扰,以便获得清晰的图像。在Z101输出端并联L161,可补偿由于声表滤波器对图像中频高端的衰减,L161电感与Z101的分布电容可形成(低Q值)谐振,调节L161的磁芯可影响伴音的信噪比。L161的接入可保证Z101两个输出端的直流等电位,并可提高Z101的可靠性。图像中频及伴音第一中频信号由Z101输出端对称地输入到LA7688N的脚,无需隔直电容。
2.图像中频放大器
LA7688N内部为图像中频放大器,前级为射极跟随器,图像中频放大共分三级,均可接受IFAGC控制。三级图像中频放大器总电压增益可达64dB以上。
3.视频检波电路
LA7688N内部图像检波采用锁相环检波电路(PLL-DET),它具有独立的38MHz压控振荡器,LA7688N⑤、⑥脚外接锁相环压控振荡器的LC谐振网络,调节T170的磁芯,使压控振荡器的谐振频率与高频头输出的图像中频的频率(38.OMHz)一致,使检波并经视频放大后输出的图像电平幅度最大(典型值为2.3Vpp)。
由锁相环检波输出的视频信号(全电视信号),经视频放大后,分为三路:第一路经消噪电路后取出载波分量到锁相环电路及AFT电路;第二路送往AGC电路;第三路由LA7688N⑧脚输出全电视信号及第二伴音中频信号。
4.AGC电路
LA7688N内部AGC检波电路采用峰值检波器,检出的信号经外接滤波电容(C162,0.47μF)(注:电路板上为C100)滤波后,形成IFAGC电压,去控制中频放大级的增益,中频自动增益控制范围(典型值)为62dB。如果输入信号较强,中放电路的增益降低仍不足以使视频放大级不进入饱和状态,此时RFAGC(高放自动增益控制)起控,由输出去控制高频头内高放级的增益。调节②脚外接的电位器(RP191,20kΩ),可改变②脚的直流电位,从而决定高放AGC的起控点。
5.AFT电路
LA7688N的AFT电路输入信号是来自视频检波器并经消噪电路后的中频信号。检出误差电压即AFT电压由⑦脚输出,经C171和R176滤波,送到微处理器ST6367的⑨脚,在自动调谐时作为调谐准确的指示信号(即AFT“S”形电压的中点);在正常收看时,作为BT微调电压的跟踪信号,通过ST6367、V670去控制高频头本振及高放级的频率,确保高频头IF端输出图像中频信号的载频始终为38.OMHz,实现AFT电路自动频率微调的功能。
二、伴音鉴频解调电路
1.伴音鉴频电路
LA7688N集成电路的伴音鉴频解调器采用锁相环同步检波(PLL DET)电路,此鉴频解调电路是由限幅放大器,压控振荡器(VCO),锁相环鉴频器,去加重电路等组成。
2.音频静噪和前置放大
鉴频电路送出的音频信号进入伴音前置放大和静噪电路,进行放大处理后,再进入音频开关电路。静噪电路是在视频识别电路送出无视频信号时动作,将音频通道截止,实现无视频信号状态下的静噪。
3.音频开关
伴音鉴频电路取出的音频信号经前置放大和静噪开关控制电路后,送往音频开关电路。音频开关电路的作用是:在LA7688N脚外接音频信号和内部鉴频电路送来的音频信号中选择一路信号送往伴音低放电路。
音频开关的控制由ST6367电位确定,当ST6367为低电位(≈OV)时,LA7688N①脚为2.2V,此时音频通道为TV伴音开放(外接音频断开),反之,当ST6367为高电位(3.2V)时,LA7688N①脚亦为3.2V,此时TV伴音通道截止,音频放大电路接通外部输入的音频信号。
4.伴音低放电路
由音频切换开关送出的音频信号经低频放大电路后,由LA7688N输出,音量在LA7688N集成块内部不受控。从输出的音频信号(以T2519D为例),通过C215(2.2μF)、R209(2.2k)输入到伴音功放集成电路N201(TDA7056B)的③脚,同时通过C216(2.2μF)、R208(2.2k)输入到伴音功放集成电路N202(TDA7056B)的③脚,音量控制信号(直流电压),接在N201、N202(TDA7056B)两个伴音功放集成电路的⑤脚上。
LA7688N伴音调频波的鉴频器,解调频率范围为4.0~7.0MHz,因此可适用于任何制式的电视伴音调频波解调。其失真率(THD)最大值<1%,信噪比为53dB(典型值),鉴频器的输出电压为600mVrms。
三、亮度通道(亮度信号处理电路)
康佳“D”系列机的亮度信号处理电路其主要功能是选择内部视频信号或外接视频信号,并经延迟、黑电平延伸、锐度控制、对比度控制、亮度控制送往基色合成矩阵,与色度信号处理电路送入的R-Y、B-Y、G-Y三个色差信号合成,输出R、G、B三基色信号。
亮度信号处理电路主要由LA7688N内部及少量的外围元件组成,由外部视频输入接口电路、TV视频输入电路(包含第二伴音中频陷波器)、Y信号延迟电路、黑电平延伸(扩展)电路、直流恢复电路、白峰限制及锐度控制电路、对比度控制电路、亮度受控放大器、行场消隐电路、屏幕字符显示输入电路、高速消隐电路、无信号蓝屏静噪电路、基色合成矩阵及三基色输出接口电路等组成。
1.外部视频输入接口电路
外部视频信号由VIDEO IN专用插口输入,R814(75Ω)为负载匹配电阻,R815、C803、R805为隔离传输电路,既能传输外部视频信号又能避免两个设备(影碟机与彩电)之间分布参数可能引起的自激,VD803(8.2V)为保护用稳压管。外部视频信号接入LA7688N的,进入内部的V(视频)开关。直流电压典型值应为4.OV,输入到的外接视频信号交流电压典型值应为1.OVpp。
2.内部(TV)视频输入电路(包含第二伴音中频陷波器)
从图像中频锁相环检波并经视频放大的TV彩色全电视信号及第二伴音中频信号由LA7688N的⑧脚输出(内部视频信号电压的典型值为2.OVpp)。在V184、V183两个PNP管缓冲级之间接有Z102(6.OMHz陷波器)及Z103(6.5MHz陷波器),可以吸收6.0MHz或6.5MHz第二伴音中频调频信号,以避免伴音信号对电视图像造成干扰。然后TV视频信号通过L191∥R194、C190回送到LA7688N的⑩脚(INT.V.IN),进入LA7688N内部的V(视频)开关。
3.V开关电路
LA7688N的内部V(视频)开关电路,原设计有四种功能状态,并由①脚电位确定:当①脚电位在0~1.4V之间时,为内部SECAM制;当①脚电位在1.7~2.6V之间时,为内部PAL/NTSC制;当①脚电位在2.9~3.8V之间时为外接PAL/NTSC制;当①脚电位在4.1~5.OV之间时为外接SECAM制。康佳“D”系列机仅采用其中两个功能电位,即内部或外接PAL/NTSC制信号。“D”系列机LA7688N①脚电位由微处理器ST6367控制,在ST6367到LA7688N①脚之间接有R603、R604、R605、R218四个电阻,这四个电阻阻值搭配,必须满足以下条件:即ST6367内部场效管导通时为OV,而LA7688N①脚在1.7~2.6V之间(设计值2.2~3.3V);当ST6367内部场效应管截止时,内部相当于开路,此时LA7688N①脚电位应在2.9~3.8V之间(设计值3.2~3.3V)。
4.Y(亮度)信号延迟和黑电平延伸电路
LA7688N采用内藏式Y延迟线,并随信号的制式不同,内部Y延迟时间亦不相同,并能自行调整;当信号为NTSC制时Y延迟540ns;当信号为PAL制时,Y延迟530ns;当信号为SECAM制时,Y延迟640ns;当信号为S端子PAL制时,Y延迟370ns。由于内藏式Y延迟线能自动调节Y的延迟量,满足各种制式信号时的Y/C都能同时在屏幕上显示的要求,必然使彩色图像的质量更加完美,而且达到了外围电路既简单又无需调整的目的。LA7688N的黑电平延伸及直流电平恢复电路均在集成块内,无外围元件。
5.白峰限制和锐度控制电路
锐度控制电路或称Y信号校正电路:将Y信号与二次微分Y信号反向放大后与原信号叠加,使画面轮廓得到加强。锐度控制的直流电平由LA7688N脚(SHARP)输入,用以改变二次微分信号的量值以达到满意的画质。“D”系列机上LA7688N脚的直流电平为固定值,即锐度控制已设定在最佳状态。而画质的调节可通过微处理器ST6367内部软件处理,并设定有四个状态,在屏幕显示的同时,改变对比度电压的比例,达到客户选择(柔和、动态、标准图像、自选图像)最满意的画质。
6.对比度控制、亮度控制电路
LA7688N脚为对比度控制电平输入端。其控制电压在1.9~4.5V之间变化,对比度最大可调节范围可达23dB(典型值20dB)。
LA7688N为亮度控制电平输入端,亮度最小值MIN(0.5V)、亮度典型值TYP(2.5V)、亮度最大值MAX(4.5V),在T2519D型机上实测亮度控制电压即电压,可在1.6~4.OV范围内变动。
7.基色合成矩阵电路
LA7688N的为R、G、B三基色信号输出端,由输出的三基色信号经R333、R334、R335三个隔离电阻,并通过接插件XS301输入末级视放电路。R、G、B输出的直流电压,当为黑白信号(无彩色)时的典型值为5.OV,三个基色信号的直流差值电压在无彩色时应为零,最大差值不超过0.25V。VD305、VD304、VD303为保护用稳压二极管,其反向结电容亦可作为高频旁路用,因此取消了一般机型基色信号进入末级机放时的三只82pF电容。
8.屏幕显示输入电路
LA7688N视频处理电路上还有外接屏幕显示的输入开关电路,它可提供外部R、G、B信号输入,如图文电视、字符显示、子画面显示等信号。外部R、G、B信号由LA7688N的输入,则为TV/EXT的R、G、B转换、叠加及快速消隐控制信号输入端子。
屏幕显示(OSD)输入电平为0.7Vpp,屏幕显示(OSD)输出最大值为4.2Vpp,最小值为0.5Vpp,文字信号输出频率特性(BW OSD)为9MHz。输入的高速消隐信号(F-BLK)门限电平为1.1V。
“D”系列机LA7688N为B字符输入端,未与ST6367连接,因此无蓝色字符显示(亦不可能有紫、青色字符)。
“D”系列机LA7688N外围增加了一个“蓝屏静噪”电路,该电路在无电视信号5秒钟后开启,利用行逆程脉冲作开关信号,使行扫描正程期间LA7688N的得到52μs的脉冲高电位,使全屏幕显示蓝色,并同时静音。 (张传轮)