器件介绍
WS157稳压式开关电源控制器件,是一种将控制电路和功率开关管集成在同一芯片上的表面贴片电源器件,其内部具有PWM控制以及过流、过热等多种检测保护功能,仅需外接合适的开关变压器就能正常工作。如果对220V交流市电直接进行整流滤波输入,即可十分方便地构成一台电路简洁、性能可靠实用的小功率稳压式开关电源,特别适合作为20W以下的电器设备、仪器仪表以及特殊场合(如需微体积、轻重量、大范围稳压和长时间工作)的稳压供电电源。
WS157是三端IC,采用如图1所示的贴片式塑料封装。该电路为双极晶体管与MOSFET管混合电路,内部由信号振荡源、PWM比较器、误差放大器、控制电路、基准源、多种保护电路以及击穿电压≥700V的MOSFET功率输出管组成,其结构框图见图2。由于该电路器件仅有三个出线端口,很多功能在内部已经设置和完善,因此具有以下特点:1.最大输出功率P\(_{0}\)(输出电压V0与输出电流I\(_{0}\)的乘积)为18W,当输出超过20W时,电路自动限流保护。2.功率开关管耐压值较高,可直接应用在265V以下交流市电中作AC/DC变换。3.内部振荡器设置频率为100kHz,使开关变压器的体积可以做得很微小。4.占空系数与输入控制极的电流成反比,即流入c极的电流线性增加,输出功率管的开关占空比则线性减小,导通角可在3%~47%范围内变化。5.具有过流自动检测、过压保护、超温(TD=145℃)关闭,欠压(≤80V)锁定以及自动恢复工作等完善的保护功能。6.低的内部偏置,高效率及优良的抗噪能力。7.整个电源仅由一个稳压控制端与外部采样电路联接,使电路大为简化,可靠性也大大提高。8.应用灵活。WS157既可作降压使用,亦可作升压变换,也可用作大功率开关电源的推动控制级。


应用实例
由WS157控制的调宽式开关稳压电源应用实例见图3。图3中,220V市电经整流滤波后,在C1两端得到约300V直流电压,经变压器T的初级绕组加在WS157的D端,使内部偏置得电启动工作。R1、C2和VD2组成反峰箝位电路,可提高变换效率和降低D端反向峰值电压。次级绕组输出方波电压经VD3、C3、C4等整流滤波输出12V直流电压供负载使用。反馈绕组电压经VD1、C5等整流滤波后加入WS157的控制端作为采样电压。当输入电压下降或负载加重引起输出电压U\(_{0}\)下降时,L3的反馈电压也下降,则注入控制端的采样电流也减小,通过内部PWM比较处理,使功率开关管的占空比线性增大,从而保持输出端平均直流电压相对不变。其中R2、C5及L3反馈采样电压共同决定控制回路的起控状态,通常在满负荷时的占空比为0.47,空载时为0.03。图3中开关变压器可在1~18W之间选定。本文介绍的电路采用EE16铁氧体磁芯,设计功率为8W,先绕L1,用Φ0.12高强度漆包线绕168匝,再绕L2,用Φ0.51漆包线绕25匝(12V输出,改变输出电压增减L2匝数即可),最后绕L3,线径为Φ0.31,绕18\(\frac{1}{2}\)匝。VD3采用肖特基二极管,其它无特殊要求。图3的全部元件排布在一块30×4mm\(^{2}\)的电路板上,装配在一只塑料盒内,成为一种市电输入,稳压直流输出的AC/DC模块,这种模块型号为WE08××,后面两位数字为输出电压,通常分为05(5V)、06(6V)……36(36V)多种。

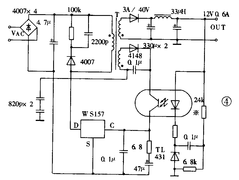
WE08型稳压模块当负载电流不大或空载时,输入电压在110~260V(AC)波动,输出电压几乎不变,这是传统稳压电路难以做到的,但其输出在负载电流波动时,由于依靠WS157自身处理,其稳压精度在0.93~0.95范围,已能满足一般需要,对于负载电流经常波动,要求稳压精度很高时,可采用图4电路,利用反馈绕组输出电压经整流滤波后,为光电耦合器提供直流电源,采用精密三端稳压器TL431作输出电压的V/I采样,去控制光电耦合器内发光二极管的发光强度,从而自动调节流入WS157控制极的电流,实现输出开关管占空比的精确跟踪变化,达到高精度稳压目的,其精度达99%以上。图4高精度稳压电路同样可制作在火柴盒大小的塑料盒中,成为通用的产品,型号为WH08××,输出功率为8W,型号后的两位数表示输出电压,与WE08系列相同。

采用WS157制作的AC/DC稳压源,由于电路简单,输入电压范围宽,稳压精度高,重量轻(只有传统稳压电路十分之一),因此,WS157是取代传统稳压电路的良好器件。(蔡凡弟)