各种各样的报警器在社会各个领域的应用日益增多,报警器中的自锁电路是一个重要部分。一旦出现报警信号,自锁电路即锁定,即使报警信号消失,自锁电路仍维持报警显示电路工作。待警卫人员确认报警信号后,才可手动关闭报警器。这类自锁电路一般用于重要部门的监控设备中,也可用于医院病房的监护呼叫系统。
这里介绍一种简单的报警自锁电路,通过制作使初学者理解自锁电路的工作特点,认识三极管的开关作用。
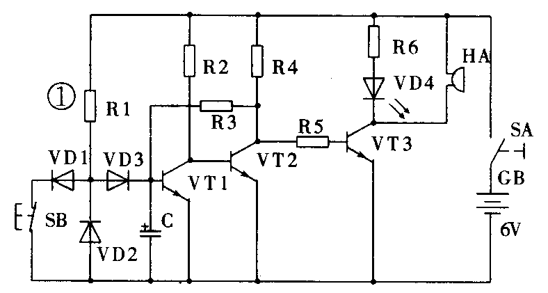
电路原理
图1是报警自锁电路的原理图。其中二极管VD1和VD2起到防止破坏、保护自锁电路和抗干扰的作用。若用于医院病房的监护呼叫系统中,则可以省去这两只二极管。

电解电容器C不仅使电路在启动时处于正常工作状态,还可以滤除外界的干扰信号。
三极管VT1和VT2组成自锁控制电路。当报警开关SB闭合时,电路处于正常工作状态,此时VT1截止,VT2饱和导通。一旦报警开关SB断开,电源电压经过电阻R1和二极管VD3使VT1导通,VT2截止。此时VT2集电极上的高电压通过电阻R3反馈到VT1的基极,维持VT1的导通,即使报警开关SB再次闭合,也无法改变VT1的工作状态,电路“锁”住了。要解除报警状态,只能将电源开关SA断开一下,自锁电路才能复原。三极管VT3等构成驱动电路,使发光二极管VD4和蜂鸣器HA工作,提供了一个声和光的显示。
元器件的准备
电路所需元器件见附表。需要说明的是:VD1和VD2所以选用1A/400V的管子,主要是为了防止坏人有意破坏。保护自锁电路不会被外界的较高电压所损坏。另外蜂鸣器HA是一种带振荡的有源蜂鸣器。虽然它的体积很小,但它的内部带有集成电路,使用时要分清正负极。

自制印制板
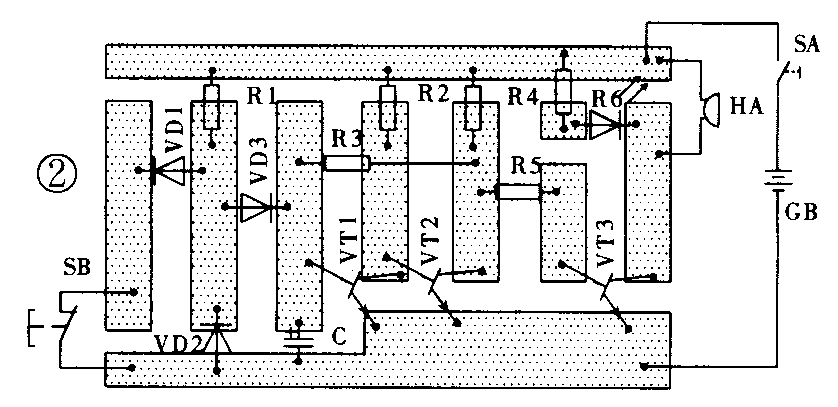
印制板是电子制作中不可缺少的部分,学会自制印制板,掌握这个技能是很有好处的。图2是报警自锁电路的电路板安装图。首先找一块50mm×30mm的覆铜板,按图2所示画好线。每条铜箔的间距为21mm。第一步,用小刀将铜箔刻断,将需要去掉的部分用刀尖撬起,用镊子夹住撬起的铜箔将它撕去。第二步,在指定的位置上打孔,孔径为1mm。第三步,用细砂纸把铜箔打磨干净,涂上松香水(用酒精泡制的松香),自制的印制板就可以使用了。

这个报警自锁电路属于开路报警电路,报警开关的电阻在1kΩ以下均不报警。利用这个性质,若把开关SB换为一个光敏电阻,会怎样呢?如果你想做一个短路报警电路,又应怎样修改这个电路呢?这些问题留给读者自己去试验。(作者通信地址:100009,北京景山后街11号,青少年科技馆,电话:010-64041872)(周海)