随着微电子技术的普及与发展,近几年来陆续出现了多种新颖的电子贺卡,如音乐贺卡,闪光音乐卡,会说“祝你生日快乐”、“恭喜发财,好运常来”的语声贺卡,还有一种更新奇的录音贺卡,它能像录音机那样随时录放各种声音。电子贺卡的出现,给传统的贺卡注入了新的活力。
音乐贺卡 图1是音乐贺卡的印制板图。电路非常简单:由音乐集成电路(内部储存了一首或多首的音乐旋律,有上百种常见音乐曲目可供选择)、带助音腔体的压电陶瓷蜂鸣器(一种价廉的高音丰富,音质清脆的发声体)、1节1.5V纽扣电池和特制的位移开关所组成。为了方便生产制作,通常厂商都将图1中的纽扣电池夹、开关金属片安装在音乐集成电路的软封装基板上,将压电蜂鸣器的两根引线焊在电路的相应焊盘上,然后再将整个电路用万能胶水粘在一张规格约为82mm×35mm的单面不干胶水纸上,这就制成了电子贺卡专用机心(见图2)。


制作电子贺卡的方法及步骤:
1.选择一张三折精美贺卡(或动手制作)。
2.将图2中的塑料隔离垫片水平方向拉出,再沿虚线部分将电子机心的不干胶水纸垫折叠180°(切不可连塑料开关片一块折叠)。
3.摊开贺卡,将电子机心的虚线部分与贺卡中间的折合线对准并贴牢。打开贺卡时,塑料片由水平方向拉出,开关被接通,蜂鸣器发出音乐声;合上时,塑料片被推入,将开关断开,音乐声立即停止。这时,一张精致的音乐贺卡就算制作成功了。
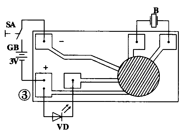
闪光音乐贺卡 图3是带1只发光二极管的音乐贺卡的印制板图。图4是可带4只发光二极管的音乐贺卡的印制板图。将图3与图1电路作比较,不难看出图3仅多了一只发光二极管。当图3电路接通开关SA时,伴随着欢快的乐曲声,发光二极管同步闪烁。图4电路驱动功率较大,可同时控制4只发光二极管工作。VD1~VD4可选择超小型、低功耗、颜色形状各异的发光二极管。电路采用2节1.5V纽扣电池串联供电。贺卡的制作方法及步骤同上。


语声贺卡 图5是语声贺卡的印制板图。电路的核心部分是一块语言集成电路,它内部储存了一句或多句语言信息。当接通开关SA,语言集成电路输出音频信号经三极管放大后,直接推动扬声器BL发出“祝你生日快乐”等祝福的语句。由于受体积限制,BL应选择超薄型小扬声器。

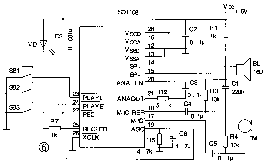
录音贺卡 图6是录音贺卡的电路原理图。图中的ISD1108是一块录音时间为8s的单片永久型语音录放电路,它属于无磁带机构的录音电路(即固体录音机电路)。ISD系列录音器件中还有10s、12s、16s、20s直至数分钟等多种规格,可广泛应用于交通、医疗、通信、计算机以及玩具等众多领域。制作贺卡以5s~20s较适宜。图6中的SB1是边沿触发放音键,SB2是电平触发放音键,SB3是录音键。当按住SB3时,录音指示灯VD亮,即录音开始,松开SB3,录音停止。实际使用时,一般选择边沿触发键,不必安装2只放音键。制作时,选择一块与贺卡规格尺寸相同,厚度约4mm的泡沫塑料块,将泡沫塑料块挖空刚好可将图6电路板、扬声器、纽扣电池、按键开关等置于其中,然后再盖上贺卡即可。上述几种贺卡电子机心还可应用于制作各种有声像薄、纪念册等。(作者通信地址:510080,广州市东风东路745号,电话:020-8766483) (王南阳)
