一、前言
玩具语音电路是语音电路中的一大类。因为玩具属于一次性消费易损品,市场潜力最大,用量也最大。SR6004是一种专门为电子玩具设计的语音电路,具有许多小孩很喜欢的功能:梦幻回响、太空机器人声、变调语音、鹦鹉学舌等。
二、特点
1.单电源:+4.5V~6V;2.操作简单:4种功能4键切换;3.体积小:成品板只有3.5×5cm\(^{2}\);4.多功能:(1)梦幻回响效果,(2)鹦鹉学舌,(3)变调功能,(4)太空机器人模拟声;5.成本低;6.用途广泛:电子玩具。保安变调门铃、保安电子变调电话机、变形金刚、电子鹦鹉、录音玩具;7.直接驱动马达:产生动感。
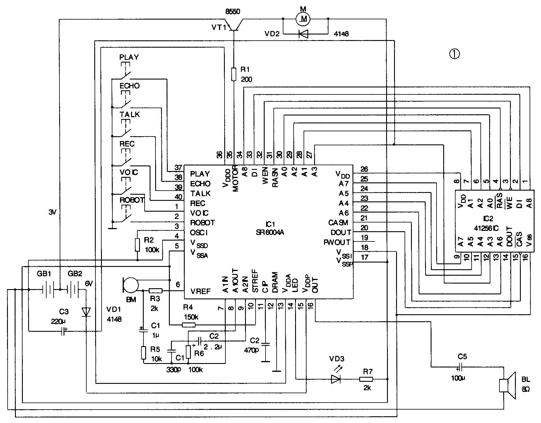
三、原理图(见图1)

四、元器件布局及接线图(见图2)

五、操作方法
1.梦幻效果 按“回响”键指示灯亮,此时对着话筒讲话,SR6004自动配乐并调制语音内容,产生一段非常有趣梦幻音乐语音效果,百听不厌、妙趣横生。
2.太空人声 按“太空人”键,SR6004自动将录制的语音内容转换成小朋友们爱听的“太空机器人”声,吸引小朋友。
3.变调声 按“变调”键,SR6004自动实现语音变调。
4.鹦鹉学舌 按“鹦鹉学舌”键,SR6004自动重复话筒接收到的语音。
5.录音键 在以上4种功能状态下,每按一次录音键,马上重新开始该状态的录音。
6.放音键 在前4种功能状态下,在放音刚刚结束时,立即按放音键,则重复上次语音内容的放音。
深圳市特思高电子有限公司常年供应:SR6004成品板32元,批发从优。
地址:深圳市福田区车公庙工业区212栋四楼西侧;电话:0755-3306152、3306159、3306165;传真:0755-3308160;联系人:杨建华;开户行:建行车公庙办;帐号039002630020517;邮编:518040;以上邮资每次10元,特快专递每次40元。 (杨跃华)