(本期问题由汤志成同志解答)广西 孙荣明:一台熊猫C64P3彩电中开关电源部分的SE120N烧坏,一时买不到SE120N,能否用分立元件代换之?
SE120N是开关电源三端误差取样放大集成电路,其①脚是+B直流取样输入端、②脚为输出端、③脚为接地端。它可以用极易买到的S1854LBM-4(松下TC-2188机等采用)来直接代换,并且还可以用SE110、SE115N来直接代换。
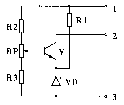
SE120N也可以用分立元件按下图来代换。

图中R1=47kΩ、R2=39kΩ、R3=2.4kΩ、三极管V用3DG12、VD用2CW14、2CW55等6.8V稳压管,RP为一只680Ω的微调电阻,代换后微调RP使+B符合要求即可。
北京 刘显发:一台飞利浦20CT6050彩电的电源开关管BUX84损坏,买不到同型号管,能否用其它三极管代换之?
BUX84的主要参数BV\(_{CEO}\)=800V、ICM=2A、P\(_{CM}\)=40W,市场上不易买到,但是它可以用各项参数均优于BUX84,并且极易得到的彩电常用电源开关管BU508A、D1402、D1403等直接代换,维修实践表明,代换效果非常好。
黑龙江 冷明春:一台台湾老式爱美(A-MARK)彩电中的HA1364损坏而无伴音,无法买到HA1364,能不能找到代用集成电路?
HA1364内含伴音中放、鉴频、音频功放等电路,目前市场极难买到。但是它却可以用极易买到且价格极为便宜(3元左右)的μPC1353C按下表改动代换之。
HA1364 μPCl353C
1 12
2 13
3 3
4 1
5 2
6 14
7 7
8 9
9 8
10 10
11 11
12 6
并且把原HA1364脚外电容、⑧外电容、⑨外电容及电阻、⑦与之间的电阻和电容拆除不用;在μPCl353C的⑧和⑨脚之间跨接一只33μF电容,④和⑦脚之间跨接一只4.7μF电容,⑥脚与地之间接一只1μF电容,⑤脚用一只150Ω电阻接12V电压,音量控制电位器中心抽头接,其上端用30kΩ电阻接⑤脚,⑤脚同时与地之间接一只100μF电容,不用调试,伴音即可正常。
北京 王春友:一台上海J144-11B3型44厘米黑白电视机中的CD1379CP损坏,产生一条水平亮线故障,无法买到CD1379CP,有无可以代换它的集成电路?
CD1379CP是一块行、场扫描电路,多用于早期的黑白电视机或小型彩电的同步信号处理,它除了有同步分离电路外,还有行、场振荡及激励等功能,其内部电压增强器大大降低了场输出级的场偏转功率。
CD1379CP的(1)脚为场同步脉冲输入,(2)脚为场振荡充电,(3)脚为场振荡放电,(4)脚为场电源电压,(5)、(7)脚接升压电容器,(6)脚场反馈,(8)脚场输出,(9)脚行激励输出,(10)脚行稳压器,(11)脚场脉宽消隐调节,(12)脚行振荡输入,(13)脚AFC输出,(14)脚AFC输入,(15)脚同步分离输入,(16)脚场同步脉冲输出。CD1379CP目前几乎无法买到,但是它可以用极易得的μPC1379或μPC1379C来直接代换,电路不必作任何改动。
广东 严荫荣:三极管3DG32D可以用什么样的管子来代换?
3DG32D的主要参数P\(_{CM}\)=300mW、ICM=30mA、BV\(_{CEO}\)=15V、fT=700MHz、h\(_{FE}\)≥30,该三极管的特别之处在于它的特征频率fT非常高,所以不能用普通的管子来代换,只有用特征频率也很高的管子如DG304、2G711B、2G711C等来直接代换。
上海 陈拜盛:一台德国生产的罗兰士ITT3304彩电的聚焦电位器损坏,无法买到同规格件,能不能找到代换件?
欧洲产的彩电的聚焦电位器大多和视放尾板作成一体,维修实践证明,这种聚焦电位器较易损坏,并且也买不到同样的聚焦电位器,但是它可以用很便宜的国产聚焦电位器直接代换,只要把接在原聚焦电位器上的聚焦线改接到新换的聚焦电位器对应的接头上,另接一根地线,并把该聚焦电位器用尼龙线固定于尾板的合适处,开机调好聚焦即可正常工作。其它如德律风根(TELEFUNKEN)、汤姆逊(THOMSON)、沙巴(SABA)等彩电的聚焦电位器一旦损坏,也可如此代换。
辽宁 张风文:松下NV-J25录像机无法接收到闭路电视中的增补频道,改动线路能否接收到这些增补频道的电视节目?
可以更换录像机的高频头,J25机的高频头是和射频变换器组合在一起的,型号是ANT/TUNERENV79820H3,更换时需把它从电视解调组件板上取下,再把射频变换器拆下装回原处,把增补频道如C型TDQ-38装在原高频头处,把射频变换器与原高频头连接的线圈焊到TDQ-38的天线输入中心处,两外壳连好即告代换成功。