在短短的十多年间,激光唱机、激光影碟机即风靡全世界,成为最为贴近人们生活,促进社会文化发展的高科技产品之一,在影、视、听领域,激光唱机、影碟机的出现,导致了一场根本的变革,用碟片作为载体,以其容量大、保真度高、使用快速、简捷、方便等特点,很快占有市场的巨大份额。各个厂家、各种牌号的激光唱机、影碟机大量流入娱乐城、影视厅和很多家庭后,在使用中,难免会出现故障,特别是激光唱机、激光影碟机的心脏—集成电路容易损坏。我们在平时的维修过程中,会遇到各种不同型号、不同功能的集成电路损坏,而我们要备齐所有型号集成电路确实很困难,这给维修工作带来一定难度。如果我们掌握一套激光唱机、影碟机集成电路的直接代换和应急代换的修理技巧,把损坏的集成电路用我们身边现有的集成电路来替代,将给我们维修工作带来极大的方便。
激光唱机、影碟机集成电路功能多种多样,主要有电机控制、运算放大、驱动电路、视频开关、双D触发、射频放大,伺服电路、APC电路、数字信号处理、CD系统控制、微处理器、数模转换、稳压电路等。其封装形式很多,同一功能的集成电路,型号也很多,内部结构、管脚功能、主要电参数、极限参数、外围电路也有较大差别。但不管如何,它们之间仍有规律可循,可用同一功能、不同型号的集成电路进行直接替代或稍加改动进行应急替代。
把一些同一功能、不同型号的集成电路进行对照分析,我们会发现典型应用电路的外围元件基本相同,这些集成电路我们完全可以在它们之间进行互换。
有些集成电路则需要稍加改动,在应急修理时,作应急代换。
无论哪种替代,应遵循的原则是:功能相同,性能接近,外围元件大致相当,其基本参数,极限参数能适应机器本身的工作条件。
在需要稍加改动才能作应急代换时,首先要遵循替代原则,查找有关资料,参照有关电路图,找到合适的替代集成电路。对照替代与被替代集成电路的外围接线图,找出它们各引脚功能的相应关系,列出引脚之间的对应关系表。
下面就本人了解的激光唱机、影碟机集成电路直接代换和应急代换作一介绍。
1.激光唱机、影碟机集成电路的直接代换
表1列出各类能直接代换的集成电路供大家修理时参考。

2.激光唱机、影碟机集成电路的应急代换
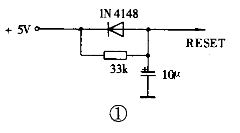
(1)14D0249的应急代换
14D0249是激光唱机微处理器的复位电路,当它损坏后,使微处理器不能正常工作。应急修理时,可用图1所示电路应急代用。

(2)LC7881的应急代换
LC7881是激光唱机的数模转换器,当它损坏后,可用LC7881M应急代用。两种集成电路内部结构相似,但封装形式和引脚稍有不同。LC7881为20脚双列直插封装,LC7881M为20脚A型平面封装,代换时,只要把序号相同的对应引脚接入电路中即可。
(3)M51957AL的应急代换
M51957AL是激光唱机的复位电路,损坏后可用RC分立元件应急代换,代换方法可参考14D0249。
(4)M51965AL的应急代换
M51965AL是激光唱机的复位电路,其损坏后的应急代换方法可参考14D0249。
(5)STA451C的应急代换
影碟机的功率驱动集成电路STA451C损坏后,无法驱动聚焦线圈、循迹线圈、进出盘电机和径向电机正常工作。应急修理时,可用分立元件代用,STA451C应用电路和代用电路如图2(a)、(b)所示。

(6)STA455C的应急代换
STA455C是激光影碟机的主电机驱动电路,当它损坏后,会使影碟机的机械部分无法工作。因STA455C不但价格昂贵,而且很难买到,应急修理时,可用两个D326和两个B511代用,其代用电路如图3所示。

(7)TA8410AK的应急代换
TA8410AK是激光影碟机的双功率驱动电路,损坏后如买不到相同型号的更换时,可用两块TDA2030A应急代换。代换时,将两块TDA2030A的引脚按表2所示的对应接法,替换TA8410AK即可。 (成开友 徐照勋)
