开关电源故障及开关电源引起的故障在彩电故障中约占一半,其中电源厚膜块的损坏又在开关电源故障中占很大的比例。目前彩电开关电源所用的双厚膜块型号繁多,有部分型号不但贵还不易购到。因此,了解电源厚膜块的电路结构,掌握电源厚膜块的代换技术是十分必要的。
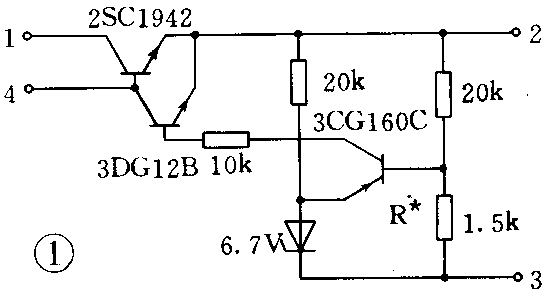
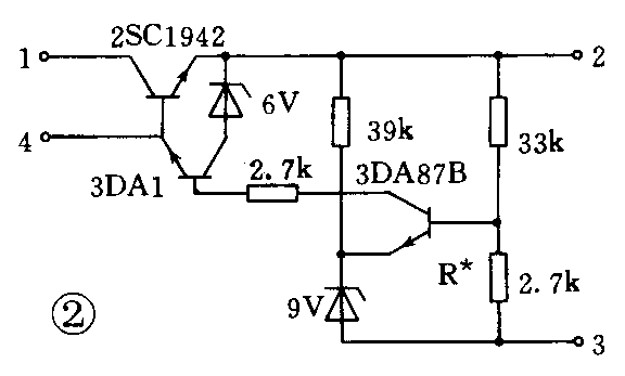
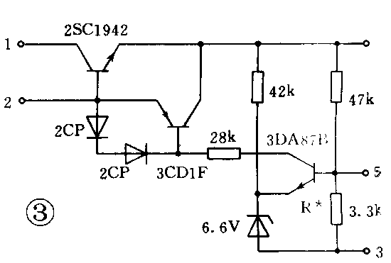
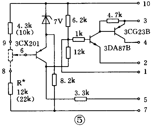
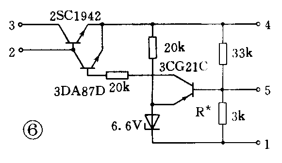
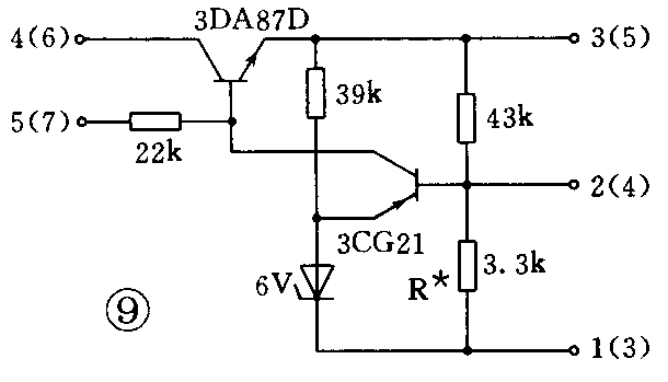
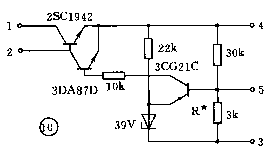
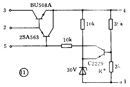
笔者在实际维修中收集了近百种常见的电源厚膜块的型号,把其中电路结构相同,主要电参数相近的厚膜块归为一类,共分了14类(见左表)。同一类的厚膜块可以互相代换,虽然输出电压会有所不同,但可通过改变外电路的电阻值,使输出电压值符合要求。每一类厚膜块对应一张电原理路图,见图1~14,图中提供的数据,与原数据可能略有差异,可供参考。在实际代换中,只要选择电参数值与之相近的,再略调R*的电阻值,使开关电源的输出电压符合要求。电路中的电阻应选用1W以上的金属膜电阻。

注(1):下面14幅图所提供的数据为仿制时的代用数据,与原数据可能会略有差异,但不影响使用。
(2)上表中,处在同一栏内的厚膜,可以相互代换。虽然输出电压会有所不同,但可通过改变外电路的电阻值,使输出电压符合要求。(沈文)














在代换开关厚膜块之前一定要查清是否还有其它元器件也损坏了,以免再造成厚膜块损坏。在调整开关电源的输出电压时,应接上一个60~100W的灯泡做假负载,以防过压导致负载损坏。