三、直接耦合放大器
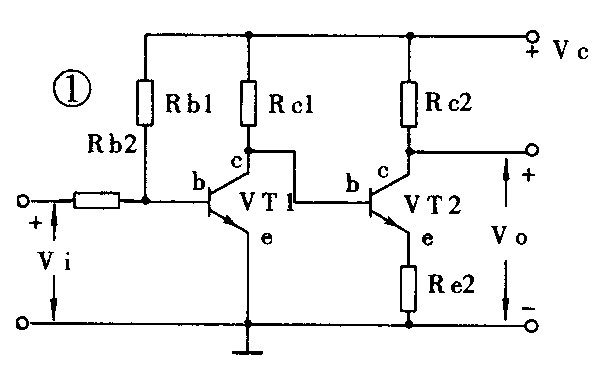
前节所提放大器的级间耦合都是采用电容或变压器来实现的,但在实际应用中常常需要放大一些变化极为缓慢的周期或非周期信号以及极性不变的直流信号,对这些信号的放大就必须采用直接耦合方式,否则信号通路将被隔断。由于直接耦合,前后级之间便出现了相互牵制,图1为后级接发射极电阻的直接耦合放大器,图中若R\(_{e2}\)=0,则Vce1=V\(_{be2}\),VT1的工作范围将受到限制;若Re2≠0,则V\(_{ce1}\)=Vbe2+V\(_{e2}\),只有选择合适的Re2才能使VT1有较大的工作范围,又保证VT2有合适的静态工作点。由于R\(_{e2}\)的加入将使VT2的放大倍数下降许多。如当Vce1上升时,V\(_{be2}\)上升,Ie2上升使V\(_{e2}\)上升,结果降低了Vbe2上升的比值。尽管如此,由于其结构简单使用仍很广泛,有时为了降低其影响用二极管等取代R\(_{e2}\)。

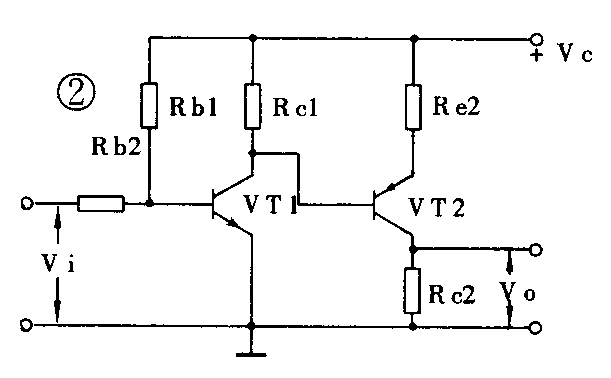
图2是采用NPN与PNP型管混合组成的直接耦合放大器,该电路可使V\(_{i}\)=0时,Vo接近于0,或为0,而PNP管的放大作用也得以发挥,整个电路放大倍数就得到了提高。

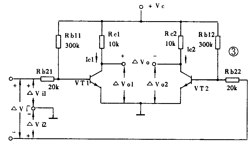
在直接耦合放大器中用得更为广泛的是差动式放大电路,如图3所示。它利用两只三极管的相同特性进行温度补偿。当ΔV\(_{i}\)=0时,ΔVi1=ΔV\(_{i2}\)=0,由于对称,Ic1=I\(_{c2}\), Vc1=V\(_{c2}\),所以ΔVo=0,即当输入为零时输出也为零。当输入ΔV\(_{i}\)≠0时,有VT1的输入ΔVi1=\(\frac{1}{2}\)ΔV\(_{i}\),VT2的输入ΔVi2=-1;2ΔV\(_{i}\),在完全对称时,ΔLc1=-ΔI\(_{c2}\),ΔVo=ΔV\(_{o1}\)-ΔVo2=-ΔI\(_{c1}\)Rc1-(-ΔI\(_{c2}\)-Rc2)=-2ΔI\(_{c1}\)Rc1,因为输入信号是2ΔV\(_{i1}\),所以差动放大电路的放大倍数与单管电路相同。在温度发生变化,电源电压产生波动时,由于电路完全对称,其Ic1和I\(_{c2}\),Vc1和V\(_{c2}\)的变化均是同方向同量值的,因此相互抵消,对输出ΔVo不产生影响。差动放大电路在集成运放中被大量使用。

四、集成运算放大器
前面介绍的放大单元电路均由分立元件组装而成,而大量的家电、仪器仪表中都已采用集成运算放大器(简称运放),不少品种仅由几片甚至于一片集成电路组成,因此了解运放是非常重要的。运放是一种高增益的直接耦合放大器,它有两个输入端、一个输出端,见图4。从其“+”端输入信号,输出与输入同相;从“-”端输入信号,输出与输入反相。运放两输入端之间的电压称之为差模输入电压,它工作时总是连接成图5所示的负反馈电路形式。A\(_{VD}\)为运放的差模开环电压增益,AVD=V\(_{o}\)/Vi(Z开路),V\(_{o}\)通常为有限值(如≤5V),而AVD一般很大(如10\(^{4}\)),那么V\(_{i}\)≤0.5mV,与Vo相比为0.01%,因此近似认为V\(_{∑}\)≈0。其实质是由于输出电压Vo通过Z\(_{f}\)向反相输入端引入很强的电压负反馈,将Vi压低到接近于地而不等于地的电位。通常称∑点为“虚地”(并非真实的地,否则输入信号就全部短路了),此现象称为相加点抑制效应,是分析运放工作的最基本的概念。由于V\(_{i}\)≈0,所以Is≈I\(_{f}\),Vs≈I\(_{s}\)Zs,V\(_{o}\)≈-IfZ\(_{f}\),因此图5的闭环电压增益Avf≈V\(_{o}\)/Vs=-Z\(_{f}\)/Zs。此接法称为反相放大器。


图6为同相放大器,根据虚地概念
(V\(_{o}\)-Vs)/R\(_{f}\)=Vf/R\(_{1}\),Vo/V\(_{f}\)=1+Rf/R1
即同相放大器闭环电压增益为A\(_{vf}\)=1+Rf/R\(_{1}\)。

图7为电压跟随器,显然A\(_{rf}\)=1。它与射极跟随器相似,具有极高的输入阻抗和极低的输出阻抗,在电路中常用作缓冲级。

如果将运放的输入、输出、反馈回路接上不同阻抗性质的元件,便可构成多种回路,但其“虚地”性质总是不变的。
图8为一种采用集成功放LM3886的发烧级功放电路,其峰值功率可达50W(RMS)。LM3886在5Hz~100kHz内线性度优良,其互调失真低达0.004%,总谐波失真仅为0.03%,此外,还兼有过压、欠压、过载、短路、超温保护及静噪功能。如此优越的性能与功能若用分立元件来实现,其复杂程度是可以想象的。该运放外围电路很简单,仅由几个无源元件构成反馈网络,无需调整,装好即可工作。与上一讲介绍的OCL功放相比,无论是设计上还是检修上都要方便得多。

运放按其性能、指标可分为以下几类:
1.通用型运放 一般为早期产品,各种指标较低,价格也低,常用于要求不高的线路中。
2.低功耗运放 其静态电流小、工作电压低,其他指标也较优越,主要在电池供电或要求较高的袖珍型、便携式家电和仪器仪表中使用。
3.高精度运放 是指漂移、噪音非常低而增益和共模抑制比非常高的运放。常采用斩波稳零结构。
4.高输入阻抗运放 常用于采样保持器、对数放大器、电荷放大器等电路,目前最高的输入阻抗可达10\(^{14}\)Ω数量级以上,通常这些运放还兼有高速和宽带的优点。
5.高速、宽带运放 在A/D、D/A、视频放大等高速电路中应用较多,不少转换速率可达1000V/μs,单位增益带宽超过1000MHz以上。
6.高压、大功率运放 主要是满足高输出电压和高输出功率的要求,有些可作为功率放大级的推动级,而有些便可直接作为功率放大器使用。
还有不少特殊功能的运放,并且还在不断向前发展。设计电路时应在成本许可的前提下优选高性能运放,以提高产品的技术指标、稳定性及工艺性;在检修时如没有同型号器件替换,应该用高一档次的运放替代。(张文锦 洪荣晶)