多功能开关型固态控制继电器(以下简称JKGD),集输入开关操作及自动控制于一体,具有以下优点:控制端不需要外加电源;与交流负载安全隔离;能与多种参数、多种型号的开关及传感器相连,实现交流大功率负载的通、断。它还适合于有防爆要求的场合;用它作液面控制时,电极几乎无极化现象并有自锁功能,不会因液面的微小变化而引起输出端负载的抖动。
外形及触头功能
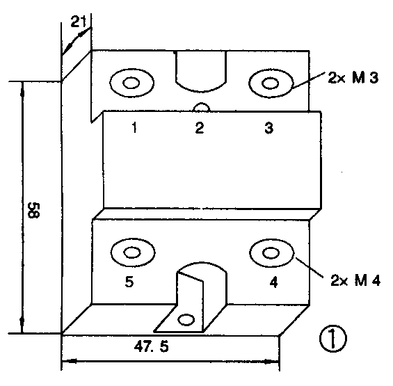
JKGD电流为3A的产品外形见图2,5A~50A的外形见图1,单位为mm。JKGD分A型和B型两种,B型的2脚为空脚(即B型只有4个引脚)。JKGD各引脚功能见图3。



图4为JKGD的内部电路方框图。可控硅接受触发电路的脉冲控制,脉冲的宽窄由1、2、3脚外接的等效电阻控制,当外接的等效电阻减小时,变压器的退磁电流增大,脉冲变窄,不能触发可控硅,输出端4、5脚断开,反之则闭合。常闭型特性曲线见图5。


JKGD的输出状态分为常闭型和常开型(K)。常闭型工作状态为:控制端开路时(或大于开关电阻)负载得电工作。常开型则相反。未作特殊标明时JKGD均为常闭型。
主要技术指标
1.额定工作电压U\(_{(4,5)}\)为交流220V、50Hz,工作电压根据选用可设计在24V~380V。
2.工作电流为3A~50A。
3.控制端开关电阻阻值R0一般为20kΩ~50kΩ,根据需要可设计在1kΩ~100kΩ。
4.开关控制端导线的控制距离可达1km。
5.控制端与电源、外壳的介质耐压≥2500V,绝缘电阻≥500MΩ。
应用举例
1.作远距离隔离防爆开关
图6是在煤矿井下作远距离电源开关控制的电路图。它由JKGD 8A常开型(K)器件与小型按钮开关S组成,用它代替老式的防爆型按钮,通过对真空交流接触器的控制来接通或断开电源。当开关S断开时,常开型JKGD4、5脚断开,交流接触器不吸合,切断电源;当开关S接通时,4、5脚导通,交流接触器吸合,接通电源。这样就可以通过小型开关S实现远距离的电源安全控制。需要说明的是:开关S可设计多个,在野外作业时能在任何一个地方对目标进行操作控制。

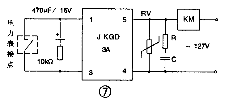
2. 解决计量仪表输出抖动现象
目前许多化工厂或煤气厂的压力自动调节,常采用电接点压力表与交流接触器的综合功能来实现,但由于压力波动或机械振动等原因引起的电接点抖动现象,常使控制信号时通时断,造成信号不够稳定,这会缩短设备寿命,甚至会酿成事故。选用JKGD与接点相连就能解决这一问题。其方法为:在JKGD的输入端加R、C延时电路便可消除抖动,延时大小可自行设定,但一般不超过两秒钟。
图7是选用JKGD3A器件与电接点压力表相连的电路。

3.与多种传感器相配实现自动控制
JKGD的输入控制端是接受电阻变化而实现开关控制的,因而能与热敏、光敏、湿敏等电阻变化型传感器相连作自动控制,还能与感温变化的接点型双金属温度继电器、电接点水银温度计等多种传感器相配。
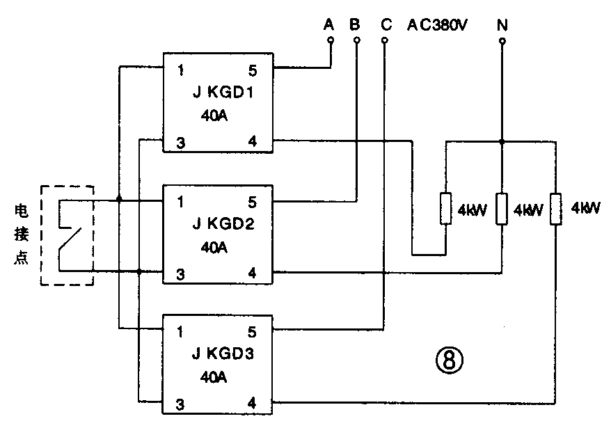
图8是与电接点水银温度计组成的恒温自动控制器。它选用了三支40A的JKGD与温度计组成12kW的三相加热装置。电接点水银温度计的温度可在一定范围内(0℃~300℃)任意设定。当温度上升到设定点时,温度计中的水银与电接点导通,电阻为零;当温度低于设定点时,温度计中的水银与电接点断开。利用接点的通断可控制JKGD的断通组成恒温自动控制器。控温精度可达±0.5℃。

值得注意的是:由于JKGD为无触点开关,电流流通时会产生热量,应加装合适的散热器。实际工作电流为1A时,应配30cm\(^{2}\)的散热器。当然也可选用已配散热器的JKGD。
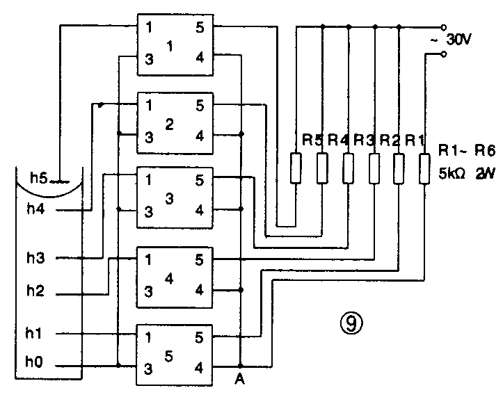
4.自动检测容器内液面高度
图9是检测容器中5个液面的液位控制电路。电源电压为交流30V,JKGD选用B型3A。从A点的电位变化可知液面的高度。满水位时JKGD1~JKGD5输出断开,R1~R5失电,A点电位为零。低于水位h\(_{1}\)时,JKGD1~JKGD5输出端闭合,此时电阻:R1∥R\(_{2}\)∥R3∥R\(_{4}\)∥R5,A点电位最高,接近30V。本电路也可选用交流220V用指示灯直接显示。

5.高低液位控制及声光报警
图10、11、12为一个电路能实现以下功能:当液面达到高位H时供液系统停机,红灯亮,此时声光报警可持续10s左右。当液面低于L时,停止排液并进行声光报警。电路执行的工作过程如下:当液面低于Z面而高于L面时,A型3A的1、2、3脚外接等效电阻为无穷大,则4、5脚导通,中间继电器KA1吸合,常开触头KA11吸合,供液系统供液,当液面达到Z点时并不停机,继续上升到H面,A型3A的1、2、3脚外接等效电阻为水的阻值,小于开关电阻RO,则4、5脚断开,KA1释放,KA11断开,停止供液。串入到报警电路中的KA12常闭触头由断开到闭合,报警电路接通进行声光报警(红灯亮)。当液面低于H时,由于器件有自锁功能,并不启动供液,只有低于Z面时,才重新供液,且Z点的设置可减少频繁启动。同样,如果液面低于L面,B型3A的1、3脚电阻为无穷大,则4、5脚导通,KA2吸合,常闭触头KA22断开停止排液。常开触头KA21闭合,报警器报警,指示灯绿灯亮。当液面高于L时,B型3A的1、3脚外接电阻为水的电阻,4、5脚断开,KA22闭合,允许排液。这里供排液的输出触头KA11、KA22分别串入到交流接触器中,还可串入手动开关。(陈光辉 徐文辉)


