双职工家里没人作饭,午休时间又短,回家现作也来不及。为此,本文介绍一种简单电路,能够在下班之前,利用闹钟让电饭煲自动通电作饭,只要早上将米淘好下锅,中午回来一进门即可吃上热饭。
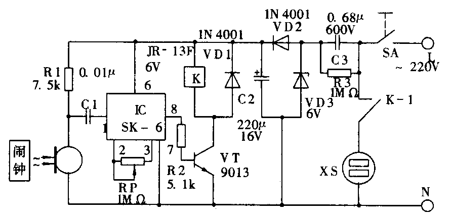
电路原理如附图所示。IC(SK-6)是CMOS声控电路,电源开关SA闭合,IC自动复位,8脚为低电平,继电器K处于释放状态。当预置的作饭时刻到来时,闹钟铃响,驻极体话筒将声音转变成电信号通过电容C1输人IC的1脚,8脚变成高电平,晶体管VT饱和导通,K吸合,常开接点K-1闭合,插在插座XS上的电饭煲(电饭堡上电源按键已按下)得电工作,饭热后自动进入保温状态,主人回家后断开SA,即可用餐。

市电220V经过电容C3降压,稳压管VD3稳压,二极管VD2整流,电容C2滤波后给控制部分提供5V直流工作电源。
元器件无特殊要求,其型号、规格、参数都已标在图中。整个电路结构简单,只需调电位器RP使闹钟声控最灵敏即可,这样可以避免其他杂音干扰造成误动作。(迟健男 金英)