一、用途
这个简单的小电路,通过一只光敏电阻的控制,可以使扬声器随着光线强弱的变化而改变音调。当光敏电阻处于完全黑暗的环境中,扬声器就停止发声,所以它还具有光控报警功能呢。
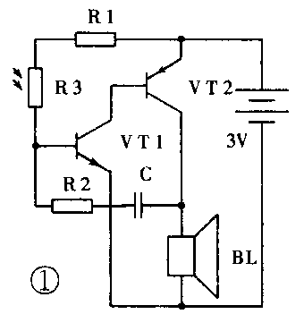
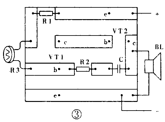
附表是元器件明细表,图1是光控电子变音器的电原理图,图2是它的实物联接图,图3是它的电路板安装图。




二、电路中的元器件
电路中的关键元件是一只硫化镉光敏电阻器(图2中绘出了它的外形)。在暗光条件下它的电阻值可达10MΩ;在强光下它的电阻值仅为数百欧。
这个电路使用了两只三极管,虽然它们的外观一样,但是这两只三极管的电路符号却不相同。三极管VT1的发射极箭头向外,另一个三极管VT2的发射极箭头向里,表示它们的导电类型不同,前者称为NPN型三极管,后者称为PNP型三极管,两者不能互相替换使用。由图可见,NPN型三极管集电极接电源正极,发射极接电源负极。而PNP型三极管恰恰相反。我们可用万用电表的欧姆挡测量和区分NPN型与PNP型三极管,测量方法详见本刊1997年第5期第42页。
三、制作
元器件认清后就可按图将它们焊接好。只要电路接线正确,不需调试就可以工作。
如果我们自制一块图3所示的电路板,那么焊接就要容易了。对于较简单的电路,可以用刀刻法自制电路板。首先在一块复铜板上安排好元器件的位置,画好连线,用小刀刻掉需要断开的部分,将多余的铜皮撕掉。然后钻孔,并用细砂纸将电路板铜箔打磨干净,并涂上松香水,就可以使用了。
这个电路虽然很简单,但是这种被称作互补式多谐振荡器的电路却有广泛的应用。这种电路由于使用了NPN与PNP型三极管,电路很简单。电容器C与电阻R1和光敏电阻决定了振荡器的振荡频率。如果我们将R1与光敏电阻用一只固定电阻器来代替,那么扬声器就只能发出一种音调。电阻值不同,扬声器发出的声音也不同。(周海)