盒式磁带录音机要求磁带以4.75cm/秒的恒定速度运行,以确保声音信号的正确录制与还原。然而,磁带在运行过程中,因受传动机构的阻尼和摩擦力的影响,以及电源电压的变化等原因,都可导致磁带速度的偏离。据测试约偏离1.75cm/秒,即可使重放时声音出现变调。为确保磁带速度稳定在4.75cm/秒,现代盒式磁带录音机的电机上都装有稳速装置。录音机用的直流电机上的稳速装置有机械稳速和电子稳速两大类。
机械稳速又称离心稳速。它是在电机的转轴上安装一个离心稳速器,利用不同转速产生的离心力不同这一原理来控制一个或一对机械触点的打开(断)与闭合(通)。此机械触点再控制电机的通电与断电,达到稳速的目的。如果因某种原因(负荷加重),导致电机转速下降,当转速降到低于某标准值时,离心力也就减小到某一标准值,使离心触点接通,电机通电,转速开始增高,当转速增高到高于标准值时,与转速同时增高的离心力又将机械触点断开,电机断电,转速又逐渐下降。如此往复循环,电机的转速就稳定在这样一个标准值的附近。离心触点开关频率非常高,一般为每秒钟几十次。因为离心式开关经常处于频繁的通断状态,所以其触点受火花的侵蚀非常严重。尽管开关在加工时对触点材料有所选择,但其使用寿命短仍是机械式稳速装置的致命弱点。为了克服这一不足,现代盒式磁带录音机一般都采用电子稳速式直流电机。
电子稳速电路与直流稳压电路很相似,采取与电机串联一个可变电阻(调整管)的办法来随时调整电机两端的电压。它们都有基准电路、取样放大电路及调整电路,所不同的是直流稳压电路力求电压稳定不变,而稳速电路则通过调整电压来稳定电机转速(稳定在标准值)。
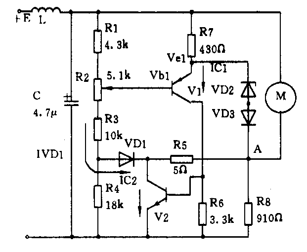
附图为国产录音机中用得很普遍的马布其电机稳速电路。电路的稳速原理分两部分简述。

1.负载转矩变化时的稳速(设电源电压不变)。
当负载转矩增加时(负荷加重),电机转速下降,此时电机绕组的反电动势随之减小,相当于电机的内阻降低。由R8和电机内阻分压决定的A点电位升高,A点电位的变化通过VD2、VD3加到V1的发射极,使V\(_{e1}\)增高。由于Vb1由R1、R2、R3、R4及R2的滑臂所在位置所决定的,电源电压不变时,V\(_{b1}\)也不变。那么,由转矩增加导致A点电位升高,变成Vbe1的增加,引起V1集电极电流增加,促使V2导通而电流变大内阻减小,由于V2的e、c极相当于和R8并联,所以A点电位随之下降,即电机两端电压升高,促使电机转速上升。当负载转矩减小时(负荷减轻),电机转速将增加,此时以上述相反的过程把转速降下来而稳定在标准值上。
2.电源电压变化时稳速(设负载转矩不变)。若电源电压降低,此时加在电机两端电压减小,电机转速下降。反电动势降低,电机电流增加,所以A点电位基本不变,V\(_{e1}\)也不变,可是Vb1却随着电源电压的下降而按比例下降,引起V\(_{be1}\)上升,这样Vbe1的上升使I\(_{e1}\)增加,V2电流增加,迫使电机两端电压升高,使转速恢复到标准值。当电源电上升时,电机转速将增加,此时以上述相反过程把转速降下来而稳定在标准值上。
电子稳速直流电机常见故障主要是转速失常,通常检修采用的办法介绍如下。
1. 电机转速失常一般是图中的半可变电阻R2滑动触头变动或接触不良引起。可用高级清洁润滑剂清洗。操作方法是用医药打针的注射器针头吸一些清洁润滑剂,伸进电机调节孔内(电机盖上)垂直插入注进1~2滴即可,然后略加调节,待转速稳定就行了。
2.调节半可变电阻转速仍然失常。很可能是半可变电阻R2损坏或变质,需更换同规格半可变电阻。
3.更换新半可变电阻后,调节它仍不能使电机转速稳定。从稳速原理上分析可能是R8(910Ω)变质所致,应更换电阻R8。
4.更换电阻R8后稳速还是不正常,则应检查电子稳速电路中的电阻有无变值,晶体管、二极管、稳压管有无损坏,发现有问题的更换后故障可排除。
5.检查电子稳速板上所有元件均正常,但电机转速仍不正常。应检查电机碳刷是否磨损或接触不良,应更换或校正使之接触良好。
6.电机开始运转正常,但十几分钟后便速度失常且电机有温度略烫手,这是电机绕组有局部短路现象,更换电机或重绕线包。
7.检查中不可忽视固定电机的三只螺钉是否有松动现象,如有松动应拧紧,否则电机不在平面上,转速也会有变化。
8.收录机电源供电是否正常,也应仔细检查,因电源电压不稳(升高或降低)将直接影响电机速度的稳定。(倪耀成)