大多数音响设备功率放大部分都采用集成电路(IC),不同型号的音响设备,其功放集成电路型号也不相同。在音响设备的维修过程中,我们会遇到各种不同型号功放集成电路的损坏,而我们要备齐所有型号功放集成电路确实很困难,这给维修工作带来一定难度。如果我们掌握一套集成电路的替代技巧,把损坏的集成电路用我们身边现有的集成电路来替代,就像晶体管的互换一样,将给我们维修带来极大的方便。
音频功放集成电路一般分单声道、双声道。其封装形式有单列直插、双列卧式、塑封、金属外壳封装等。但其内电路则多采用OTL电路。引脚功能一般有:(1)电源电压;(2)信号输入;(3)功放输出,;(4)负反馈;(5)滤波;(6)自举;(7)接地。其中,双声道功放集成电路的信号输入、功放输出、负反馈、自举分R和L两路。接地分前置接地和功放接地。根据需要,有的厂家用两块单声道功放电路组装成双声道功放。有时为了增大输出功率,把双声道功放连接成BTL电路作单声道功放。但不管如何,它们之间仍有规律可循,可用不同型号的集成电路直接替代或稍加改动进行间接替代。
把一些不同型号的功放集成电路进行对照分析,我们会发现,有很多不同型号的集成电路引脚排列、各脚功能以及其基本参数、典型应用电路的外围元件基本相同。这些功放集成电路我们完全可以在它们之间进行互换。如TA7299P、TA7270P、TA7240之间可直接替代。TA7214P与TA7229P之间可直接互换。有些功放集成电路则需要稍加改动才可替代。如:用HA1392替换AN7168时,只需将原电路②、⑤脚到地之间各并接一只20~30kΩ电阻即可。用TA7264替代TA7240时,由于它们内部功能、外围元件、输出功率均一致,只是管脚排列顺序正好相反,只需反过来装上即可。用BA536代换BA5402时,需将原电路中的 D、R1、R2拆掉。
表1是作者在维修实践中总结整理而成的音频功率放大集成电路的代换简表,供大家在维修功放时参考。

无论哪种替代,应遵循的原则是:功能相同,性能接近,外围元件大致相当,其基本参数、极限参数能适应机器本身的工作条件。特别是电源电压(不低于最低工作电压,不超过极限值)、输入阻抗、输出阻抗、输出功率及允许功耗等参数应基本相当。表1中所列的各种型号音频功率放大器如符合这些原则,可以替代,有些脚不一致需要改动。
在需要作大的改动才能替代时,首先要遵循替代原则,查找有关资料,参照有关电路图,找到合适的替代集成电路。对照替代与被替代集成电路的外围接线图,找出它们各引脚功能的相应关系,列出引脚之间的对应关系表。如信号输入脚对信号输入脚;功放输出对功放输出;电源电压对电源电压等等。然后,把替代集成电路设法固定在被替代集成电路的散热板上。再对照所列的关系表,把替代集成电路各引脚用导线分别一一对应接入电路中原集成电路各接脚位置。再根据需要,对电路作适当改动调整(尽量不改动原印制电路,待以后购到原型号集成电路,便于还原)。再仔细检查,确认无误后,即可试机,一般都会成功。
本人曾修理过一台双卡立体声收录机,其功放电路TA7269损坏,因当时手中无此电路,查找手中现有资料也无此介绍,我便根据电路板上TA7269的各引出脚所接元件绘出一张草图,如图1所示,查明各引出脚功能,列成表2。根据扬声器功率、电源输出的直流电压,估算出TA7269的一些电气参数,然后根据上面的理论数据和外围元件草图,与手中存有的功率放大集成电路比较,发现HA 1392与TA7269的外围元件、各引出脚功能、基本的电气参数均很相近。于是试着用HA1392代换TA7269,结果一举成功,音响效果也令人满意。具体做法是:先将HA1392倒装在原TA7269的散热片上并固定好。因HA1392的管脚间隙比TA7269大,故不能直接装在线路板上。然后将HA1392的各引出脚分别用导线按表1和TA7269原管脚焊点连接起来,并在HA1392的输入端②脚和⑤脚各并接一只33kΩ电阻入地。再将原①脚所接的47μF电容换成100μF即可,如图2所示。



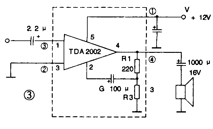
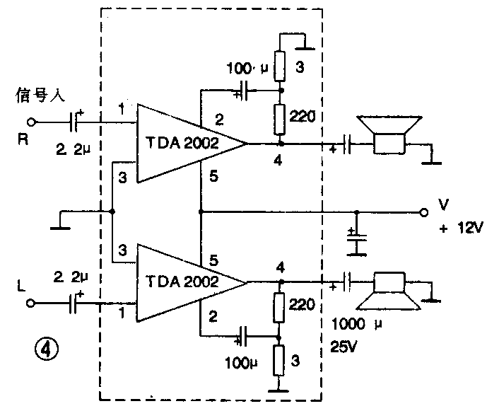
对于有些要对原电路作较大改动的,可采用一种简单有效的方法,即去掉原电路或利用原电路少量外围元件,用廉价、性能较好且外围元件极少的TDA2002代用,也能取得较好的效果。其方法是:单声道功放采用一块TDA2002,只要在原电路中找到四个接点,即①电源电压;②接地③信号输入;④功放输出。接点找好后,按图3接入电路中,只要连接无误即告成功。双声道功放可采用两块TDA2002组合,在原电路中找到六个接点,即在原四点基础上再找到另一声道信号输入、功放输出。然后按图4所示电路,分别接入电路中六个接点上即能正常工作。

图3和图4虚线框外为原电路板上元件,虚线框内为替代连接的元件。这种电路具有电压范围宽(8V~18V)、频响好、噪音低、外围元件少、改装容易、成本低、便于维修等优点。在电压为12V,负载阻抗为4Ω时,音乐功率单声道可达10W以上。适合大多数音频功放集成电路的改制替代。(成开友)
