半导体稳压二极管(简称稳压管)是电子装置中最常用的器件之一。但是,在使用中如何正确使用与代换,不少人都存在着模糊认识。笔者曾从某报刊上看到数篇有关稳压管如何代用的文章,文中曾介绍过将固定电阻和比原稳压管稳压值低(甚至低过一半)的稳压管串联后作为替代品(见图1)。严格说来,这种代用方法极为不妥,因为一般稳压管的动态电阻只有数欧姆至数十欧姆,而按上述方法串入的电阻肯定会远远高于稳压管的动态电阻(比如取稳定电流I\(_{W}\)=2.5mA,欲增加5V的电压,就要串入2kΩ的电阻),这无疑将大大增加稳压电路的等效内阻,导致稳压性能严重下降,甚至造成有关电路工作紊乱。因此,对于稳压管的选用、代换和使用操作等问题,要根据实际电路的具体情况具体分析,区别对待。下面仅就稳压管的替换代用、温度补偿、检测方法和注意事项等内容做些介绍,供大家参考。

一、直接代换
尽可能地选用原来的型号,以便在原型号中挑选适当稳压值的管子。若手边没有原型号的管子,也可以在主要参数与原稳压管极其接近的其它型号中挑选。例如,2CW1、2CW6A、2CW7E和2CW15这四种型号的稳压二极管电气参数比较接近,互换较为方便,具体参数见表1。有些场合只强调稳定电压和稳定电流这两项参数,而其它方面无严格要求,挑选的余地就大多了。

二、串接代换
若电路中需要的稳压值较高,但无其它特殊要求的情况,除了采用上述的直接代换法之外,还可以将两只或两只以上的稳压管串联起来进行代换,只要各只稳压二极管的稳压值之和等于或接近原值即可。若遇到稳压值不易凑成时,可以串入普通小功率硅整流二极管,以其0.7V左右的正向压降进行弥补。锗二极管和中、小功率锗三极管集电结(或发射结)的正向压降约0.15~0.2V,有时也能派上用场。
三、温度补偿问题
由于稳压管的稳定电压值V\(_{Z}\)跟随工作环境温度的改变而改变,在某些要求较高的电路中,就必须考虑环境温度的影响。通常电压温度系数CTV与稳定电压V\(_{Z}\)之间呈现这样的规律,即稳压值小于5V~6V的管子具有负的电压温度系数,稳压值大于5~6V的管子则为正电压温度系数,而稳压值在5~6V之间的电压温度系数接近于零。因此,在电路设计时选用5~6V的稳压管容易实现较好的温度稳定度。在维修代换时,对稳压值较高的场合,由于稳压管的稳压值愈大,电压温度系数也愈大,所以,利用几只5~6V的稳压管相串联来得到高稳定度的电压是在情理之中的。如图2所示,将数只5~6V稳压管串联使用,其温度特性较直接采用单只较高稳压值的管子为好。理论和实践都已证明,前者的电压温度系数和动态电阻都较后者为好。若将电压温度系数相反的稳压二极管串联组合运用,对于总体温度稳定度的提高将是十分显著的。温度补偿型稳压管2DW230系列(老型号为2DW7系列)就是由两只稳压二极管通过一定的方式组合而成的,其外型和结构如图3所示。其中的一只管子处于反向工作状态,起稳压作用,另一只管子处于正向工作状态,作温度补偿用。这两只管子在相同的工艺条件下制作在同一块硅片上,具有极其相近的特性。又因为两只管子工作状态的不同而具有相反的电压温度系数,所以,补偿效果极好,总的电压温度系数能够做到5×10\(^{-6}\)/℃(详见表2)。许多种国外的温度补偿型稳压管也具有较高的指标,其中部分日本产品如表3所示。




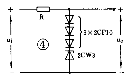
若将具有正电压温度系数的稳压二极管和具有负温度系数的普通小电流硅整流二极管适当组合,在实现所需稳压值的同时,也实现了电压温度特性的较好补偿。图4是用三只2CP10和一只2CW3组成的12V等效稳压管,因两者的电压温度系数相反,而绝对值相近,故温度特性得到了较好的补偿。

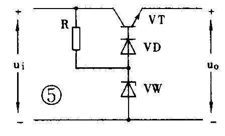
在图5中加入了整流二极管VD之后,可使输出电压降低大约0.7V,根据需要可以串入数只。VD在此对于负电压温度系数的稳压二极管仍然具有温度补偿作用。

四、几种稳压二极管的替代品
在一些较高电压的稳压电路中(比如100V以上的稳压电路),用玻璃钝化开关二极管1N4148代替稳压二极管效果良好,经仪器测试,其反向击穿电压大都在120~220V之间,反向电流自1mA至数十mA范围内特性曲线陡直,具有优良的稳压性能。使用前要对反向击穿电压进行挑选;为防止功耗过大而损坏,应适当设置稳定电流。1N4148与国内的互换型号为2CK70E。
利用发光二极管正向特性进行稳压,在许多场合也是可行的。常见的磷砷化镓发光二极管的正向压降V\(_{F}\)≤2.0V;砷化镓发光二极管的VF≤2.5V;而碳化硅发光二极管的V\(_{F}\)在6V左右。它们的动态电阻都较低,而最大正向电流IFM多为20mA以上,有的高达70mA。根据所需的稳压值,发光二极管不仅可以单只运用,也可以将数只串联运用,还可以与稳压二极管、整流二极管等组合运用。

当把硅平面三极管的集电极及基极短接、发射结反向偏置时(如图6所示),即构成了等效的稳压管。在晶体管图示仪上可以清楚地看到,众多的3DG型和3DD型管子在此状态下的稳压曲线段都很陡直,实际使用效果也挺好。小功率管子3DG6的稳压值在6~8V范围;中功率管3DG130的稳压值也在6~8V范围,并以6.5V左右的偏多;大功率管子中3DD62的稳压值为10~14V,而3DD203则连8~10V范围。普通稳压管当稳定电流小于最小稳定电流(一般为数毫安)时,稳压特性往往变差,稳压值将明显改变。而中、小功率硅晶体管作为稳压管运用时却具有小电流稳压特性好、动态电阻小等优点,有的管子在电流减小到数十微安时仍然表现出良好的稳压特性。
五、稳压值的判别
稳压二极管的主要参数多达十余项,而维修工作最关注的往往是稳定电压V\(_{Z}\)。在不具备专门仪器的条件下,可以借助于直流稳压电源、兆欧表和万用表来判别。
首先,介绍万用表判别法(接线见图7),这里以MF30型万用表为例,选用R×10k挡,被测管子的稳压值从500V刻度上读取,该刻度上共有50个小格(用d表示小格,故共有50d)。测量时,读出表针偏转处与满刻度间的格数,即得稳压值V\(_{Z}\)=0.3d(V)。

举例:按照图7测量2CW1,待表针稳定后,读得d=24格,则V\(_{Z}\)=0.3×24=7.2(V)。
因为R×10k挡的内阻较高,故测出的稳压值略低于实际值。又因MF30型表中的电池电压为15V,一般只限于测量稳压值在13V以下的管子,对于13~26V的管子,可将两块万用表串联使用(见图8),倘若两块表的型号相同,可从任意一块表上读取格数后,代入V\(_{Z}\)=2×0.3d(V)即得,读数方法同上。

其它型号的万用表只要具有(9~22.5)V电池的高阻挡,都可以使用,其方法类同。
其次,介绍运用兆欧表和万用表判别稳压值,接法见图9。兆欧表可选用不大于1000V的,万用表被选挡(直流电压挡)的内阻应不小于20kΩ/V。测量时,按照兆欧表上规定的转速匀速转动发电机手柄,待万用表指针指示稳定时,便可直接读取稳压值V\(_{Z}\)。万用表电压挡的挡位视稳压值大小而定。


下面介绍一种简单实用的稳压值测量小装置,电路如图10所示。降压电容器C选用0.082~0.1μF、耐压400V的金属化电容器或涤纶电容器;VD1~VD4选用2CP18~2CP20均可;直流电压表可借用万用表的直流电压挡;电源开关S采用双刀单掷扭子开关。该装置可测稳压二极管或代用管稳压值的范围达数伏至二百伏左右。由于电容器C的镇流作用而将测量回路中的电流限定在大约5~6mA的安全范围,该电流也恰好符合大多数小功率稳压二极管的稳定电流范围。本装置未加隔离变压器而直接取用市电,因此,在测试操作时要务必注意安全,正确的操作步骤是:首先断开电源开关S,待装好稳压管(用插座插接或用鳄鱼夹夹持)之后再闭合S,此时便可在万用表上读出稳压值,然后再断开S,拆下测过的元件,至此,测试过程结束。
六、使用注意事项
1.拆装前必须断开工作电路的电源。
2.焊接时应使用低温焊料,焊接点离管壳的距离不小于5mm,所用的电烙铁功率为20~45W,焊接时间一般不超过3秒钟,并保证焊接部分与管壳之间具备良好的散热。
3.切勿使稳压二极管的工作电流低于最小稳定电流,否则,其稳压特性将急剧变坏;在任何情况下稳压二极管的工作电流也不能大于最大稳定电流,超过此值,很容易引起热击穿现象,造成永久性损坏。
4.如果环境温度超过+50℃,温度每升高1℃,应将最大耗散功率降低1%使用。
5.稳压二极管虽然可以串联运用,但不可并联运用。 (王水成)