在本刊第9期中介绍了用PROG—100编程器对AT89系列单片机编程的内容,本文再继续介绍AT89系列单片机及应用实例。
AT89系列单片机是美国ATMEL公司的产品,它的主要特点是:1.有15~32条I/O口,有些型号的I/O口可直接驱动20mA电流;2.内部有1k~20k电可擦程序存储器,擦写次数不少于1000次,写入的程序可保留10年以上; 3.内部有64~256字节数据存储器,有些型号还有2k的EEP-ROM;4. 内部有模拟比较器,可用于各种模拟电压的比较;5.内部电压为2.7~6V,工作频率为0~24MHz;6.有“睡眠”和“闲置”两种节能工作方式,“睡眠”方式时,单片机自身耗电仅为20μA;7.有3~8个中断源,有双向串行口;8.软硬件与51系列单片机兼容。
下面介绍两个AT89系列单片机的应用实例。
一、用单片机制作频率计
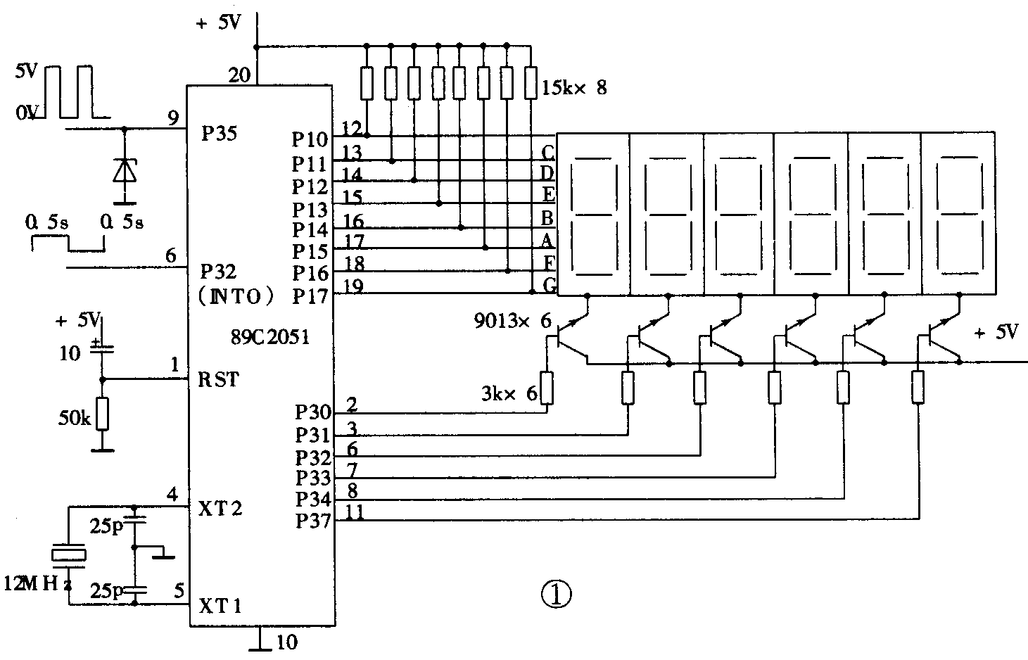
如图1所示,该电路用一片89C2051做主控制,被测信号从P35输入,秒时钟从P32输入,用6位共阴极LED显示,最高测量频率为500kHz。若配上不同的变送器,可以测量不同的物理量。

二、片内模拟比较器的应用
详见图2。图中RT是热敏电阻,当温度上升时,RT阻值下降,此时V\(_{a}\)<Vb,比较器输出为0.P36为0,软件可访问P36,调节RP可改变比较阈值。

附表列出了一小段比较器控制程序。

三、PROG-100编程器增加烧写功能
为了提高PROG-100编程器的性能价格比,将原写入/仿真板中的“写入”功能合并到编程器中,即在编程器上增加20脚和40脚写入插座,就可做到一板在手,既可编程又可烧写。原来的写入/仿真板则改为仿真/用户板。
四、仿真/用户板的应用
与PROG-100编程器配套的还有仿真/用户板,如图3所示。编完程的芯片可插到该板上运行,以检验程序的对错,该板还可以直接当用户板使用。

用PROG—100编程器对AT89系列单片机编程,可快速设计出各种实用电路,如电脑话务员、多路时间控制器、语言控制/开发器、编解码器,等等,电子爱好者可自已设计实验。(柏青)