用IC制作Hi-Fi功放电路具有电路简单、不用调试、性能可靠等优点,目前已得到很多音响爱好者的共识。但很多功放IC本身的性能不太理想,如可靠性不高、输出功率较小或是指标不高,很难满足爱好者的要求。随着IC技术的发展和现代AV技术对优质音频IC的需求,一些国际知名的半导体公司已经研制出性能相当不错的高保真功放IC。美国国家半导体公司(即NS公司)近来推出的LM3875T、LM3876T、LM3886T等就是这类IC的代表。目前这几种功放IC已大量应用在很多国际知名的音响设备的AV放大器中,取得良好的效果。
LM3875T/LM3876T和LM3886T均为可靠性极高的IC电路。一方面是由于NS公司半导体器件的生产技术十分成熟,质量管理也非常严格,另一方面则是这几种IC在电路设计上采用了该公司独创的SPIKe保护电路,即“自身峰值瞬时温度”保护电路。这种SPIKe保护电路可对输出级晶体管的安全工作区(SOA)进行动态检测和保护,以全面实现过压、欠压、过载、输出短路(包括对地短路和对电源短路)、热失控和瞬时温度冲击等情况的保护功能。由于它的保护功能齐全,可靠性高,用在音响设备的AV放大器中完全不需要再加其他保护电路。
LM3875T/LM3876T均为额定输出功率40W(RMS)的单片功放IC,它们的主要性能如下:
LM3875T:电源电压范围,双电源时为±10~±40V;静态电源约30mA;当电源电压为±35V、负载为8Ω、失真度为0.2%时,输出功率为56W;在频率范围为20Hz~20kHz、输出功率为40W时,总谐波失真加噪声为0.05%;标准工作状态时,频响为5Hz~100kHz(+0.25dB),信噪比达115dB(A计权),转换速率为11V/μs。
LM3876T:电源电压范围,双电源时为±7~±47V;静态电流约40mA(静音关时);其余性能与LM3875T相同,只是LM3876T带静音控制,LM3875T无静音功能。
LM3886T为额定输出功率50W的单片功放IC。其电源电压最大为±42V,静态电流约50mA;当电源电压为±28V,负载为4Ω时,输出功率达68W(RMS),负载为8Ω时,输出功率达38W(RMS);电源电压为±35V,负载为8Ω时,输出功率达50W(RMS);总谐波失真为0.03%;标准工作状态时信噪比达110dB,转换速率为19V/μs。
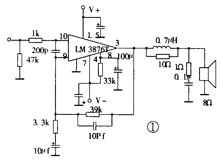
这几种IC在单片应用时,输出功率在40W~50W。在普通家用Hi-Fi功放或AV放大器中,有时会感到输出功率不太够,特别是放送大动态的现代音乐节目或影视片的特殊效果音响时,需要较大的功率储备。这时我们可以采用双片接成BTL电路应用。图3为用LM3876T的BTL功放电路。此电路若采用双交流27V供电,输出功率可达120W以上(负载8Ω)。为了与多种音源相配,可以采用一片性能与NE5532相似的LM833作10dB前置放大器。需要注意的是,电源变压器应有足够的功率(双声道工作,应大于300W),次级绕组应能提供足够的电流。功放IC的散热器也应采用大型铝型材散热器,且应让IC与散热器间有良好的导热接触,加涂硅脂。

试验表明,LM3876T作BTL输出时,性能相当好,主观试听时音质也非常优美动听,完全能够满足音响发烧友的音乐欣赏要求。这时最好负载阻抗不低于8Ω。若用4Ω负载,不但在大动态时有“疲软”之感,集成块发热也较厉害。据试验,LM3875T作BTL输出时性能比LM3876T稍差。

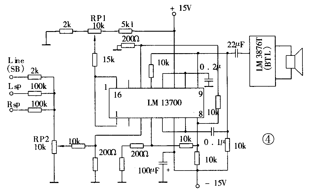
图4是一种用于家庭影院系统的有源超低频音箱放大器电路,此电路也是采用LM3876T接成BTL输出。功放电路之前是用LM13700运放接成的二阶巴特沃斯低通滤波器RP1。可调整低音转折频率,以便与主音箱的低音下限频率相配。图中,I\(_{SP}\)、RSP,端是为不带超低音信号输出端子的AV放大器准备的输入端子,它可以直接连接功放输出端(即从左、右主声道音箱)取得超低音信号。Line端即线路输入端,若AV放大器有超低音信号输出瑞(SB)或线路输出端,就可以直接与Line端相联。RP2为超低音箱的音量调整。为了适应不同输入电平,此音量调整范围较宽。调整超低音音量时应先将RP2关到最小,当主声道音量开到合适时,再逐渐开大超低音箱的音量。
LM3886T也可接成BTL电路,其输出功率比LM3876T BTL电路还要大一些,可达200W以上(电源电压也应略高一些)。实际试验时,负载阻抗也是在8Ω时性能较好,工作也比较稳定。负载阻抗为4Ω时,集成块温升较高,输出功率比8Ω时也大不了多少,看来,LM3886T在接成BTL电路应用时,最好不用4Ω负载。(黄绍侯)

