随着电话的日益普及,各式各样的防窃线报警电路应运而生。笔者通过分析其电路看出,它们大略有如下共性:(1)检测“伪机”的方法差不多都是利用线路上有话机摘机时,线路上的直流电压会有大幅度降低(由48V或60V降至12V以下)这一特点。(2)静态功耗大。(3)振铃信号到来时,防窃线电路会产生误动作。(2)、(3)两个特点属这些防窃电路的不足之处。尤其是第(2)点,静态时要电话线路提供较大的维持电流,势必大大增加交换机的负担,这是极不合理的。防窃装置连同用户的电话机,仍是交换机的一个终端,也仍是一个电话机,所以,它仍然应该满足电话机的有关标准。在这里主要指挂机状态的漏电流应不大于5μA。因此,当防窃装置静态功耗较大时,应自备电源。笔者这里给出一种新的检测“伪机”的方法,可以克服上述不足之处。
众所周知,要想通话,电话机应首先向线路发号。按照国家标准,发号脉冲的速率应为(10±1)个/秒,断/续比为(1.6±0.2):1或(2.0±0.2):1。按断/续比为(1.6±0.2):1所画出的发号脉冲的电压波形及时序关系如图1所示:

由图1可以看出,如果防窃电路能检测出线路上有话机在发号,并设法改变发号脉冲的有关参数,让交换机无法识别线路上有话机在发号,就可以达到防窃线目的。改变发号脉冲有关参数的最为简便的方法是改变发号脉冲的断/续比。即每当检测到线路电压由低到高的突变,防窃电路立即动作,拉低两线间电压差,从而让交换机无法识别线路上有话机在发号而达到防窃线目的。窃线者在“拨号后仍可听到拨号音”,就会产生一种错觉,好像自己的话机坏了。“拨号后仍可听到拨号音”是话机的常见故障,多是由于发号断路时,线路环路上仍然存在较大的直流电流所致。因此,在防窃电路检测到电压的正跳变时,不改变发号脉冲的断/续比,而只让线路环路上有一定的直流电流通过,也可达到防窃目的。基于此,本文给出了一款防窃线电路,并称这种防窃线方法为模拟故障法。电路图如图2所示:

在叙述电路的工作原理之前,先就几个问题作一说明:
1.本防窃电路对电话线路电压极性有要求。其中,按钮开关S1、R1、VD用于检查线路电压极性。按下S1时,若VD亮,则极性正确,否则错误;
2.S2的使用。S2挂机时闭合,摘机时断开。故为方便使用,S2最好能和电话机内的振铃电路共用一对叉簧开关接点;
3.本图中的CC7555、R4、C2、R5和BSS33构成的是一个延时关断电路。其工作特点是:当在CC7555的2脚输入一个负脉冲时,其3脚输出高电平,BSS33导通,延时T\(_{2}\)=R4C2=1×10\(^{6}\)×0.047×10-6s=47ms后,3脚输出低电平,BSS33截止。
工作原理:无论线路上有无“伪机”摘机,只要线路电压没有由低到高的显著正跳变,由于C1的隔直作用,3DK2B就一直截止,CC7555等构成的延时关断电路因CC7555的2脚无负的触发信号而静止。当线路电压有正的突跳变时(突跳13V以上),由于C1两端电压不能突变,所以电压增量加在了R2及3DK2B的基-射极上,使3DK2B导通,从而触发延时关断电路工作,使线路环路在发号关断时有一定直流电流流过。随着C1充电过程的结束,CC7555的2脚又回升到高电平。C1的充放电时间常数T\(_{1}\)≈C1R2=330×10\(^{3}\)×510×10-12s≈0.17ms,所以3DK2B的导通时间仅0.2ms左右。图中的2CW50为保护用二极管,它也为C1放电提供了通路。
本电路的特点:
1.静态时无需电话线路提供维持电流,即使工作时,消耗线路电流也极小,因而克服了一般防窃电路的一个重要不足,是本电路最为显著的特点之一。
2.铃流信号到来时,本电路不会产生误动作。其原因在于C1的容量较小,它对25Hz的铃流信号所呈现的阻抗很大,故当铃流信号到来时,3DK2B不导通,从而不会触发延时关电路工作。
3.静态功耗小。静态时只有CC7555一直在加电工作,但因电源电压为3V时,它所需的维持电流的典型值为60μA,故静态功耗极小。
4.电路简单,所需元件少,易于安装调试。
5.即使“伪机”自备电源,本电路亦可正常工作,因此,这也是它区别于一般防窃线电路最为显著的特点之一。
电路缺点是:仅适用于脉冲拨号式电话线路中。
元件参数的选择:
除VT应选用漏电流小(Iceo≤1μA以下为宜),耐压不低于160V的高反压管及C1应选用漏电流小的电容外,对其它元件参数无特殊要求。
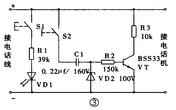
作者认为,通过改变C1、R2的值,使VT\(_{1}\)在发号脉冲关断期间一直导通,就可省去由CC7555等构成的延时关断电路,而不影响防窃功能的实现。电路设想如图3所示:其中的稳压管VD2,一方面对VT起保护作用,另一方面也为C1提供了较快的放电回路。当然由于C1容值较大,铃流信号到来时,它要消耗少部分铃流电流(10mA左右)。因消耗电流小不会对电话振铃电路的正常工作产生多大影响。

图3电路与图2电路相比,显然线路简单更易制作。有兴趣的读者不妨一试。 (刘庆云 刘航)