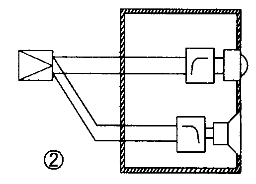
传统的功放与二分频音箱的单线接法见图1,功率分频器设在音箱内。但现在音响店里的中高档音箱,已渐渐把双线分音(Bi-Wire)接线盒作成一种标准设置,双线分音对音质的改善已得到广大音响爱好者及厂家认同,其双线接法如图2所示。如港台音响系统中劲推Bi-Amp/Tri-Amp,它是多功放分音,用两台立体声功放推一对两分频箱或三台立体声功放推一对三分频箱,每声道原理图分别见图3、图4。Bi-Amp较Bi-Wire的确进了一大步,它由不同的放大器分别放大高、低音信号,使互调失真和谐波失真的影响受到抑制,主观听感上解析力及声场营造有长足进步;Bi-Amp的另一优势是搭配具有灵活性与趣味性;可以根据高、低音单元选用相应声音特点的功放,补偿其弱点而迎合个人的需要。Bi-Amp的不足之处是未能摆脱功率分频器。众所周知,功率分频器中使用的电感与电容是误差大、相移大、对音质音色影响大的器件。当我们津津乐道于两三米长的发烧扬声器线能使音质改善多少时,竟忽视串连其中展开有数十米长的电感线圈的影响;当我们细细品味分频器中与高音回路相串的电容从CL到CBB乃至Solen、WIMA、Rifa的差别时,有没有想过彻底抛弃它而采用别的方法呢?




方法早就有了,在多数音响爱好者不大熟悉的专业音响领域也一直使用着,这就是前级分音。图5是一个声道前级二分频器原理图。在功率较大的场合如大型演出,扬声器系统一般都不采用大功率状态时线性差、损耗大的功率分频器,而采用功放输出直接驱动扬声器单元的前级分音的工作方式。前级电子分音较功率分频的长处起码有以下几点:

1.分频特性稳定而精确。电子分音用的巴特沃斯、林克威茨等经典有源线路具有相当高的精确度,且加输出缓冲后不易受输出负载变化的影响。而功率分频器的精确度很大程度上受扬声器阻抗左右,但扬声器的阻抗曲线却起伏相当大。虽然功率分频器中可以设计相应补偿电路,但补偿的准确性尚受诸多因素影响,而精度较差。
2.失真及相移小。前级分音利用分频段直接驱动方式,使功放级的互调失真大幅度降低,且有源滤波器的相位特性变化较为规范。
3.阻尼特性优良。音响系统除了扬声器的机械阻尼,还有动态时功放的电阻尼。前级分音抛弃了所有影响阻尼的L、C等元件,使功放内阻的阻尼直接加至扬声器,得以发挥最大功效。
4.无插入损耗。功率分频器会损耗相当一部分有用功率,这个细节恐怕绝大部分音响爱好者都没有注意到。另外,由于现时家用音箱中的高音单元灵敏度较低音要高些,要协调工作就只能使用衰减网络,诸项损耗对透明度、空气感、解析力的劣化不言而喻,但前级电子分音无此弊病。
5.调整方便。设计完善的前级分音器都有几个分频点供选择,可方便地适应不同扬声器单元组成的系统,而单元间的相对平衡可通过调整前级分音器各频段的输出大小或功放级音量来完成。
6.有利于发挥功放的特点。由于功放只放大某个频段的声音信号,而且是直接驱动扬声器单元,所以对功率的要求较一般功放为低,有利于使用纯甲类、单端输出等音色好但效率低的电路。
业务音箱制作中,限于无声学测量手段,功率分频器制约着音箱水平的进一步提高,而使用前级分音,在彻底解决此问题的同时,获得了许多有利音质提高的优势。
综上所述可以看出,前级分音这种工作方式正是苦苦追求更高境界音响爱好者的捷径。既然前级分音有这么多的优点,为何还未广泛使用呢?笔者认为主要在于三点:
1.成本高是最主要的缺点。前级分音方式除了要用一台双声道前级分音器外,还需配二或三台立体声功放。
2.缺乏相应的市场产品。这就导致前级分音仅是极少数高级发烧友的私宠。市面上的少量前级分音器大多是用卡侬插、Φ6.5mm插的专业机种。国外高保真欣赏用机种,如金嗓子F15L价约1.5万,不是国内大多数人敢问津的。而家用欣赏音箱制造厂家出于自身的利益考虑,少有能跳过箱内功率分频器的设计。
3.普通音响爱好者还不甚熟悉其使用方法。一般音响系统接驳好以后,就要作摆位、俯仰、垫、压等机械调整,前级分音则首先根据单元特点确定分频点,其次调整频段平衡,最后才是机械调整。
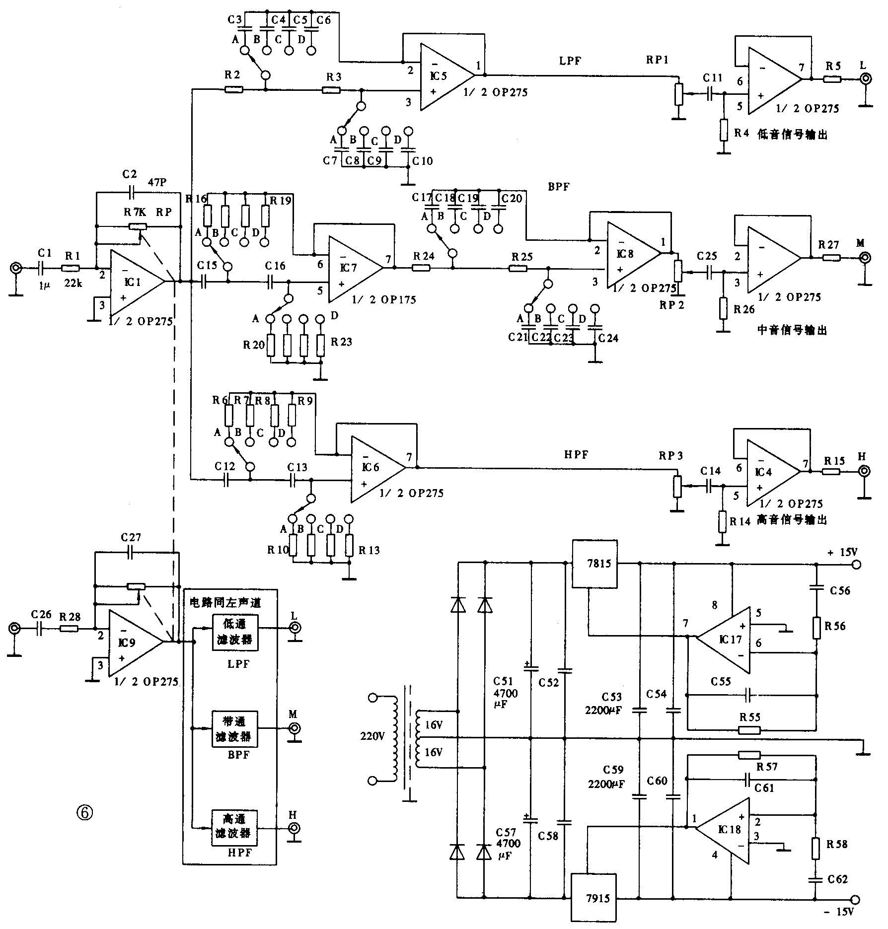
图6是一款设计较为考究的前级三分音器电路,电路为两阶巴特沃斯,有源伺服电源,Gm音量控制,每段输出都加有缓冲级。第一分频点为500Hz、750Hz、1kHz、1.25kHz供选用,第二分频点为3kHz、4kHz、5kHz、6kHz供选用。若需二分音器,则去掉中音的带通滤波器,分频点则为2kHz、3kHz、4kHz、5kHz供选用。运放选用了带宽、解析力、动态等性能优异且具有良好音乐味与融合感的新秀OP275,电阻、电容分别用1/4W金属膜与聚酯无感电容。

前级分音听感如何呢?笔者作了以下的听音对比:音源用飞利浦928转盘加Alchemy(雅格美)DDEV1.1解码器,对比组的双线分音功放用日产LUXMAN(力士)A-383。
383是力士A系列合并扩音机中最高一款,价约6000元,音质较三、四千元的合并机(如马兰士PM-80)和一般日产AV功放有明显优势。音箱是英国产MISSON(美声)753,将其分频器拆到箱外以便接线。线材为雅格美大头数码线,超时空P-CD信号线;扬声器线中高音为超时空P-K,低音为华敏6mm\(^{2}\)。前级分音器为二分频型(电路同前述),分频点选为3kHz,功放就用目前焊机爱好者的热门LM3886,但高低音线路略有不同:低音为LM3886产品手册上推荐的标准电路,而高音用音色更加剔透的电流负反馈加DC伺服线路。先听单功放双线分音,A-383推美声753动感十足,能较好地体现这对名箱的实力。换前级分音器加四路LM3886功放听,结果令人称奇:二者低频的狠、沉、劲相当,但论人声的亲和力、声像定位、高频延伸则前分音还略有胜出!值得一提的是美声753功率分频器的设计与用料都堪称上乘,笔者曾用粉红噪声源和频谱分析仪测量,其合成频响曲线相当平直,居然仍不敌前级分音,换功率分频器水平再低些的音箱,则差距会更大。
目前,音响爱好者探索音响系统升级时,大都循传统换机、摩机、换线等,都在系统组件上下功夫,很少有从系统结构上作根本性改进。单看LM3886决不是力士A383的对手,但以前级分音方式工作的四路LM3886功放,却胜出双线分音的力士A-383,此结果证明系统结构与系统组件同样影响着系统的最终表现,充分说明Hi-Fi的高峰并非贵价机器的简单堆砌。(朱广皓)