我们设计制作的这种通用型的万用时间控制器,具有4路独立的时间控制输出,可同时控制4路不同的负载,每路最大控制时间点为1440点,采用发光二极管显示器,显示时、分和秒。走时误差每天小于1秒钟,它线路简单,操作容易,方便实用,稳定可靠,适用于工业生产中的一些自动化过程控制,学校、机关的自动打铃以及家庭之中。
电路工作原理
电路由时基计时、译码显示、时间存储与控制等部分组成,如图1所示。

时基计时部分由CD4060、CD4024、CD4040、CD4082四块集成电路构成。CD4060是14级二进制串行计数器/分频器,外接32768Hz的晶振构成振荡回路后,在Q14端可获得2Hz的方波信号,再经过7级二进制计数器CD4024的120分频,产生基本的计时脉冲信号——分脉冲,即
32768÷2\(^{14}\)÷120=\(\frac{1}{60}\)Hz
此分脉冲信号分为两路,一路作为12级二进制计数器CD4040的时钟信号,使其Q1~Q10输出二进制表示的实时信息,由于Q1~Q10分别与RAM2114的A0~A9相连,因此Q1~Q10同时也作为地址信息送入2114中,使RAM2114的单元地址随着实时信息的输入逐一增加,即每一个时钟信号对应于一个RAM地址单元,这样RAM2114就能无误地进行工作。CD4040是采用脉冲下沿触发的,为能与显示同步,加了一级反相器。
分脉冲信号的另一路送到计数译码驱动器CD4026的CP端使之计数,并将译码输出送到发光二极管显示器LC5012进行时间显示,显示器有四位,即时个位。十位和分个位、十位,由于分十位的计数只需计到6就要使本位复位,同时产生向时个位的进位信号,因此将数码6的特征段e和b通过一个“与门”后去触发时个位的CP端共复位分十位。LED的各显示段如图1所示。
秒信号是从CD4024的Q1端取出1Hz信号后经电阻限流,再接到LC5012①的DP端用小数点显示。
时间存储与控制部分主要由2只RAM2114和4个二极管“与门”构成。2114是四位数据端口,它有10根地址线,最大存储容量为1024,一天24小时,共计1440分钟,为了实现对每一分钟的定时控制要求,使用了2只2114,当CD4040计数在0~1023时,其011端为“0”电平,选中CS1-端,使2114①工作;计数大于1024时,Q11变为“1”,反相后,选中CS2-端,使2114②工作,这样,2114①与2114②的地址就是连续的。2114②只需计到416(即CD4040计数到1440,也就是24小时)时,通过与门产生一个“1”电平信号去复位时钟显示和CD4040计数器,以便重新开始循环计数和显示。
2只2114的R/W脚并联在一起,通过一只电阻与+5V电源连接,未按下SB键时,R/W脚为“1”电平,由CD4040的Q11脚选中的2114工作于“读”状态,其数据线I/O向外部输出信号,此时不管SA1~SA4扳向1或是0位置,均不会影响I/O口的输出情况;按下SB键时,R/W脚为“0”电平,选中的2114工作于“写”状态,其数据线I/O接收外部信号,外部信号分为“1”和“0”两种情况,通过改变SA1~SA4开关的位置,可使输入到RAM有关I/O口的信息是“1”或是“0”,例如SA1扳至1,则输入I/O1为“1”,反之则为“0”。
2只2114的相应数据口通过一只二极管“与门”向外部送出,没有选中的2114其数据线相当于“1”电平,因此与门的输出由工作的2114数据线决定,当某根I/O输出“1”时,与门输出也为“1”,此时三极管导通,发光二极管点燃,集电极电位由高变低,输出一个负脉冲触发信号;当某根I/O输出“0”时,“与门”输出也为“0”,此时三极管截止,发光二极管不亮,集电极保持高电平,无负脉冲发出。
设置控制时间时,分别按下快校、慢校键,使显示器上出现要设置的控制时间数值,此时在相应的RAM2114中即得到一个与该控制时间对应的地址信息,选择一个通道(如选择第一通道),即可在这一通道将该控制时间记录存储下来。操作过程为:将SA1扳至1端,按下SB键,工作的2114即将第一通道数据线上的“1”信息写入存储单元之中。这样,当一系列控制时间输入到RAM后,时间控制器就能在走到某个控制时间时准确地发出一个负脉冲信号,利用它方便地去触发控制各种设备工作。
输出信号的转接及电源
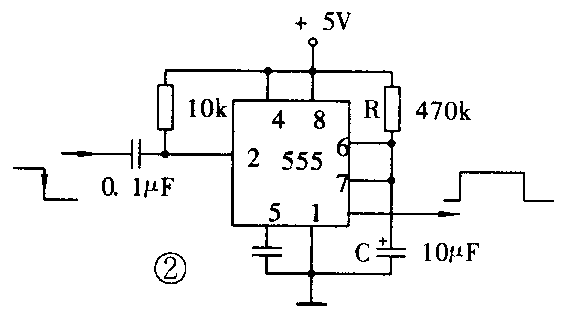
当显示器上显示的运行时间与控制时间一致时,有关通道只给出一个负脉冲。实际应用中,一般可将负载分为开关型及单稳型。如电铃为单稳型负载,可采取图2线路,它将输入的负脉冲信号变换为一个延时的正脉冲方波,正脉冲延时时间可调,由RC数值确定,这样即可保证在控制时间到达后,电铃的响声只在要求的时间范围之内。例如用图中数值时,延时的正脉冲约为6s。

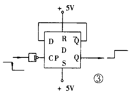
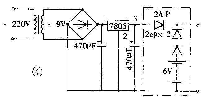
开关型的负载,可用触发器与负载进行过渡连接,使得每一个控制时间到达发出一个负脉冲,触发器的输出状态改变一次,以完成对负载的开关操作(见图3)。电源部分见图4,变压器功率约为2W,如果需要断电保护数据,可增加虚线部分,当市电突然断电时备用电池自动接入。


操作注意事项
开机后,首先应将RAM单元清零,否则2114各存储单元内容为随机状态。先将SA1~SA4均扳至0端,按下SB键不动,使RAM处于“写”状态,然后分别按下快校、慢校键,使显示器上显示的数字不断递增,直至回到初始显示数字为止,这样就将24小时时间所对应的所有RAM单元的内容均变成了“0”电平。
第二步可输入控制时间,可以选择一两个控制时间,然后逐个输入。如果只使用一路通道,只需将该通道的开关(如SA1)板至1位置;如果同时使用两路通道,可将对应的开关(如SA1、SA2)都扳至1位置,然后分别按下快校、慢校键,调到显示器显示的控制时间时,按一下SB键,SB键抬起后,相应通道的发光二极管发光,这就设置好了一个控制时间。
按照上述方法,也可以取消已设置的控制时间,只需将有关通道开关扳至0位置,其它操作同上。 (解永勃 裴巍)