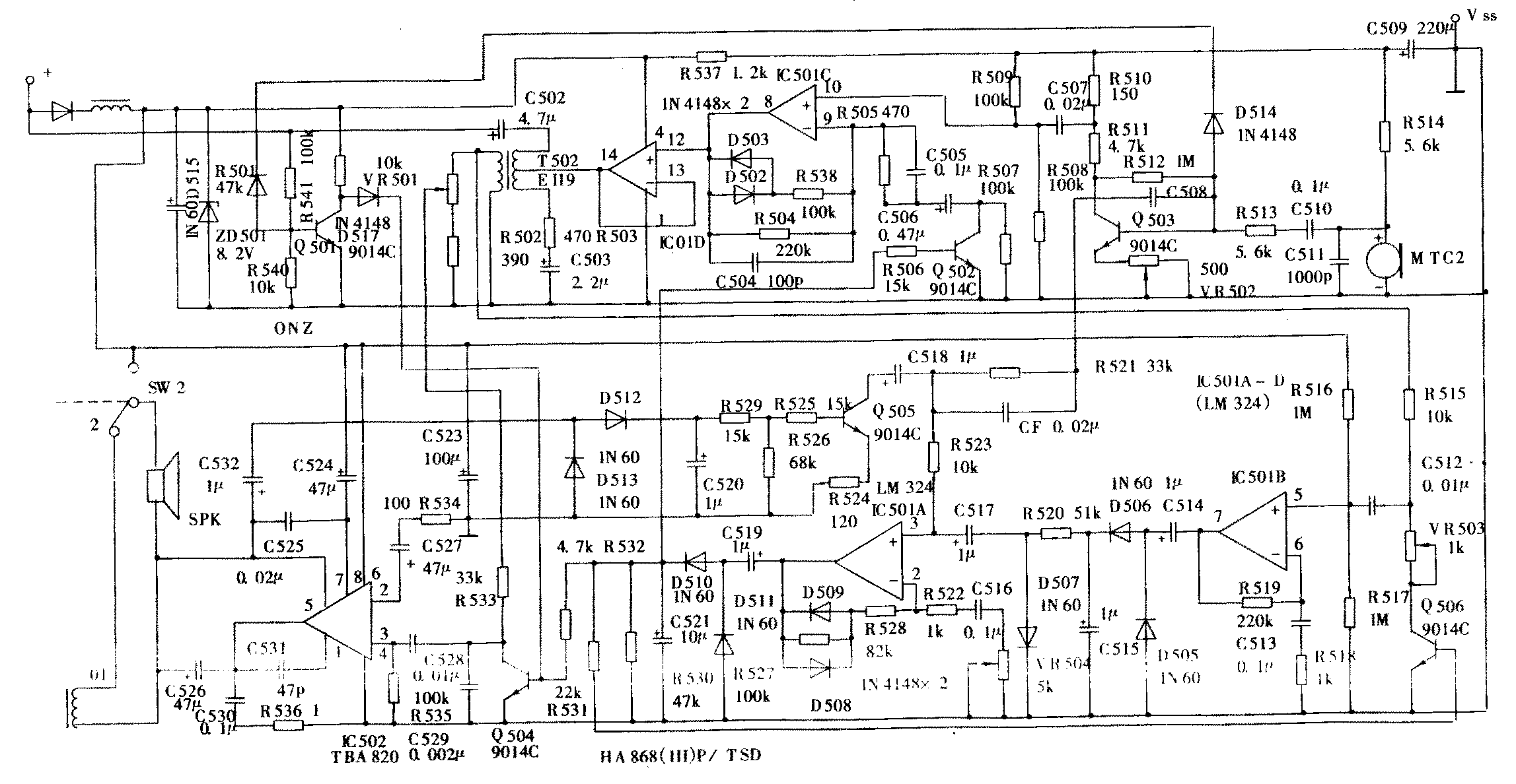
一、原理
电路原理如附图所示。IC501(LM324)是一个集成四运算放大器组件,其中IC501C、IC501D及Q503等组成发送放大器,IC501A等组成了发送电平检测电路。

由驻极体话筒MIC2把话音转变为电信号,经C510耦合到前置放大器Q503管的基极进行放大,从集电极分两路输出:一路经C507耦合到IC501C第10脚,放大后的信号从第⑧脚输出至IC501D的脚,被IC501D放大后从输出,再经平衡变压器T502初级、C502输至外线;另一路经电容CF、R523加至IC501A的③脚,放大后从①脚输出送入C519、D510、D511、C521组成的倍压整流电路,在滤波电容C521两端取出直流压降,同时送至三条电路:一路经R506加到Q502基极,Q502饱和导通后将R507短路。由于R538、R504、R505、R507、D502、D503、C505组成负反馈网络,改变R507阻值即可改变发送放大量。另一路经R532加到Q504基极,Q504饱和导通后将IC502②脚的交流信号短路,使Q505截止,发送控制信号全部送到IC501A的③脚。还有一路经R531加到Q506基极,Q506饱和导通后将IC501B的受话输入信号短路。D508、D509、R527、R528组成发送检测电路的输出电平自动调节电路。R522、C516、VR504控制发送检测输入电路的灵敏度。调整VR502可改变前置放大级灵敏度。
二、常见故障检修
1.送话、受话皆无
送、受话皆无的原因,一是出在供电电路;二是公共信号通路存在故障。
首先测稳压管ZD501两端电压是否正常,应该大于LM324及TBA820M的工作电压(笔者测试的电压为8V)。如果测得ZD501两端电压接近0V,则应查叉簧接点是否良好、D501、T501是否断路、ZD501、C501、C523是否短路、印制电路板有无断线或焊点虚焊。如果ZD501两端电压比正常值低很多,则将ZD501焊开再测试,若此时电压升高了,证明ZD501已坏,应予更换。如果断开ZD501后,测得电压仍低,则需查C501是否漏电大,若是,则应更换。
如果供电电路正常,再查公共信号通路中T501是否短路,C502、T502初级是否开路,是否有虚焊点及印制板断线等。
2.有受话而无送话
有受话时,说明供电电路及公共信号通路正常。可检查发送放大及发送电平检测电路。
首先在前置放大Q503基极进行干扰。若扬声器中有干扰声,说明发送输入电路不正常。可检查R513、R512、C510是否虚焊,元件质量有无问题。再测驻极体话筒MIC2两端有无3V左右直流工作电压,若无,则查其漏极电阻R514是否阻值变大、开路或虚焊;R537是否正常。否则,就是MIC2损坏。若扬声器中无干扰声,则可能是放大电路或发送检测电路有故障。
首先用万用表R×10挡在线测试Q503是否正常。若不正常,更换Q503。若Q503正常,则测试其集电极分压电阻R510、R511是否阻值变大、开路或虚焊,耦合电容C507是否虚焊或开路。然后在MIC2两端输入音频信号,逐级测量各放大器的输入、输出端的信号电压并与正常值比较。如果某一测试点无交流信号电压或与正常值相差甚远,则应检查这点相关元件及印制电路板是否正常。
对于发送电平检测电路,首先检查IC501A的③脚信号电压是否正常。如果偏低,则要着重检查C514、C517、C532。C514、C517如果漏电,会使D507导通而旁路送到IC501A③脚的交流信号。C532漏电使D512、Q505导通而短路发送检测电路的输入信号。
如果IC501A③脚输入信号电压正常,而IC501A①脚输出电压偏小,则查找R522、R528、VR504、C516有无虚焊。若均正常,则为IC501损坏。
话机处于免提通话状态,对MIC2发声,同时测C521两端电压,正常时可测得2V左右直流电压。若测出0V,则查倍压整流电路中的C519、D510、D511、C521是否正常。另外,发送状态C521两端电压正常时,Q502、Q504、Q506均应导通。如果某管未导通,应查相关电路的元件、包括Q502、Q504或Q506工作是否正常。例如测得Q506的基极电压为0V,说明Q506未导通,应查R531是否开路或虚焊、印制电路板是否有断开处。
3.免提通话声音低弱
(1)驻极体送话器灵敏度降低,可更换。
(2)VR504、R522阻值变大或C516漏电,应予更换。
(3)倍压整流电路中D510、D511损坏或虚焊,C519、C521漏电,更换相应元器件。
(4)R506开路或虚焊使Q502未导通或Q502本身损坏,引起发送放大量减小。
(5)IC501C的负反馈元件阻值变大、容量减小(如R505、C506),需更换相应元件。 (苗茂兰)